【導讀】電源電壓的要求一般在±5%以內。電流需要根據使用的不同芯片,及芯片個數等進行計算。由于DDR的電流一般都比較大,所以PCB設計時,如果有一個完整的電源平面鋪到管腳上,是最理想的狀態,并且在電源入口加大電容儲能,每個管腳上加一個100nF~10nF的小電容濾波。

1、DDR系統的三種電源
對于電源電壓,DDR SDRAM系統要求三個電源,分別為VDDQ、VTT和VREF。
A、主電源VDD和VDDQ
主電源的要求是VDDQ=VDD,VDDQ是給IO buffer供電的電源,VDD是給內核供電。但是一般的使用中都是把VDDQ和VDD合成一個電源使用。
有的芯片還有專門的VDDL,是給DLL供電的,也和VDD使用同一電源即可。
電源設計時,需要考慮電壓、電流是否滿足要求。
電源的上電順序和電源的上電時間,單調性等。
電源電壓的要求一般在±5%以內。電流需要根據使用的不同芯片,及芯片個數等進行計算。由于DDR的電流一般都比較大,所以PCB設計時,如果有一個完整的電源平面鋪到管腳上,是最理想的狀態,并且在電源入口加大電容儲能,每個管腳上加一個100nF~10nF的小電容濾波。

到了DDR5,電壓從1.2V將會變到1.1V,下降了8.3%,這是幾代DDR總線以來下降比例最少的一次。說明電子技術的發展,對于低功耗的設計難度越來越大。這么低的電壓,其抗干擾設計就會更加的難。對于電源完整性和信號完整性的設計要求就越來越嚴苛。
B、參考電源Vref
參考電源Vref要求跟隨VDDQ,并且Vref=VDDQ/2,所以可以使用電源芯片提供,也可以采用電阻分壓的方式得到。由于Vref一般電流較小,在幾個mA~幾十mA的數量級,所以用電阻分壓的方式,即節約成本,又能在布局上比較靈活,放置的離Vref管腳比較近,緊密的跟隨VDDQ電壓,所以建議使用此種方式。需要注意分壓用的電阻在100Ω~10kΩ均可,需要使用1%精度的電阻。Vref參考電壓的每個管腳上需要加10nF的電容濾波,并且每個分壓電阻上也并聯一個電容較好。

Vref此處的電流并不大,通過分壓,可以選擇阻值稍大的電阻。所以需要靠近芯片放置,放置走線過長,被其他大電流信號干擾。
C、用于匹配的電壓VTT(Tracking Termination Voltage)
VDDQ是一種高電流電源DDR芯片的內核、I/O和存儲器邏輯供電,而Vref是一種低電流、精確的參考電壓,它在邏輯高電平(1)和邏輯低電平(0)之間提供一個閾值,以適應I/O電源電壓的變化。通過提供一個適應電源電壓的精確閾值,VREF實現了比固定閾值和終端和驅動正常變化情況下更大的噪聲裕度。
VTT是改善信號質量,最常見的規格是0.49到0.51倍VDDQ,VTT為匹配電阻上拉到的電源,VTT=VDDQ/2。
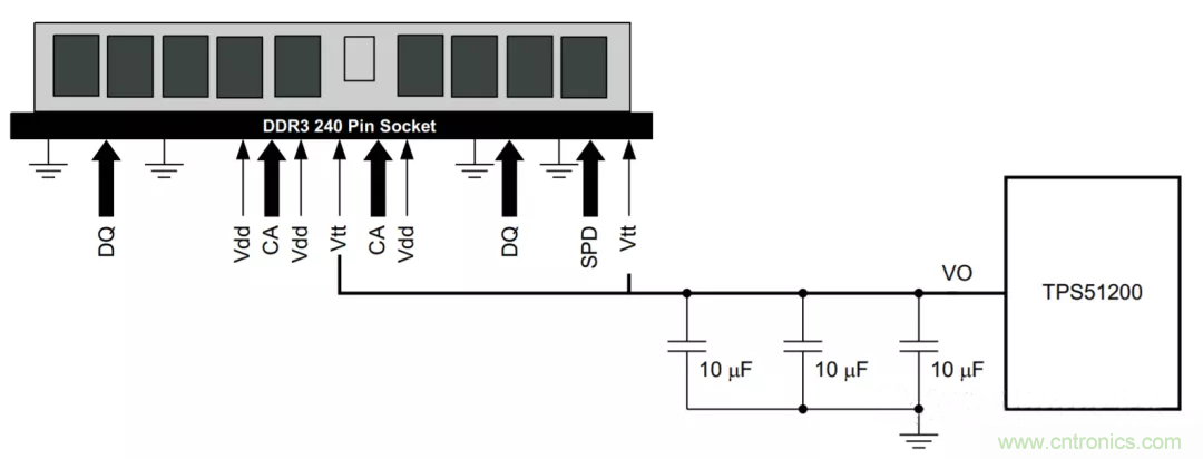
DDR的設計中,根據拓撲結構的不同,有的設計使用不到VTT,如控制器帶的DDR器件比較少的情況下。如果使用VTT,則VTT的電流要求是比較大的,所以需要走線使用銅皮鋪過去。并且VTT要求電源即可以吸電流,又可以灌電流才可以。一般情況下可以使用專門為DDR設計的產生VTT的電源芯片來滿足要求。很多情況下,也采用上下拉電阻實現吸電流和灌電流的功能,即戴維南電路。
而且,每個拉到VTT的電阻旁一般放一個10nF~100nF的電容,整個VTT電路上需要有uF級大電容進行儲能。


由于VTT電源必須在 1/2 VDDQ提供和吸收電流,因此如果沒有通過分流來允許電源吸收電流,那么就不能使用一個標準的開關電源。而且,由于連接到VTT的每條數據線都有較低的阻抗,因而電源就必須非常穩定。在這個電源中的任何噪聲都會直接進入數據線。

VTT 被用來從DDR控制器IC中獲取電壓,給數據總線和地址總線提供電源,VTT不直接應用在DDR器件上,而是在系統電源上(VTT和終端電阻都被集成到 DDR CONTROLLER上),因此不需要在電路圖中額外標出。它的值通常設定大致等于VREF的值(在VREF上下0.04V浮動),并且隨著VREF的變 化而變化。對于DDR1 SDRAM應用中的地址總線控制信號和數據總線信號都有端接電阻。需要一個沒有任何的噪聲或者電壓變化的參考電壓(VREF),用作DDR SDRAM輸入接收器,VREF也等于1/2 VDDQ。VREF的變化將會影響存儲器的設置和保持時間。
2、為什么需要VTT
為了符合DDR的要求并保證最優的性能,VTT和VREF需要在電壓、溫度和噪聲容限上進行嚴密的控制以便跟蹤1/2 VDDQ。
在實際電路中,對于VREF的電壓采取電阻分壓的方式取得,如下圖所示:

其中電容為去耦電容。

DDR顆粒的接收端比較特殊,它是一個差分放大器,其中的一個PIN腳連接Vref是固定,另一個PIN接在DDR控制器的發送端,發送端發送過來的信號,只要比Vref高,高過一定的門限,接受端就認為1,只要比Vref低,低于一定的門限,接收端就認為0。我們知道DDR的速率(電平的切換)是很快的,同時一個控制器會下掛很多顆粒,這就導致總線上的電流(電荷)來不及泄放和補充,這就需要將VTT在VOUT為高的時候,吸收電流,在VOUT為低的時候補充電流;

以DDR2為例,當VOUT為高電平的時候,VOUT=1V8,VTT=0V9,電流b向處于增加的趨勢,當VOUT為0,VTT=0V9,電流a向處于增加趨勢;
一般DDR VTT的拓撲結構

3、VTT電源工作原理

其中VFB為電壓反饋端,SW為電壓輸出端;
結合DDR拓撲圖來看,當VOUT為低的時候,由于a方向的電流處于增大的趨勢,電感L會產生臨時反向電動勢,來抑制電流變化,這樣導致VTT電壓變小,上管導通,來補償這個電流,直至流經電感的電流等于新的電流;
當VOUT為高的時候,由于b方向的電流處于增大的趨勢,電感L會產生臨時的反向電動勢,來抑制電流變化,這樣導致VTT處的電源變大,進而導致Vsense變大,上管關閉,下管導通,吸收電流;
4、戴維南電路代替VTT

在一些設計中,在使用DDR顆粒的情況下,已經基本全部不使用VTT電源,全部采用電阻上下拉的戴維南電路(用上下拉電阻替代VTT電源),只有在使用內存條的情況下才使用VTT電源。需要進行信號完整性仿真之后,確定上下拉電阻的阻值。這個阻值一般比較小,雖然降低了設計復雜度,但是增大了整個系統的功耗。
一般情況下,DDR的數據線都是一驅一的拓撲結構,且DDR2和DDR3內部都有ODT做匹配,所以不需要拉到VTT做匹配即可得到較好的信號質量。DDR2的地址和控制信號線如果是多負載的情況下,會有一驅多,并且內部沒有ODT,其拓撲結構為走T型的結構,所以常常需要使用VTT進行信號質量的匹配控制。DDR3可以采用Fly-by方式走線。

4、VTT電流預估
例如:VTT(0.6V)作為地址線/控制線(共25根)的上拉電源 ,上拉電阻39.2歐姆,最大電流計算公式:(0.6V/39.2)*25 = 0.38A。
最大電流就是所有信號同為高,或者同為低的時候,所有的信號線都是灌電流或者拉電流。如果有高有底,則會相互抵消,VTT的輸出電流沒有那么大。
(來源:硬件十萬個為什么)
免責聲明:本文為轉載文章,轉載此文目的在于傳遞更多信息,版權歸原作者所有。本文所用視頻、圖片、文字如涉及作品版權問題,請電話或者郵箱聯系小編進行侵刪。



