【導讀】汽車溫度控制系統關系著汽車內部的溫度調節,正因為此,能夠監控車內溫度,并根據監測到的溫度狀況進行遠程調控并開啟車內空調系統。本文就詳細解析了汽車溫度控制系統連接器電路的設計步驟。
隨著無線通信、信息傳感技術的迅猛發展和日漸成熟, 通過信息傳感微控制器和網絡將物品聯接成物聯網以實現物品的自動識別、定位、跟蹤、繼電器和管理為目標的服務已成為可能。現代汽車中的空調一般是利用手工進行控制的,空調只有等到司機進入駕駛室才能開啟或關閉,這就使得在炎熱的夏天或寒冷的冬天, 剛進入車內時由于空調沒有開啟,人會感覺到異常的燥熱或寒冷,因此設計和制造出能監控車內溫度并根據監測到的溫度情況來進行提前遠程控制開啟車內空調系統的設備便提到人們日常生活的議事日程上來,本設計就是為滿足這一要求而提出來的。
溫度采集模塊
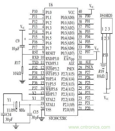
系統中的溫度采集模塊采用高精度、高可靠性的DS18B20溫度傳感器, 它具有體積小、硬件開銷低、抗干擾能力強、精度高的特點, 采用單總線數據通信, 全數字溫度轉換及輸出, 最高12 位分辨率,精度可達±0.5℃, 檢測溫度范圍為-55℃~+125℃, 因此它能滿足本系統的設計要求。DS18B20與微控制器的連接電路見圖1所示。

圖1:STC89C52RC 微控制器模塊和DS18B20的連接電路圖
繼電器開關控制模塊
繼電器開關模塊由TLP521 -4 、ULN2803和SRD -12VDC 及三極管構成, 由微控制器輸出的信號經過三極管構成的開關電路送往TLP521-4 光耦芯片再通過ULN2803達林頓管的放大后用來驅動SRD-12DC 繼電器, 進而達到控制空調的各種開關的作用, 繼電器開關控制模塊與微控制器的電路連接圖如圖2所示。

圖2 繼電器控制模塊電路圖
[page] TC35I 模塊
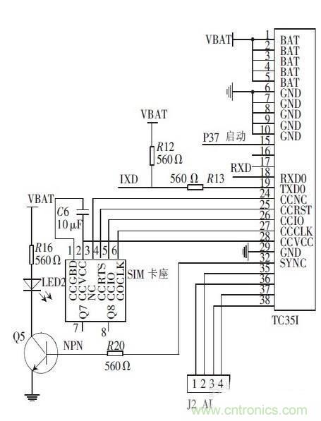
TC35I 模塊是一款雙頻900/1800 MHz高度集成的GSM 模塊。它設計小巧、功耗很低, 可以為很多通信應用提供經濟高效的解決方案。它支持EGS900 和GSM1800 雙頻, 數據傳輸的內容支持語音、數據、短消息和傳真服務, 通信接口采用RS232( 指令和數據的雙向傳送),供電電源采用單電源3.3 V~5.5 V 的電壓, 適用的范圍包括: 便攜電腦的低功耗通信設備、遙測遙感、遠程信息處理和通信等工業領域。本系統中TC35I 與微控制器的電路連接圖如圖3所示。

圖3 TC35I 模塊電路連接圖
電源模塊
系統電源模塊采用了LM78L05和LM2941S兩控制器將外部12 V 的直流供電電壓轉換為系統所需要的5 V和4.2 V 的電壓, DS18B20連接電路圖如圖4 所示。

圖4 電源連接電路圖



