【導讀】硅材料雖為半導體產業基石,但在速度、功率密度上的瓶頸日益突出。寬禁帶半導體技術為開關模式電源帶來突破,其中氮化鎵(GaN)因低電容、高擊穿電壓等優勢成為熱門替代方案。本文剖析硅的局限與GaN的特性,探討GaN應用中的核心優勢與實際挑戰,并給出解決方案,為電路設計人員提供技術實踐指引。
寬禁帶技術在開關模式電源中越來越受歡迎。如果電路設計人員有興趣在未來設計中使用這項相對較新的技術,則有必要了解這項技術的優勢和挑戰,并積累相關經驗。
寬禁帶半導體
硅是電子產品中使用的一種神奇材料。生長出高純度體硅并通過摻雜形成p型和n型特性,造就了令人矚目的微電子基礎設施與產業。于是,低成本、高可用性器件不斷滲透到我們的生活中。然而,隨著工程師逐漸把手中的工具發揮到極致性能,我們也在不斷尋找更好的晶體管。對于各種應用中的許多用例,硅固然表現出優異的性能,但硅的某些材料特性也限制了它在速度、功率密度和溫度范圍等方面的提升。雖然市面上提供許多其他半導體技術,比如砷化鎵(GaAs)、碳化硅(SiC)和氮化鎵(GaN),但設計師在使用硅構建電路方面已經積累了豐富的經驗,涵蓋研究、開發工具鏈和生產環節。據SEMI.org統計,2023年晶圓出貨量為126.02億平方英寸,面積足夠覆蓋1000個足球場。對于始終追求更小解決方案的半導體行業來說,這無疑是令人贊嘆的壯舉!1
得益于對硅材料的熟悉,隨著時間的推移,半導體行業能夠將硅的性能不斷向前推進。然而,半導體行業迫切需要認真考慮替代硅的半導體技術,而寬禁帶半導體的相關研究已取得切實的成果。
GaAs是一種III-V禁帶半導體,用于微波、激光二極管和太陽能電池等高頻應用。得益于高飽和電子速度和遷移率,GaAs能夠在100 GHz以上的頻率下正常工作。
電子產品中使用SiC由來已久,其早期應用主要是發光二極管。憑借耐高溫和耐高壓的能力,碳化硅用作電源中的功率級元件。此外,碳化硅能夠實現電壓范圍遠高于1000 V的開關和二極管。
在電源應用中,GaN是一種能夠替代或增強硅基電路的特定技術。在20世紀90年代初,GaN主要是研究級材料,但到了2003年,從產量來看,GaN躋身三大半導體材料之列,僅次于硅和GaAs。GaN的早期用例包括固態照明和射頻電子產品。2
2012年,GaN原型首次用作電源開關(pGaN HEMT器件),替代開關模式電源中的硅場效應晶體管(FET)。在此類電源中,與傳統硅FET器件相比,GaN實現了更高的電源轉換效率。無論是過去還是現在,GaN器件的主要制造難點一直在于能否生長出大尺寸的單晶,從而用來生產高質量的大尺寸晶圓。
與硅相比,GaN有很多優勢。主要優勢包括在給定電流和電壓額定值下具有較低的漏極和柵極電容。此外,GaN開關的尺寸比硅小,因此解決方案也更小。GaN材料的擊穿電壓較高,可用于運行電壓在100 V及以上的應用。而對于100 V以下的不同電源設計,GaN的功率密度和快速開關能力也帶來諸多優勢,比如提高電源轉換效率。
GaN是寬禁帶半導體,其禁帶電壓為3.4eV,而硅的禁帶電壓為1.1eV。但是,在電源設計中,品質因數的重要性不盡相同。舉例來說,在400 V中間總線應用中,比如在240 V AC電源轉換器中,我們使用650 V擊穿電壓FET,漏源電流約為30 A。使用硅FET時,需要93 nC的柵極電荷,而使用GaN FET時,僅需9 nC的柵極電荷。3 使用此類開關的應用將在約1 kW至8 kW的功率電平下運行。使用具有小柵極電容的GaN器件的好處在于,開關轉換時間顯著加快,開關損耗降低,最終實現更高的電源轉換效率,特別是當開關頻率較高且采用較小的磁性元件時。
在開關模式電源中使用寬禁帶半導體
用GaN器件替代硅基MOSFET時,肯定會遇到一些挑戰。這些挑戰與GaN柵極驅動、開關過程中的快速電壓變化及死區時間內的高導通損耗有關。
首先,GaN開關的柵極電壓額定值通常低于硅FET。大多數GaN制造商建議的典型柵極驅動電壓為5 V。一些器件的絕對最大額定值為6 V,建議的柵極驅動電壓和臨界閾值之間沒有太多裕量,若超過此臨界閾值,將會損壞器件。建議的柵極驅動電壓因制造商而異。這一限制,再加上GaN器件中的柵極電荷非常小,意味著驅動器級必須嚴格限制最大柵極驅動電壓,以免損壞GaN器件。
此外,必須關注電源開關節點處的快速電壓變化(dv/dt),這有可能導致底部開關誤導通。GaN器件的柵極電壓非常小。任何在鄰近區域(比如開關節點處)發生的快速電壓變化,都有可能以電容耦合的方式作用于GaN開關的小尺寸柵極,從而使其導通。為了更好地控制導通和關斷曲線,需要布置單獨的上拉和下拉引腳,并精心設計印刷電路板布局。
此外,GaN FET在死區時間的導通損耗較高,在死區時間,電橋配置的高側和低側開關均斷開。死區時間對于防止高側電壓軌與接地端之間發生短路必不可少。在死區時間內,低側開關通常會產生流經低側開關體二極管的電流。要解決此類死區時間內導通損耗較高的問題,一種方法是盡可能縮短死區時間的時長。與此同時,還必須注意高側和低側開關的導通時間不能重疊,以避免接地端短路。
另外值得一提的是,GaN提供更寬的轉換范圍,快速的上升和下降時間能夠實現比硅MOSFET更小的占空比。
使用除硅以外的其他開關
在電源轉換行業,硅開關多年來一直用作功率級開關。現在,GaN開關已可供電源設計人員使用,但如何用它們來取代硅開關?它們是直接替代產品,還是在功率級設計方面有所不同?
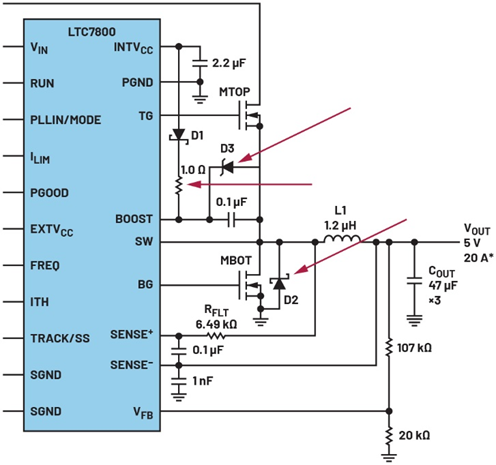
圖1所示為典型降壓穩壓器開關模式電源的功率級。紅色箭頭表示在開關模式電源中使用GaN開關時可能需要的額外組件。GaN開關不具備體二極管的便捷性。硅MOSFET中的體二極管是p-n結,該p-n結通過硅工藝的結構形成。GaN技術的工藝略有不同,因此無法使用簡單的p-n結體二極管。4 然而,GaN開關雖采用不同的機制,但可產生類似的結果。GaN器件的導通僅涉及多數載流子,因此不存在反向恢復。5 但是,不同于硅MOSFET,GaN FET不具備體二極管的正向電壓,因此GaN FET上的電壓可能會變得非常大。所以,死區時間內的功率損耗相當高。這便是為什么與硅開關相比,在使用GaN開關時務必要縮短死區時間。
硅MOSFET具有體二極管,在開關模式電源的死區時間內,電源設計會大量使用體二極管。在降壓穩壓器的低側開關中,流經體二極管的電流提供電感所需的連續電流。如果低側開關中沒有體二極管,則每段死區時間都會導致降壓穩壓器中的開關節點電壓趨于負無窮。在達到負無窮之前,電路無疑會因為電壓超出開關的額定電壓而失去能量,最終燒毀。4
使用GaN開關時,如果源極和柵極處于相同電位,但使用電感器等連續電流源,則GaN FET將反向導通。
不同于硅MOSFET,GaN開關不包含p-n結體二極管,因此在構建低側開關時,需要在低側開關周圍設計一條備用電流路徑,以允許電流在死區時間內流動。圖1所示為放置在低側GaN開關漏極和源極之間的簡單肖特基二極管(D2)。在電路的死區時間內,該二極管將迅速接管電感電流。
在GaN FET中,由于GaN FET的對稱性,漏極和源極在反向導通期間會發生翻轉。柵極保持在接地電位,但開關節點自偏置為GaN FET的最小導通閾值。這個低電壓是導通GaN FET所需的最小閾值(通常為GND-2V至GND-3V)。由于VGS未優化,RON會受到反向導通的影響。外部肖特基是備用路徑,無需在反向導通時導通GaN FET。
如圖2所示,使用GaN開關時,對電路進行的第二個修改是將電阻與二極管D1串聯,為電路的高側驅動器提供來自INTVCC電源電壓的基本電壓。可能需要這個電阻來限制高側驅動器的峰值電流。
此外,要防止高側驅動器電源電壓上的電壓尖峰過量,可能需要齊納二極管D3。
圖1.使用GaN技術作為LTC7800降壓轉換器功率級中的電源開關時有必要考慮的組件。
雖然圖1中的額外組件看起來相當簡單直接,但要確保該電路在所有工作條件下都能可靠運行,需要在工作臺上進行微調和全面評估。此外,將需要考慮組件的數值在生產環境和老化過程中的變化。最嚴重的風險是GaN開關永久性損壞。
使用特殊GaN控制器
如果開關模式電源的功率級使用GaN開關,要想免去對于保護功能的關鍵評估,一個簡單方法是選擇電源控制器IC。LTC7891單相降壓控制器專為GaN功率級開關而設計。選擇專用GaN控制器可以簡化GaN電源設計,增強其穩健性。前面提到的種種挑戰都可以通過GaN控制器來解決。如圖1所示,采用GaN FET等專用GaN控制器,將大大簡化降壓電源設計。
圖2.專用GaN控制器有助于實現穩健且密集的電源電路
此類專用的開關控制器不僅實現了簡單的設計,還提供所需的靈活性,可與當今市場上的不同GaN開關配合使用。此外,GaN開關技術的發展和創新還遠未結束。未來的GaN開關將不同于當今的產品,而且將變得更加出色。然而,與如今現成的開關相比,未來的GaN開關可能需要采用略微不同的處理方法。圖2中的LTC7891等器件為兩種開關提供專用的上、下柵極驅動引腳。如此一來,便可以單獨控制GaN開關柵極電壓的上升和下降斜率。這有助于完全通過GaN開關驅動功率級,并最大限度減少振鈴和過沖。
如圖2所示,與傳統硅MOSFET降壓控制器的顯著區別在于上升沿和下降沿的單獨柵極驅動引腳。然而,LTC7891與專為硅開關設計的傳統控制器之間還存在許多其他差異。內部Bootstrap開關用于防止高側驅動器在死區時間內過度充電。此功能可以可靠地實現,而不需要依賴外部的組件。
另一個重要特性是智能的近零死區時間控制。該特性可以實現可靠的操作,并顯著提高電源轉換效率,同時還支持高開關頻率。LTC7891的額定開關頻率高達3 MHz。
另一個獨特之處是可以將柵極驅動電壓從4 V精確調整至5.5 V,從而優化市場上各種GaN FET所需的VGS。
使用任意控制器IC
除了使用外部無源修復措施來使傳統硅控制器與GaN開關配合使用,或使用專用GaN控制器之外,工程師也可以考慮使用傳統控制器IC,并利用針對GaN進行了優化的驅動器級。這種方法可解決GaN帶來的挑戰,實現簡單而穩健的設計。圖3為采用LT8418驅動器IC實現的降壓穩壓器功率級。該驅動器采用小巧的WLCSP(晶圓級芯片規模封裝),可實現非常低的寄生電阻和電感,從而降低快速電流變化導致的電壓失調。
圖3.專用GaN驅動器根據來自傳統硅基MOSFET控制器的邏輯PWM信號控制功率級
通過仿真助力電路設計
選定合適的硬件、控制器IC和GaN開關之后,可通過詳細的電路仿真來快速獲得初步評估結果。ADI公司的LTspice提供完整的電路模型,可免費用于仿真。這是學習使用GaN開關的一種便捷方法。圖4所示為LTC7891的仿真原理圖。另提供雙通道版本LTC7890。
圖4.LTspice,一款實用的GaN電源仿真工具
集成寬禁帶
盡管GaN技術非常適合構建FET并將FET用于先進的功率級,但要將GaN用作開關模式電源的控制電路,GaN未必具有這樣的能力,或者不具有足夠的成本效益。因此,在可預見的未來,我們將采用混合方法。控制電路將以硅為基礎,通過高度優化的控制和驅動電路來驅動高功率GaN開關。就目前的技術而言,這種方法是可行的,且具有成本競爭力。然而,這將需要在一個電路中使用多個裸片。如本白皮書中的示例所示,可以采用單獨的GaN開關,也可以采用ADI的全集成混合方法,將多個裸片集成在電源轉換器CI或μModule?電源解決方案中,并集成電感器等多種無源元件。
如前所述,生長大尺寸、高質量的GaN依然是個難題。金剛石基GaN是制造GaN開關的一種方法。然而,自大約2010年以來,硅基高電子遷移率晶體管(HEMT)成為GaN制造的主流選擇,因為HEMT可能實現更大的晶圓直徑,與現有硅加工基礎設施相關的成本也更低。2 HEMT在早期遇到的技術挑戰也已解決。但HEMT技術還需要經過多年的進一步開發。使用HEMT方法時,GaN器件使用硅晶圓上的GaN外延制成,因此不會像硅或SiC那樣生長為體晶。
針對采用GaN開關的寬禁帶電源,請參見表1,了解ADI目前提供的產品。
表1.專為GaN電源開關設計的現有電源管理器件
GaN技術的未來
GaN技術在開關模式電源領域已經取得了許多成果,可用于許多電源應用。未來,GaN開關技術仍將持續迭代更新,進一步探索應用前景。ADI公司現有的GaN開關模式電源控制器和驅動器靈活且可靠,能夠兼容當前及今后由不同供應商研發的GaN FET。
現在,我們正朝著實現GaN應用的方向努力,而且在許多方面已經取得了進展。首先,如今的GaN開關本身已十分穩健。但對于這項相對較新的技術,要讓用戶完全接受和認可開關的可靠性,還需要時間和進一步的技術發展。其次,GaN開關的制造工藝將進一步改進,提高良率,降低缺陷密度,從而降低成本并提高GaN開關的可靠性。再者,越來越多的專用GaN驅動器(如LT8418)和開關控制器(如LTC7890和LTC7891降壓控制器)推向市場,能夠簡化基于GaN的開關模式電源的實現。
常見的GaN電壓是100 V和650 V。因此,第一批采用GaN技術的電源的最大電壓范圍為100 V和650 V。而GaN的一些特性,尤其是所需的柵極電荷較小這一特性,在電壓下降至較低水平時也依然有效。未來,我們還將看到最大電壓范圍在40V以下的低電壓電源,以便更好地利用GaN的優勢。而且可能會看到電壓高達1000 V的GaN開關,在如此高的電壓下,快速開關非常有用。
結語
以GaN為代表的寬禁帶半導體,正憑借優異特性重塑開關模式電源的設計與應用。雖GaN在柵極驅動等方面存挑戰,但專用控制器(如LTC7891)、驅動器(如LT8418)及仿真工具(如LTspice)已推動其落地應用。目前GaN在100V與650V電源中成效顯著,未來隨工藝成熟與電壓范圍拓展,應用將更廣泛。硅基控制與GaN功率開關的混合架構將成主流,持續創新將讓寬禁帶技術為高效小型化電源提供核心動力。
參考文獻
1 “SEMI報告:2023年全球硅晶圓出貨量和收入下降”,SEMI,2024年2月。
2 Felix Ejeckam、Daniel Francis、Firooz Faili、Daniel Twitchen和Bruce Bolliger,“金剛石基GaN:發展歷史簡介”,2014年Lester Eastman高性能器件會議(LEC)
3 Larry Spaziani和Lucas Lu,“硅、GaN和SiC:所有材料都能大展拳腳”,2018年IEEE第30屆國際功率半導體器件和集成電路年會(ISPSD)。
4 “GaN是否有體二極管?如果有,就正向壓降和反向恢復特性而言,GaN與硅MOSFET相比如何?”,EPC,2022年2月。
5 “P-n結”,大英百科全書。
6 Yaozong Zhong、Jinwei Zhang、Shan Wu、Lifang Jia、Xuelin Yang、Yang Liu、Yun Zhang和Qian Sun,“硅基GaN電力電子器件綜述”,Fundamental Research,第2卷第3期,2022年5月。




