【導讀】在ACDC開關電源設計過程中,當需要實現高效率設計需求時,工程師往往會考慮LLC諧振半橋拓撲結構。LLC拓撲結構可以實現軟開關,因此在開關電源設計尤其是在大功率的開關電源設計過程中往往具有優勢。目前市面上經常可以看到的NCP1399以及NCP13992系列就是安森美(onsemi)LLC拓撲結構控制芯片家族的代表成員。
在ACDC開關電源設計過程中,當需要實現高效率設計需求時,工程師往往會考慮LLC諧振半橋拓撲結構。LLC拓撲結構可以實現軟開關,因此在開關電源設計尤其是在大功率的開關電源設計過程中往往具有優勢。目前市面上經常可以看到的NCP1399以及NCP13992系列就是安森美(onsemi)LLC拓撲結構控制芯片家族的代表成員。
但是在設計過程中,工程師發現在輕載情況下LLC諧振電路工作狀態總是不容易穩定。這是由于LLC拓撲結構本身的特性決定的。因此LLC控制芯片往往會在輕載的時候讓電源進入打嗝模式(SKIP狀態)。
什么時候進入打嗝模式對于LLC諧振半橋設計來說是一個比較艱難的選擇,在負載較大的時候進入打嗝模式,會導致變壓器噪聲等問題,在較小的負載進入打嗝模式又可能會導致輸出電壓不穩定等問題。在一些設計場合,比如LED照明電源,相對于輸出電壓和電流的穩定性來說,工程師往往不太在意輕載效率和待機功耗等問題,因此希望能在盡量小的負載進入打嗝模式甚至不進入打嗝模式。
目前市面上的LLC拓撲結構電源大部分會在10%負載情況下進入打嗝模式,那么有沒有更多的選擇,能在更低負載情況下進入打嗝模式呢?NCL30159,安森美LLC控制芯片家族的新成員,給出了新的選擇項。
產品方案簡介
1. 方案特點
使用onsemi臨界模式的電流型PFC控制器NCL2801,內部集成谷底開通技術,在具備優良的THD和PF值性能基礎上,還擁有優秀的效率表現;
使用安森美的最新電流型LLC拓撲結構驅動芯片NCL30159,在NCP1399和NCP13992的基礎上,增加了原邊恒流功能,并對輕載時候的打嗝工作模式進行了優化;
簡易的外部線路,有利于簡化PCB布板工作;
完善的保護:OTP,OVP,OCP等;
2. 方案簡易結構框圖
3. 應用領域
高PF值,低THD,高效率等應用場合,比如LED照明行業;
方案應用實例
1. 方案實物圖
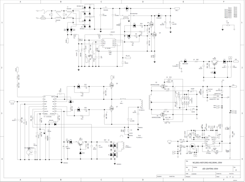
2. 典型應用原理圖以及線路介紹
PFC部分使用onsemi的NCL2801產品,SOIC-8封裝,外圍線路簡單。FB腳為輸出電壓采樣信號輸入端,作為反饋信號輸入端的同時還有輸出電壓OVP功能保護。MULT腳外置電阻分壓,采樣輸入AC電壓,用于判定輸入電壓范圍以及設置BO功能保護。
在設計過程中,還需要注意CS腳外部電阻(R10)的取值:R10阻值固定為4檔,分別是150Ω,330Ω,620Ω以及1000Ω。R10的取值大小決定了負載大小變化時,MOS管開關過程中的第一個固定跳變CTRL腳的電壓大小,R10取值越大,第一個谷底跳變時的負載就越大。我們推薦使用150Ω或者330Ω電阻,在擁有較好THD表現的同時,也有較好的效率表現。
LLC部分使用安森美的最新LLC結構控制芯片NCL30159,SOIC-16封裝。作為電流型控制的LLC控制器,擁有快速的反饋環反應速度,具有優秀的動態響應表現。
. NCL30159內置高壓啟動腳HV腳,可以耐受最大720V的啟動電壓。
. PFCFB腳內部內置1V電壓基準,檢測PFC部分電壓,用于設置LLC電路的啟動電壓點。SKIP腳內置20uA恒流源,外置對地電阻產生電壓與FB電壓比較,用于設置NCL30159進入SKIP模式的負載點。
. LLCCS腳內置2.72V(版本不同會有差異)基準,通過外部電容分壓(C15,C16以及R30)檢測諧振電容上電壓,用于實現原邊諧振腔電流大小檢測以及OCP保護。
. PFCMODE腳為電壓輸出端,當VCC電壓高于Vcc_on之后,PFCMODE會有一個穩定的電壓輸出(正常工作狀態時為12V左右),該電壓可以用于給PFC部分控制器VCC腳供電。
反饋環路電路使用onsemi新發布的芯片產品NCL38046。該產品SO-8封裝,內部集成CC/CV反饋功能,并且內置PWM調光和模擬調光功能,極大簡化了LED照明電源副邊反饋線路。
3. 優化打嗝工作模式,更低負載進入打嗝模式
4. 優秀的調光精度和效率表現
5. 優秀的PF值和THD表現
方案應用總結
作為在市場經過驗證的PFC和LLC控制器,NCL2801、NCP1399和NCP13992以其優秀的表現贏得了非常多電源工程師的認可和青睞。在此基礎上,NCL30159增加了原邊恒流功能,高壓啟動腳耐壓提升到720V,并且優化了輕載時候的打嗝工作模式,使得NCL30159在功能上更加完善,并且極大改善了輕載時候打嗝模式不易調試的痛點。
免責聲明:本文為轉載文章,轉載此文目的在于傳遞更多信息,版權歸原作者所有。本文所用視頻、圖片、文字如涉及作品版權問題,請聯系小編進行處理。
推薦閱讀:
IU8202 適用于OWS耳機的無POP聲超低功耗400mW單聲道G類耳放IC方案






