【導讀】以下將介紹電機、變壓器、接觸器、晶閘管、自耦調壓器等各種常用接線方法,總共41種,你想找的,這里都有,一起來看看吧。
01電動機接線
一般常用三相交流電動機接線架上都引出6個接線柱,當電動機銘牌上標為Y形接法時,D6、D4、D5相連接,D1~D3接電源;為△形接法時,D6與D1連接,D4與D2連接,D5與D3連接,然后D1~D3接電源。可參見圖1所示連接方法連接。

圖1:三相交流電動機Y形和△形接線方法
02三相吹風機接線
有部分三相吹風機有6個接線端子,接線方法如圖2所示。采用△形接法應接入220V三相交流電源,采用Y形接法應接入380V三相交流電源。一般3英寸、3.5英寸、4英寸、4.5英寸的型號按此法接。其他吹風機應按其銘牌上所標的接法連接。

圖2:三相吹風機六個引出端子接線方法
03單相電容運轉電動機接線
單相電動機接線方法很多,如果不按要求接線,就會有燒壞電動機的可能。因此在接線時,一定要看清銘牌上注明的接線方法。
圖247為IDD5032型單相電容運轉電動機接線方法。其功率為60W,電容選用耐壓500V、容量為4μF的產品。圖3(a)為正轉接線,圖3(b)為反轉接線。

圖3:IDD5032型單相電容運轉電動機接線方法
04單相電容運轉電動機接線

圖4:JX07A-4型單相電容運轉電動機接線方法
圖4是JX07A-4型單相電容運轉電動機接線方法。電動機功率為60W,用220V/50Hz交流電源、電流為0.5A。它的轉速為每分鐘1400轉。電容選用耐壓400~500V、容量8μF的產品。圖4(a)為正轉接線,圖4(b)為反轉接線。
05單相吹風機接線

圖5:單相吹風機四個引出端子接線方法
有的單相吹風機引出4個接線端子,接線方法如圖5所示。采用并聯接法應接入110V交流電源,采用串聯接法應接入220V交流電源。
06 Y100LY系列電動機接線
目前,Y系列電動機被廣泛應用。Y系列電動機具有體積小、外形美觀、節電等優點。它的接線方式有兩種:一種為△形,它的接線端子W2與U1相連,U2與V1相連,V2與W1相連,然后接電源;另一種為Y形,接線端子W2、U2、V2相連接,其余3個接線端子U1、V1、W1接電源。接線見圖6。

圖6:Y100LY系列電動機接線方法
07低壓變壓器短路保護線路
目前,機床的工作燈、行燈都采用低壓變壓器提供36V安全電壓,由于燈具在使用中經常移動,極易發生短路故障,造成熔斷器熔斷甚至燒壞變壓器。如果使用36V小型中間繼電器或36V交流接觸器做變壓器的通斷開關,可避免燒壞變壓器。線路如圖7所示。

圖7:低壓變壓器短路保護線路
工作原理:閉合S后,按下按鈕SB1,變壓器得電輸出36V低電壓,使得繼電器或交流接觸器KA吸合。放松按鈕SB1后,KA自鎖觸點使KA保持吸合,繼續給變壓器接通電源。如果變壓器次級發生短路故障,繼電器線圈電壓為零,此時KA便失電釋放,將變壓器電源斷開,保護變壓器不被破壞。
08雙速電動機2Y/2Y接線方法
圖8所示是2Y/2Y電動機雙速定子線組的引出線接線方法。
按圖8(a)連接是一種轉速,按圖8(b)連接得到另一種轉速。

圖8:雙速電動機2Y/2Y接線方法
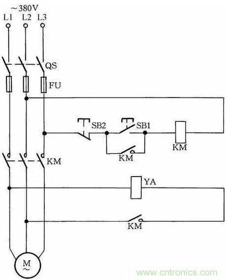
09直流電磁鐵快速退磁線路
直流電磁鐵停電后,因有剩磁存在,有時會造成不良后果。因此,必須設法消除剩磁。圖9中,YA是直流電磁鐵線圈,KM是控制YA啟停的接觸器。KM吸合時,YA通電勵磁;KM復位時,YA斷直流電,并進行快速退磁。
快速退磁的工作原理是:直流電磁鐵斷電后,交流電源通過橋式整流器和YA向電容C充電,隨著電容C兩端電壓的不斷升高,充電電流越來越小,而通過YA的電流又是交變的,從而使電磁鐵快速退磁。電容C的容量要根據電磁鐵的實際情況現場試驗決定。R為放電電阻。

圖9:直流電磁鐵快速退磁線路
10防止制動電磁鐵延時釋放線路
采用交流電磁鐵制動的三相異步電動機有時會因制動電磁鐵延時釋放,造成制動失靈。造成電磁鐵延時釋放的原因是接觸器的主回路電源雖被切斷,但電動機由于剩磁存在,定子繞組產生感應電動勢加在交流電磁鐵上,使電磁鐵不會立即釋放。解決方法很簡單,只要在交流電磁鐵線圈上串入一個交流接觸器常開觸點,使得斷開電動機電源的同時斷開電磁鐵與電動機繞組線圈,即可使電磁鐵立即釋放。線路參見圖10。
線路中YA為制動電磁鐵,在通電后,制動解除;在斷電后,YA立即制動。

圖10:防止制動電磁鐵延時釋放線路
11他勵直流電動機失磁保護線路
他勵直流電動機勵磁電路如果斷開,會引起電動機超速,產生嚴重不良后果,因此需要進行失磁保護。
在勵磁電路內,串聯一個欠電流繼電器KI,其常開觸點接在控制電路中。當勵磁電流消失或減小到設定值時,KI釋放,KI常開觸點斷開,切斷電動機電樞電源,使電動機停轉,從而避免超速現象發生,見圖11。

圖11:他勵直流電動機失磁保護線路
12缺輔助觸點的交流接觸器應急接線
當交流接觸器的輔助觸點損壞無法修復而又急需使用時,采用圖12中所示的接線方法,可滿足應急使用要求。按下SB1,交流接觸器KM吸合。放松按鈕SB1后,KM的觸點兼作自鎖觸點,使接觸器自鎖,因此KM仍保持吸合。
圖中SB2為停止按鈕,在停止時,按動SB2的時間要長一點。否則,手松開按鈕后,接觸器又吸合,使電動機繼續運行。這是因為電源電壓雖被切斷,但由于慣性的作用,電動機轉子仍然轉動,其定子繞組會產生感應電動勢,一旦停止按鈕很快復位,感應電動勢直接加在接觸器線圈上,使其再次吸合,電動機繼續運轉。
接觸器線圈電壓為380V時,可按圖12(a)所示接線;接觸器線圈電壓為220V時,可按圖12(b)接線。圖12(a)的接線還有缺陷,即在電動機停轉時,其引出線及電動機帶電,使維修不大安全。因此,這種線路只能在應急時采用,并在維修電動機時,應斷開控制電動機的總電源開關QS,這一點應特別注意。

圖12:缺輔助觸點的交流接觸器應急接線
13加密的電動機控制線路

圖13:加密的電動機控制線路
為防止誤操作電氣設備,并防止非操作人員啟動某些設備開關按鈕,可采用加密的電動機控制線路,如圖13所示。操作時,首先按下SB1按鈕,確認無誤后,再同時按下加密按鈕SB3,這樣控制回路才能接通,KM線圈才能吸合,電動機M才能轉動起來。而非操作人員不知其中加密按鈕(加密按鈕裝在隱蔽處),故不能操作此設備開關。
14交流接觸器低電壓啟動線路
當供電電壓在交流接觸器吸引線圈額定電壓的85%以下時,啟動接觸器銜鐵將跳動不止,不能可靠吸合,在交流接觸器的控制回路中串聯一只整流管,改為直流啟動交流運行,就可以避免上述問題。交流接觸器低電壓啟動線路如圖14所示。按下按鈕SB1,經二極管VD半波整流的直流電壓加在交流接觸器KM線圈上,KM吸合。其輔助觸點將二極管VD短接,交流接觸器投入交流運行。

圖14:交流接觸器低電壓啟動線路
因為啟動電流較大,所以這種線路只適用于操作不頻繁的場合。線路中,VD應選用耐壓大于700V的二極管,電流要根據交流接觸器線圈電流而定。
15 HF-4-81系列發電機控制線路

圖15:HF-4-81系列發電機控制線路
HF-4-81系列發電機控制線路如圖15所示,它與T2XV系列小型三相同步發電機配套。同步發電機的勵磁系統采用電復合相復勵調壓。發電機端電壓經線性電抗器L移相,然后與發電機負荷電路中的電流互感器5TA~7TA二次電壓合成,經三相橋式整流器整流后,供發電機GS勵磁自動調壓。
16單相電容電動機線路
單相電容電動機啟動轉矩大,啟動電流小,功率因數高,廣泛應用于家用電器中,如電風扇、洗衣機。為了便于維修安裝,現介紹這種電動機常用的接線方法。
圖16(a)為可逆控制線路,操縱開關S2,可改變電動機的轉向,該線路一般用于家用洗衣機上。
圖16(b)為帶輔助繞組的接線線路,撥動開關S,可改變輔助繞組的抽頭,即改變主繞組的實際承受電壓,從而改變電動機的轉速,此接線方法常用于電風扇上。
圖16(c)為帶電抗器調速的電容電動機接線線路。由于電抗器繞組(其在線路中起到降壓作用)的串入,調節電抗器繞組的串入量,即可改變轉速。這種方法目前廣泛應用在家用電風扇線路中。在啟動電動機時一般先撥到“1”擋上,即為高擋,這時電抗器不接入線路,使電動機在全壓下啟動,然后再撥“2”擋或任何擋來調節電動機轉速。

圖16:單相電容電動機線路
17混凝土攪拌機線路
錐型JZ350型攪拌機線路如圖17所示,工作原理是當把水泥、砂子、石子配好料后,操作人員按下按鈕2SBF后,2KMF接觸器線圈得電吸合,使上料卷揚電動機2M正轉,料斗送料起升。當升到一定高度后,料斗擋鐵碰撞行程開關1SQ和2SQ,使2KMF斷電釋放。
這時料斗已升到預定位置,把料自動倒到攪拌機內,并自動停止上升。此時操作人員按下下降按鈕2SBR時,卷揚系統帶動料斗下降,待下降到其料口與地面平齊時,擋鐵碰撞行程開關3SQ,使2KMR接觸器斷電釋放,自動停止下降,為下次上料做好準備,這時攪拌機料已備好,操作人員再按下3SB1,3KM接觸器得電吸合,使供水抽水泵電動機3M運轉,向攪拌機內供水,與此同時,時間繼電器KT得電工作,待供水與原料成比例后(供水時間由KT時間繼電器調整確定,根據原料與水的配比確定),KT動作延時結束,從而使3KM自動釋放,供水停止。
加水完畢即可實施攪拌。按下1SBF正轉按鈕,1KMF得電吸合,1M正轉攪拌,攪拌完畢后按下1SB停止按鈕即可停止。出料時,按下1SBR按鈕,1M反轉即可把混凝土泥漿自動攪拌出來。然后按下1SB,接觸器1KMR斷電釋放,1M停轉,出料停止。

17
圖17:混凝土攪拌機線路
18自制實用的絕緣檢測器
圖18所示是自制的絕緣檢測器線路,它既可用作線路絕緣監視,又可代替兆歐表檢查電機、測電器的絕緣電阻。當合上隔離開關QS,在相電壓作用下,整個繞組和接地外殼之間的泄漏電流流過絕緣層和電阻R1、R2。
如果絕緣電阻合乎標準(即絕緣電阻值大于0.5MΩ),則泄漏電流很小時,在R2上的電壓降小于氖泡的點燃電壓,Ne不亮;當任意兩相或三相同時對機殼的絕緣電阻降低時,泄漏電流大增,使氖泡Ne點燃,從而可判定絕緣不合格。

圖18:自制實用的絕緣檢測器
19三相異步電動機改為單相運行線路
如果只有單相電源和三相異步電動機供使用,可采用并聯電容的方法使三相異步電動機改為單相運行。
如圖19所示:圖(a)為Y形接法電動機連接方法,圖(b)為△形接法電動機連接方法。為了提高啟動轉矩,將啟動電容CQ在啟動時接入線路中,在啟動完畢后退出。
工作電容CG容量的計算公式
CG=1950I/Ucosφ(μF)
式中:I為電動機額定電流;U為單相電源電壓;cosφ為電動機的功率因數。當計算出工作電容后,啟動電容選用工作電容的1~4倍。

圖19:三相異步電動機改為單相運行線路
20熱繼電器校驗臺
熱繼電器在長期通電過程中易出現熱老化現象,使其動作特性改變。要保持特性的一致性和穩定性,一個最重要的措施就是對熱繼電器進行定期校驗。
熱繼電器校驗臺如圖20所示,它主要由調壓器TV、降壓變壓器T、電位器RP、410型毫秒表等元件組成。
三相雙金屬片(熱繼電器FR)應串聯起來,接入試驗回路。校驗前,先檢查熱繼電器的刻度電流與電動機的額定電流是否相符。然后給熱繼電器通以1.05IN(額定電流,通過調整RP實現)電流,檢查其同步性,即三相雙金屬片是否同時接觸。如不同步,則用平口鉗鉗住雙金屬片與支架點焊處,來調整同步性。
同步性調好后,首先做啟動試驗,給熱繼電器FR通以6IN的電流,它在5s內不應動作;其次做運行試驗,給FR通以1.05IN電流,使熱繼電器加熱到穩定熱態,過30min后,慢慢地調節RP,使FR動作,再稍往回旋一點,使FR觸點斷開;再將試驗電流提高到1.2IN,此時FR應在20min內動作。這樣,熱繼電器的整定校驗方告結束。
調整校驗時應注意以下兩點:①不允許用鉗子鉗彎雙金屬片,以免影響保護的穩定;②校驗連接導線應有足夠的截面積,以免影響動作時間。

圖20:熱繼電器校驗臺





