- 基于CCD技術的非接觸在線檢測儀設計
- 探究CCD 光電檢測系統
- 基于CCD 在線非接觸檢測的實例來解決
1.引言
檢測技術是一門應用非常廣泛的技術。在許多領域都會對各種加工件、各種運動物體進行檢測,以保證產品的合格率和生產、生活的安全性。傳統的檢測方法有人工檢測,也有用機械式、光學式或電磁式檢測儀器進行的檢測。尤其是人工檢測全憑實際工作經驗,若部件結構復雜,不但增加了工人的勞動強度,而且精度、效率也會隨之降低,既不能完成非接觸檢測,又不能實現在線檢測,同時還增加了檢測時給工作人員所帶來的危險性。因此,隨著科技的日新月異,勢必要有一種更加完美的檢測技術,那就是CCD 技術。 在此,以一個基于CCD 在線非接觸檢測的實例——《拉升鋼絲繩直徑的在線檢測儀》對CCD 技術進行 一下探討。
2.系統組成
整個檢測系統由照明系統、被測工件系統、成像物鏡、CCD 光電檢測系統和計算機測控系統(8031 單片機和8279 鍵盤/顯示芯片等)構成。穩壓穩流調光電源為遠心照明系統提供穩定的照明光,被照明的工件經成像物鏡成像在線陣CCD 的光敏陣列面上。由于工件不透光,工件的像在中間部分形成暗帶,兩側形成亮帶。 暗帶的寬度就是工件尺寸所成像的大小。線陣CCD 在驅動脈沖的作用下完成光電轉換并產生視頻信號。其系 統原理圖如圖1。

3.CCD 光電檢測系統
在CCD 光電檢測系統中,CCD 的選型是十分重要的。CCD 的種類繁多,而且它們都有各自的特點和不同的應用,所以CCD 型號的正確與否將直接影響到所測信息的正確與否。在本系統中要求的測量范圍為15mm~45mm,測量精度和相對要求較高,所以只要選擇1000 像元以上 的線陣CCD 就可以滿足本測量系統的精度要求。因此本系統應選用TCD1206UD,它的有效像元數為2160,像元尺寸為0.014×0.014mm,像元中心距為0.014mm,足以滿足本測量系統的要求。
該器件的主要技術指標:
像元單元數2160 像元總長為30.24mm
像元中心距14μm 驅動頻率1MHz
行周期2.5ms 靈敏度45 V/lx·s
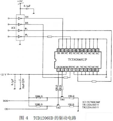
在1MHz 數據率情況下工作時,有效像元輸出時間為2.16ms,鋼絲繩直徑信號產生于2.16ms 期間。輸出信號的暗電平可控制在1.0V 左右。而高電平可接近10V,相差比較大。當光學系統調整得比較好時,圖像邊緣的信號比較陡,測量誤差較小。TCD1206UD 的工作原理和驅動電路如下:

(1)工作原理。 TCD1206UD 在圖2 所示的驅動脈沖作用下工作。當ΦSH 脈沖的高電平到來時,正值Φ1 電極下均形成深勢阱,同時ΦSH 的高電平使Φ1 電極下的深勢阱與MOS 電容存儲勢阱溝通。
如圖3 所示,MOS 電容中的信號電荷包通過轉移柵轉移到模擬移位寄存器的Φ1 電極下的勢阱中。當 ΦSH 由高變低時,ΦSH 低電平形成的淺勢阱將存儲柵下勢阱與Φ1 電極下的勢阱隔離開。存儲柵勢阱進入光 積分狀態,而模擬移位寄存器將在Φ1 與Φ2 脈沖的作用下驅使轉移到Φ1 電極下勢阱中的信號電荷向左轉移, 并經輸出電路由OS 電極輸出。由于結構上的安排,OS 端首先輸出13 個虛設單元信號,再輸出51 個暗信號, 然后才連續輸出S1 到S2160 的有效像素單元信號。第S2160 信號輸出后,又輸出9 個暗信號,再輸出2 個奇 偶檢測信號,以后便是空驅動。空驅動數目可以是任意的。由于該器件是兩列并行分奇、偶傳輸的,所以在 一個ΦSH 周期內至少要有1118 個Φ1 脈沖,即TSH>1118T1。ΦR 為復位級的復位脈沖,復位一次輸出一個 信號。


[page]
4.二值化數據采集與單片機接口
本系統是用于運動過程中的工件尺寸的檢測。由于工件在運動過程中會因擺動而發生位置變化,從而導致CCD 輸出的視頻信號幅值浮動,而且光源強度變化也會引起CCD 的視頻信號起伏變化,如果選用浮動閾值法,當由于上述原因引起CCD 的視頻信號起伏變化時,可以通過電路將光源的起伏或CCD 視頻信號的起伏變 化反饋到閾值上,使閾值電位跟著變化,從而使CCD 視頻信號經二值化電路后產生的方波脈沖的寬度基本不變。所以選用浮動閾值法的二值化處理方法。
CCD 驅動器除產生CCD 所需要的各種驅動脈沖,還要產生行同 步脈沖ΦC 和用作二值化計數的輸入脈沖Φt,要求ΦC 與SH 同周期,ΦC 的上升沿對應于CCD 輸出信號的第 一個有效像素單元,要求Φt 脈沖頻率是復位脈沖ΦR 頻率的整數倍。將定時器T0 的方式寄存器TMOD 的GATE 位置1,這里定時器T0 受外部引腳輸入電平的控制,即INT0 控制T0 的運行。將二值化電路輸出的方波脈沖 信號和行同步脈沖ΦC 一起輸入“與”門,它們的輸出信號接到單片機的INT0 引腳,并由INT0 來控制單片 機定時器T0 的啟動,同時將復位脈沖ΦR 接到單片機的P3.4 引腳。當行同步脈沖ΦC 和二值化方波脈沖信號都出現高電平時,“與”門輸出的也是高電平,用這個高電平去啟動單片機的定時器T0 對復位脈沖ΦR 進 行記數,當行同步脈沖ΦC 和二值化方波脈沖信號有一個出現低電平時,“與”門輸出的Y 也為低電平,定時器T0 停止記數。這里定時器T0 所記的數即為復位脈沖數,由于復位脈沖ΦR 與CCD 像元同周期,幫定時器 T0 所記的數即為二值化方波脈沖信號高電平所覆蓋像元數。這樣便完成了CCD 輸出信號的處理工作,在定時器T0 中記下了與工件尺寸有關的數據,即CCD 像元數。在光學系統中的放大率為1,所以用測量所得的像元 數去乘以CCD 的像元中心距,其結果就是在誤差允許范圍內的工作尺寸的真實值。
5.程序流程圖
由此程序流程圖便可以完成匯編程序的編制,在此不再詳述。


由于機械式、光學式、電磁式的測量儀器的制造技術已十分成熟,因此,在目前的檢測領域中,它們還占據著重要位置。但是相信隨著制造技術的提高,CCD 像感元件的制作成本將會隨之降低,而其精度卻會進 一步提高。到那時不管在精密檢測領域,還是在一般檢測系統中將會大量地應用CCD 技術,CCD 技術將成為將來檢測領域的主導技術。







