【導讀】PC電源又稱電腦電源,是電腦各部件供電的樞紐,是電腦的重要組成部分。主要作用是將220V交流電(全球不同國家電壓不同,做到80V-264Vac全球通用)變換為+5VSB、+5V、+12V、-12V、+3.3V等穩定可靠的直流電源,供給主機箱內的系統板、各種適配器和擴展卡、 硬盤驅動器 、光盤驅動器等系統部件及鍵盤和鼠標使用,具有體積小,效率高等優點,同時兼有過流(OCP)、過壓(OVP)、過溫(OTP)保護。
PC電源又稱電腦電源,是電腦各部件供電的樞紐,是電腦的重要組成部分。主要作用是將220V交流電(全球不同國家電壓不同,做到80V-264Vac全球通用)變換為+5VSB、+5V、+12V、-12V、+3.3V等穩定可靠的直流電源,供給主機箱內的系統板、各種適配器和擴展卡、 硬盤驅動器 、光盤驅動器等系統部件及鍵盤和鼠標使用,具有體積小,效率高等優點,同時兼有過流(OCP)、過壓(OVP)、過溫(OTP)保護。

一、正激式PC電源介紹
正激式開關電源在硬開關應用中有單管正激和雙管正激兩種。
單管正激,由于變壓器需要增加額外的磁復位繞組,在主開關MOS管關斷時,MOS管會承受兩倍于輸入電壓的應力,因此在該類拓撲應用中推薦瑞森半導體800V、900V的超高壓MOS管,以應對電壓變化帶來的沖擊。
雙管正激,它是非常穩定的拓撲結構,工作頻率不高,也不會出現過大的沖擊電流,對MOS管的要求相對寬松,每個MOS理論上的電壓為直流母線電壓,對應推薦瑞森半導體500V、650V的高壓MOS,同時Rdson較小,可進一步提高效率,通常應用于計算機主電源,中等功率通信電源,變頻器等輔助電源。

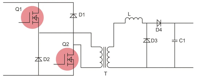
二、正激式典型應用拓撲圖

三、典型應用案例
1、單端正激300W-500W,經典IC 3842-3845:
主推RS9N90F / RS8N80F / RS10N80F (一機1PCS);
2、雙管正激(雙晶正激),經典IC CM6805 / 6800 / 6109,功率:350W-2000W:
主推500V系列:
TO-220F: RS9N50F / RS10N50F / RS13N50F / RS15N50F / RS18N50F / RS20N50F / RS25N50F;
TO-247: RS20N50W / RS25N50W / RS28N50W / RS30N50W;
四、瑞森半導體產品選型推薦
瑞森半導體在PC電源上主推超高壓MOS、高壓MOS推薦如下產品選型表:

免責聲明:本文為轉載文章,轉載此文目的在于傳遞更多信息,版權歸原作者所有。本文所用視頻、圖片、文字如涉及作品版權問題,請聯系小編進行處理。
推薦閱讀:




