【導讀】微處理器、FPGA、DSP、模數轉換器 (ADC) 和片上系統 (SoC) 器件一般需要多個電壓軌才能運行。為防止出現鎖定、總線爭用問題和高涌流,設計人員需要按特定順序啟動和關斷這些電源軌。此過程稱為電源時序控制或電源定序,目前有許多解決方案可以有效實現定序。
微處理器、FPGA、DSP、模數轉換器 (ADC) 和片上系統 (SoC) 器件一般需要多個電壓軌才能運行。為防止出現鎖定、總線爭用問題和高涌流,設計人員需要按特定順序啟動和關斷這些電源軌。此過程稱為電源時序控制或電源定序,目前有許多解決方案可以有效實現定序。
此外,為有效進行升壓和關斷而應運而生的各種電源定序器、監視器和監控器還采用了電壓和電流水平監控技術來計算功率水平,目的是保護復雜的集成電路和子組件。
本文將詳細介紹電源定序,探討電源定序規范和技術,以及如何使用電源定序器來實現指定的電源軌定時及定序。
為什么要關注電源定序?
FPGA 及類似的復雜集成電路 (IC) 可在內部分解成多個功率域。在啟動或關斷器件時,此類 IC 大多需要特定的順序。例如,FPGA 通常需要分別為內核邏輯、I/O 和輔助電路上電。
其內核通常包括 FPGA 的處理器和基本邏輯單元。該功率域具有低電壓、高電流功率規范特征。由于電壓極低,因此其對精度要求極高,而由于數字負載的動態特性,瞬態性能必須非常出色。I/O 代表 FPGA 的各種輸入和輸出。電壓要求取決于接口類型。一般來說,其電壓電平需大于內核的電壓電平。電流要求則取決于 I/O 的類型、數量和速度。
輔助電路包括 FPGA 中的噪聲敏感型模擬電路,例如鎖相環 (PLL) 和其他模擬電路元件。雖然電流要求相當低,但紋波電壓是個大問題,必須最大程度地降低紋波電壓。模擬部分的紋波可能會導致 PLL 出現過大抖動和相位噪聲,還可能導致放大器出現雜散響應。
以錯誤順序啟動各功率域的電源可能會引起問題,并可能導致 FPGA 受損。需要考慮的是,I/O 部分基于三態總線收發數據,而內核負責處理 I/O 控制。如果 I/O 功率域在內核之前上電,則 I/O 引腳會以不確定狀態結束。如果外部總線組件上電,則可能存在總線爭用問題,導致 I/O 驅動器出現高電流。因此,內核應在 I/O 功率域之前啟動。請務必查閱供應商的 FPGA 規范,了解推薦的電源啟動和關斷順序以及電源軌之間的最大差分電壓。
同樣,功率運算放大器等器件擁有兩個功率域:模擬域和數字域。數字域為放大器的診斷狀態標記提供電源,識別過熱和過流狀態。此外,數字域還支持放大器的使能/關斷功能。該器件規格要求,數字域應在模擬電源之前上電,以便這些狀態標記在模擬域上電之前能夠正常運行。這樣做的目的是防止可能對器件造成損壞。
電源定序方法
通常有三種類型的多軌定序(圖 1)。最常用的方法是順序定序,這種方法是先接通一個電源軌,然后延時,然后再接通下一個電源軌。設置延時的目的是確保第一個電源軌在第二個電源軌啟動之前達到穩壓。

圖 1:三種電源定序技術。不論采用哪種技術,電壓均須以單調方式上升。否則,器件可能會因啟動期間電壓意外下降而無法正確初始化。(圖片:Digi-Key Electronics)
第二種定序技術是比率定序。在該技術中,電源軌會同時啟動并同時達到各自的額定電壓。這就需要電源軌上升時間與電源軌電壓成正比,才能同時實現穩壓。
有些器件可能無法承受達到穩壓之前發生的瞬時電壓差。而這可能導致器件在此期間在一個電源上消耗更高的電流。
第三種方法是同時啟動,這種方法可以最大限度地減少瞬時電壓差,并且可以減少這些壓力的規模和周期。實施這種方法的一種常見方式是同時上電,即:電壓軌以相同速率一起上升,較高的電壓軌(通常是 I/O 電壓軌)在較低電壓軌或內核電壓軌達到其最終值后繼續上升。
不論采用哪種技術,電壓均須以單調方式上升。否則,器件可能會因啟動期間電壓意外下降而無法正確初始化。
另外,可以使用軟啟動來限制啟動期間的涌流。這種做法可以限制啟動期間的電流,從而允許啟動時逐漸對電源軌電容進行充電。
電源關斷順序通常被指定成與啟動順序相反。
選擇使用何種啟動或關斷技術應取決于器件的規格。
電源定序示例
同時啟動相對容易設置。您需要將最高電壓輸出連接到較低電壓穩壓器的輸入上(圖 2)。

圖 2:通過以菊花鏈方式連接穩壓器可以實現 5 V 電源和 3.3 V 電源的同時啟動。(圖片:Digi-Key Electronics)
在本示例中,較高電壓是 5 V 電源。這個 5 V 電壓也饋入 3.3 V 穩壓器。圖中顯示的是 5 V 和 3.3 V 電源同時上升且最小壓差達到 3.3 V 電源穩壓點時的電壓輸出。
該定序技術最好使用定序器集成電路(如 Texas Instruments 的 LM3880)來實現。LM3880 是一款簡單的電源定序器,可通過穩壓器或電源的使能輸入來控制多個獨立的穩壓器或電源。
當 LM3880 啟動時,三個輸出標志將在各個延遲時間后依次釋放,從而允許連接的電源進行啟動。在關斷期間,輸出標志將遵循相反的順序。下圖是一個使用 LM3880 的設計實例,采用 Texas Instruments 的 WEBENCH Power Designer 軟件設計而成(圖 3)。這款免費軟件工具不僅能幫助工程師設計與電源相關的電路,而且還能提供示意圖、材料清單及模擬結果。該圖顯示了示意圖、圖表、使能以及三個標志輸出。
LM3880 的延遲時間和次序是固定不變的,但可通過內置的 EPROM 在工廠進行定制。此外,Texas Instruments 還為 LM3881 定序器提供了電容器可編程延遲功能。

圖 3:Texas Instruments 的 WEBENCH Power Designer 軟件屏幕截圖顯示了 LM3880 設計示意圖以及用于控制外部穩壓器或電源的使能輸入及輸出標志圖表。(圖片:Digi-Key Electronics)
Analog Devices 的 LTC2937 定序器/電壓監控器是一款稍微復雜的電源控制器件。與 LM3880 一樣,LTC2937 可以控制多達六個電源或穩壓器的時序和時間延遲(圖 4)。

圖 4:LTC2937 最多可以控制六個電源時序,同時還可以監控電源軌電壓。通過一根電線可以同步多個器件,最多可控制 300 個電源。(圖片:Analog Devices)
除了最多可對六個電源軌進行定序外,這款定序器還可以監控這些電源軌上的電壓,進而過壓、欠壓、壓降及失控電源啟動檢測。如果發生故障,您可以對該器件進行編程以關斷或重啟電源。錯誤情況將會記錄到內部的 EEPROM 中。LTC2937 可通過 I2C 或 SMBus 進行編程和控制。其編程可借助 Analog Devices 的 LTpowerPlay GUI 軟件進行。EEPROM 支持自主運行且無需軟件。若系統需要六個以上電源軌,只需將多個 LTC2937 鏈接在一起,即可控制多達 300 個電源。
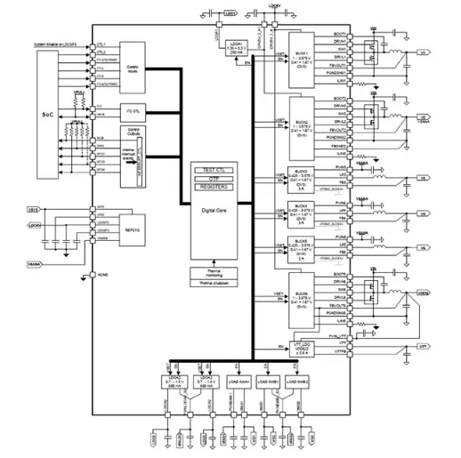
對于復雜的多核處理器、FPGA 以及其他 SOC 器件,Texas Instruments 提供了 TPS650860 可配置多軌電源管理單元。這款單 IC、輸入電壓范圍 5.6 V - 21 V 的電源管理單元包含三個降壓控制器、三個降壓轉換器、一個灌入或拉出低壓差 (LDO) 線性穩壓器、三個低壓輸入 LDO、穩壓器和三個負載開關(圖 5)。

圖 5:Texas Instruments 的 TPS650860 功能框圖顯示了 13 個時序完全受控的穩壓輸出。(圖片:Texas Instruments)
該器件具有 13個穩壓輸出,可滿足 FPGA 或其他負載器件的需求。
其降壓轉換器含內置功率級,而降壓控制器則需要外部功率級。無論是轉換器,還是控制器,均集成了電壓感應輸入來監控電源輸出,從而實現定序控制。其負載開關含有壓擺率控制,可以針對三種定序類型(順序、比率或同時)的任意一種對與這些開關有關的電源軌進行編程。
TPS650860 經由 I2C 接口進行控制,因此可通過嵌入式控制器或相關 SoC 管理器實現簡單的控制。這種電源管理 IC 具有領先的控制靈活性。
免責聲明:本文為轉載文章,轉載此文目的在于傳遞更多信息,版權歸原作者所有。本文所用視頻、圖片、文字如涉及作品版權問題,請聯系小編進行處理。
推薦閱讀:




