【導讀】電動汽車(e-mobility)的增長越來越快,這要歸功于汽車,公共汽車,貨運卡車和帶有電動汽車的踏板車的雪崩。這也導致了采用創新解決方案的電動汽車電池和動力總成制造技術的飛速發展。這些都提高了效率并降低了運營成本。逐步過渡到車輛的48V電源總線和引入高壓電池需要采用適當的熱管理技術。
電動汽車(e-mobility)的增長越來越快,這要歸功于汽車,公共汽車,貨運卡車和帶有電動汽車的踏板車的雪崩。這也導致了采用創新解決方案的電動汽車電池和動力總成制造技術的飛速發展。這些都提高了效率并降低了運營成本。逐步過渡到車輛的48V電源總線和引入高壓電池需要采用適當的熱管理技術。對最關鍵部件(例如電池和充電系統)的溫度進行持續監視和控制,可提高車輛的可靠性,擴大行駛里程,提高駕駛舒適性并減少充電時間。
電動汽車的熱管理比傳統的內燃機汽車更復雜。電動機必須不斷冷卻,而電池必須根據環境條件進行冷卻或加熱。此外,與傳統車輛不同的是,沒有立即可用的浪費熱量來加熱車廂。因此,有必要提供適當的節能措施,例如熱泵。為了使電動機和電池保持在適當的溫度,必要的冷卻回路可以靈活地用于在車內散發熱量。
當冷卻回路吸收熱量時,其溫度升高,需要存在熱交換器,液體或氣態制冷劑在該熱交換器中循環。制冷劑必須具有高的熱容量,以便在相同的占用空間內吸收盡可能多的熱量。通過制冷劑蒸發過程(從液態轉變為氣態),可以將電池冷卻到甚至低于環境溫度的溫度。冷凝期間產生的熱量(從氣態轉變為液態)可以替代地用于在寒冷時期加熱乘客艙。高效的熱管理解決方案可實現更大的自主權,滿足當前和將來對電動汽車的需求。
電動汽車電池監控
安裝在電動汽車上的電池組由數個串聯和并聯連接的電池模塊組成。電池模塊管理所需的電子電路稱為BMS(電池管理系統)。一個BMS包括一個或多個電源轉換級和一個基于微控制器的嵌入式系統,用于處理與電源子系統有關的所有方面。在EV電池充電或放電過程中,必須監視屬于電池組的每個電池單元的狀態。
EV電池可在很小的體積內聚集大量能量。如果不加以管理,則過壓或欠壓情況可能會導致熱失控,進而損壞電池。為此,引入了一種稱為BMIC(電池監視集成電路)的特殊電路,以監視每個電池的電壓和溫度。此信息將發送到電池管理控制器(CMC),并根據系統的復雜性發送到更高級別的電池管理控制器(BMC)。
BMC匯總有關CMC監視的電池電壓的信息,以計算電池的當前充電狀態(SOC)。SOC是評估電池剩余電量的基本參數,從而確定何時需要新的充電。另一個參數是健康狀態(SOH),它提供了重要信息,可以從中得出剩余電池壽命。熱失控尤其具有欺騙性,這些失控是由不同類型的故障觸發的,包括過快地執行充電或放電過程。為了避免這些現象的發生,BMS,CMC和BMC之間的通信必須以盡可能小的延遲進行。
商業解決方案
存在用于監視電動車輛電池性能的解決方案,該解決方案可從諸如STMicroelectronics,Analog Devices和NXP的公司組織購得。
意法半導體(STMicroelectronics)提供廣泛的電動汽車電池監視解決方案組合,可在48V和高壓電池組中提供高精度測量。圖1顯示了典型BMS體系結構的框圖,其中幾個電池管理IC用于檢測每個電池組電池的電壓,電流和溫度。適用于EV電池管理的AEC-Q100合格IC的一個例子是L9963,這是一種用于高可靠性汽車應用和儲能系統的鋰離子電池監視和保護芯片。可以監視多達14個堆疊的電池,以滿足48 V和更高電壓系統的要求。該信息可以通過SPI通信或隔離接口進行傳輸。多個L9963可以菊花鏈形式連接,并通過變壓器隔離的接口與一個主機處理器通信,具有高速,低EMI,長距離和可靠的數據傳輸的特點。

圖1:電池管理系統框圖
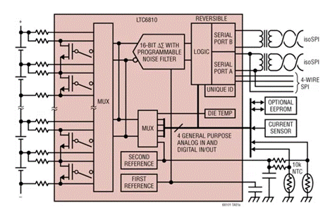
ADI公司提供了廣泛的電池管理系統設備組合,可靈活支持幾乎所有的EV電池系統架構。的LTC6810(圖2),例如,措施多達6串聯連接的電池單元具有小于1.8mV總測量誤差。LTC6810的電池測量范圍為0V至5V,使其適用于大多數電池架構。可以串聯連接多個設備,從而可以同時監視長的高壓電池組的電池。每個LTC6810都有一個isoSPI接口,用于高速,抗射頻干擾的長距離通信。

圖2:LTC6810框圖
恩智浦為多種汽車應用提供功能強大,安全且可擴展的BMS IC。MC33771是一個例子,它是專為汽車應用(例如HEV,EV,電動自行車和電動踏板車)設計的鋰離子電池單元控制器IC。該器件具有差分電池電壓和電流的ADC轉換以及庫侖計數和溫度測量功能。它還支持標準SPI和與變壓器隔離的菊花鏈與MCU的通信,以進行處理和控制。
(來源:中電網,作者:Stefano Lovati)
免責聲明:本文為轉載文章,轉載此文目的在于傳遞更多信息,版權歸原作者所有。本文所用視頻、圖片、文字如涉及作品版權問題,請電話或者郵箱editor@52solution.com聯系小編進行侵刪。
推薦閱讀:
12V升30V大功率2x100W雙聲道D類音頻功放升壓組合解決方案





