【導讀】直流恒流源的輸出電流,是相對穩定而非絕對不變的,它只是變化很小,小到可以在允許的范圍之內。本論文設計了基于單片機的數控恒流源,該系統由恒流源主電路和單片機最小系統組成。
直流恒流源的輸出電流,是相對穩定而非絕對不變的,它只是變化很小,小到可以在允許的范圍之內。產生變化的原因是多方面的,主要有以下幾個因素:(1)電網輸入電壓不穩定所致 電網供電有高峰期和低谷期,不可能始終穩定如初。(2)由負載變化形成的比如負載短路,負載電流會很大,電源的輸出電壓會趨于接近于零,時間一長還會燒壞電源。(3)由穩定電源本身條件促成的 構成穩定電源的元器件質量不好,參數有變化或完全失效時,就不可能有效地調節前兩種原因引起的波動。(4)元器件因受溫度、濕度等環境影響而改變性能也會影響穩定電源的輸出不穩。恒流源設計中主要針對以上第3 和第4 個因素設計了基于數字控制的直流恒流源,可以提高恒流源輸出電流的穩定性。
一.數字控制直流電流源系統工作原理
本論文設計了基于單片機的數控恒流源,該系統由恒流源主電路和單片機最小系統組成,其中單片機最小系統主要由單片機控制單元、A/ D 和D/ A 轉換模塊以及負載及鍵盤顯示模塊組成,系統結構框圖如圖1所示。單片機控制系統以單片機AT89S52 為核心,高精度12 bit A/ D 芯片AD1674 實現采樣輸入,12 bitD/ A 芯片DAC1230 產生控制輸出,實現了輸出電流的精確設定和檢測,系統還設置了串口通訊功能。
技術指標:輸入電壓180 V ~250 V/50 Hz,輸出電流范圍為20 ~2 000 mA,具有“ +”、“ -”步進調整功能,步進《=10 mA;輸出電流最大偏差小于1 mA,紋波電流小于0. 05 mA.數控直流電流源系統框圖如圖1 所示。

圖1 數控直流電流源系統框圖
1. 1 恒流源電路設計
恒流源電路原理結構圖如圖2 所示,由于D/ A轉換輸出的模擬信號不穩定,加上C3 穩定電壓。經過3.6 K 的電阻和1 K 的電位器加到單運放OP07 的同相輸入端,調節電位器的阻值的大小可調節同相輸入端的電位,從而改變輸出點的電位,輸出電位加到達林頓管的B 管腳上,進入達林頓信號產生自激信號,通過C1過濾掉。利用達林頓管的電流放大特性,可實現大電流的輸出,電流放大倍數為1 000 ~15 000倍。

圖2 恒流源主電路原理結構圖
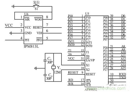
1. 2 單片機最小系統設計
數控電路組成包括單片機最小系統、A/ D 采樣輸入電路和D/ A 控制輸出電路。其中數控直流電流源的控制電路采用單片機最小系統對電路各部分進行控制。最小系統由MCU、采樣輸入、控制輸出、串口通訊電路及復位電路、鍵盤、顯示電路組成。
單片機最小系統圖如圖3 所示。MCU 選用ATMEL公司的AT89S52 單片機。AT89S52 是一種低功耗、高性能的CMOS 工藝的8 bit 單片機,與標準MCS51 的引腳和指令完全兼容。其外接晶振頻率范圍為0 Hz ~33 MHz,內置256 B 片內RAM,3 個16 位定時器/ 記數器,片內看門狗。其性能好于我們常用的89C52 系列單片機。

圖3 單片機最小系統電路圖
1. 3 A / D 采樣輸入電路設計
A/ D 采樣輸入電路如圖4 所示。為了滿足取樣精度需要,我們選擇12 bit A/ D 轉換器和12 bitD/ A 轉換器,使步進小于1 mA,在電路中A/ D 啟動后,先讀高8 位結果,再讀后4 bit;D/ A 是先寫入高8 bit,再寫入低4 bit.

圖4 A/ D 采樣輸入電路
1. 4 D / A 采樣電路設計
D/ A 控制輸出電路如圖5 所示。該單片機的輸入信號為經過12 bit 的A/ D 轉換器的數字量,送入單片機處理后產生輸出數字量經D/ A 轉換后送入恒流源,因而這種數控恒流源的精度最終取決與電路中A/ D 和D/ A 轉換器的轉換精度。

圖5 D/ A 控制輸出電路
1. 5 系統控制算法軟件實現
采用數字控制策略比模擬控制的有無可比擬的優勢:實現不同的控制算法;數字PID 具有設計周期短,調試和升級方便。數字控制系統主程序圖如圖6 所示。在系統加電后,主程序首先完成系統初始化,其中包括A/ D、D/ A、串行口、中斷、定時/ 計數器等工作狀態的設定,給系統變量賦初值,顯示上次設定值等。然后掃描獲取鍵值,判斷設定鍵、校準鍵是否按下,執行相應的功能子程序。當啟動鍵按下后,根據設定值、校正等參數計算對應輸出的數字量,再進行閉環反饋調整,如圖6 所示。

圖6 系統主程序流程圖
二.實驗結果及分析
電源穩定度測試數據如表1 所示。其中電源穩定度是指在容許電網波動范圍條件下,對輸出電流穩定度的影響。測試條件為I0 =1 000 mA,RL =3Ω,測試數據表明電網電壓在180 V ~250 V 波動時,輸出電流最大偏差為0.99 mA,紋波電流小于0.05 mA,輸出電流和紋波電流均達到設計要求。

表1 電源穩定度測試數據
負載穩定性測試條件為U0 =220 V/50 Hz,I0 =1000 mA,測試數據如表2 所示,其中負載穩定度是指一定的工作情況下,負載變化引起的輸出電流變化。測試數據表明負載在0 ~10 贅變化時,輸出電流最大偏差為0. 99 mA,紋波電流小于0. 05 mA.

表2 負載穩定性測試數據
三.結論
本論文設計了基于單片機控制的直流恒流源,用單片機代替模擬控制芯片具有以下優勢:(1)單片機控制電路的應用,減少了控制電路的外圍電路,減少了恒流源的重量和體積。(2)數字化處理和控制,可避免模擬信號傳遞的畸變、失真,減少雜散信號的干擾;(3)該數字控制電路相對于模擬控制電路具有輸出電流恒定,精度高且外置數碼顯示功能。本文對數控恒流源的研究為國內直流恒流源的發展提供了一個思路。





