【導讀】本文介紹了一款單項正弦波變頻穩壓電源設計,以單相半控橋式電路為整流電路,整流觸發電路由單結晶體管組成,逆變電路采用功率BJT為開關器件,頻率顯示部分采用單片機AT89C2051為核心器件。硬件電路簡單穩定,電池干擾及其他環境干擾較小。
本文實現一個單相正弦波變頻穩壓電源。電源框圖如圖所示。

設計基本要求
(1)輸出電壓波形應盡量接近正弦波,用示波器觀察無明顯失真;
(2)輸出頻率范圍為20~100Hz,電壓有效值為10~18V的正弦交流電;
(3)當輸入電壓為198~242V,負載電流有效值為0.5~1A時,輸出電壓有效值應保持在15V,誤差小于5%;
(4)具有過流保護,輸出電流有效值達2A時動作(5)DC—AC逆變器效率.n≥70%。
發揮部分
(1)當輸入電壓為198—242V,負載電流有效值為0.5~1A時,輸出電壓有效值應保持在15V,誤差小于1%;
(2)設計制作具有測量、顯示該變頻穩壓電源輸出電壓、電流、頻率和功率的電路,測量誤差小于5%。
說明
(1)不能使用產生SPWM(正弦波脈寬調制)波形的專用芯片;
(2)輸出功率可通過電流、電壓的測量值計算。
經過論證,在多種方案可供選擇的情況下,我們選擇了如下方案:
①隔離變壓器:選擇功率為200W、二次側可提供50V、15V、15V三組交流電壓。
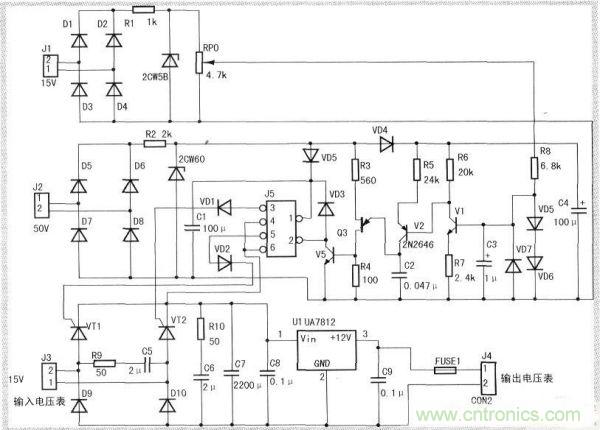
②單相整流電路:選用單相半控整流電路如下圖所示。該電路控制靈活,輸出電壓大小在一定范圍內可調節,因此成為被選方案。但我們做完這部分電路時發現.這個電路的觸發電路還是有一定難度的。在設計指標中沒對整流器做出硬性指標規定的情況下,我們完全可以采用單相不可控整流電路,從而減少兩個晶閘管的觸發電路的設計。
本設計采用的RC過電壓抑制電路R9、C5并聯在變壓器次級(元件側),以吸收變壓器鐵心磁場釋放的能量。并把它轉換為電容器的電場能而儲存起來,串聯電阻是為了在能量轉換過程中消耗一部分能量并且抑制RC回路可能產生的振蕩。R10、C6作為直流側阻容保護電路。
[page]
整流電路的觸發電路選擇由單結晶體管BT33(Q3)組成的觸發電路如下圖所示,雖然移相范圍及功率不高,但成本低,可滿足設計要求,因此成為被選方案。VD1、VD2輸出的觸發脈沖做為VT1和VT2晶閘管的觸發信號。通過調節電位器RP0來改變觸發角的大小,從而改變輸出直流電壓的大小。

③逆變穩壓器選擇帶中心抽頭變壓器的逆變電路如下圖右側電路所示。交替驅動兩個功率BJT(V1、V2),經變壓器耦合給負載加上矩形波交流電壓。兩個二極管(D1、D2)的作用也是提供無功能量的反饋通道。該電路優點是控制電路簡單,元件保護技術成熟。逆變開關元件選擇功率BJT管是因其價格便宜,控制靈活。

④單相變頻控制器選擇由555(U1)組成多諧振蕩器與JK(JPl)觸發器組成的整形和V4、V5組成的后級放大電路如下圖左側電路所示。此電路控制頻率精度高,靈活方便,能完成設計要求指標。

由于555(U1)和JK(JP1)觸發器是有源器件,因此還需另外制作5V和15V直流穩壓電路如下圖所示,做為其偏置直流電壓源,15V穩壓電源還為兩個功放管(V3、V4)提供偏置電壓。
據設計要求,頻率的測量采用單獨的頻率顯示模塊。需要制作一個LED頻率計,用來顯示輸出電壓的頻率。該部分電路采用的是僅用兩塊集成電路CD4069和AT90S2313組成的頻率計。CD4069用于小信號的放大和整形,AT90S2313則是一塊精簡指令的高速單片機,它在8M時鐘下的性能超過了51系列在100M時鐘下的性能,在電路中擔任測量和顯示驅動。由于這個電路比較常用,電路圖就不介紹了。
方案確定后,開始分工繪圖、制板、寫報告。由于制作PCB板耗時較長,所以在一定程度上影響了進度。在PCB電路板制作過程中又有個別環節出現錯誤,后來在調試時又耽誤了一些時間。所以建議以后在沒規定必須用PCB板的情況下,盡量采用現成的孔式電路板制作可以節約大量的時間。
本實驗需要調試的部分:晶閘管觸發電路測試、輸出頻率范圍測試、用示波器觀察輸出電壓波形等,通過努力。最后終于調好電路,大多數參數基本滿足設計要求。
本設計以單相半控橋式電路為整流電路,整流觸發電路由單結晶體管組成,調節方便,并設有必要的保護及顯示設備。逆變電路采用功率BJT為開關器件,通過帶中心抽頭變壓器形成方波,變換后形成交流波形。逆變觸發信號由555組成的振蕩電路產生周期可調的多諧信號,通過JK觸發器整形及三極管組成的放大電路放大后驅動功率BJT的通與斷。頻率顯示部分采用單片機AT89C2051為核心器件,充分發揮了軟件編程的優點。本設計盡量做到了硬件電路簡單穩定,減小電磁干擾和其它環境干擾。
相關閱讀:
開關電源設計必看!盤點電源設計中最常用的計算公式
http://m.sz-bosch.com/power-art/80021732
工程師詳解:一款開關電源設計及參數計算
http://m.sz-bosch.com/power-art/80021730
低EMI、高效的零電壓開關反激式開關電源設計
http://m.sz-bosch.com/power-art/80021603
工程師必看!LED照明電源設計四大難題解析
http://m.sz-bosch.com/opto-art/80021571





