【導讀】隨著LED應用的逐漸普及,21世紀逐步進入以LED為代表的新型固體光源時代。LED的發展離不開高功率、長壽命、低成本的驅動電源,市場上的LED驅動電源往往功率因數不達標。因此,如何提高LED驅動電源的功率因數具有很強的理論意義與現實意義。
美國能源部(DOE)“能源之星”(ENERGYSTAR)固態照明(SSL)規范中規定任何功率等級皆須強制提供功率因數校正(PFC)。這標準適用于一系列特定產品,如嵌燈、櫥柜燈及臺燈,其中,住宅應用的LED驅動器功率因數須大于0.7,而商業應用中則須大于0.9;但是,這標準屬于自愿性標準。歐盟的IEC61000-3-2諧波含量標準中則規定了功率大于25 W的照明應用的總諧波失真性能,其最大限制相當于總諧波失真(THD)< 35%,而功率因數(PF)>0.94。雖然不是所有國家都絕對強制要求照明應用中改善功率因數,但某些應用可能有這方面的要求,如公用事業機構大力推動擁有高功率因數的產品在公用設施中的商業應用,此外,公用事業機構購入/維護街燈時,也可以根據他們的意愿來決定是否要求擁有高功率因數(通常>0.95+)。

圖1:有源PFC應用電路示意圖
PFC技術包括無源PFC及有源PFC兩種。無源PFC方案的體積較大,需要增加額外的元件來更好地改變電流波形,能夠達到約0.8或更高的功率因數。其中,在小于5 W至40 W的較低功率應用中,幾乎是標準選擇的反激式拓撲結構只需要采用無源元件及稍作電路改動,即可實現高于0.7的功率因數。有源PFC(見圖1)通常是作為 一個專門的電源轉換段增加到電路中來改變輸入電流波形。有源PFC通常提供升壓,交流100至277 Vac的寬輸入范圍下,PFC輸出電壓范圍達直流450至480 Vdc。如果恰當地設計PFC段,可以提供91%到95%的高能效。但增加了有源PFC,仍然需要專門的DC-DC轉換來提供電流穩流。
無源PFC技術
無源PFC技術的原理是使用電感、電容、二極管等無源器件組成濾波網絡,來延長整流二極管的導通時間,使輸入電流趨于正弦化,從而減少輸入電流諧波含量,并且提高電路的功率因數。圖2給出了一個典型的LC無源PFC電路結構圖。
在圖2中Lc和Cc可以實現濾除共模干擾的功能,Ld和Cd 可以實現濾除差模干擾的功能。LC無源濾波電路包括電感Lp和電容Cp,后接橋式整流電路。對Lp和Cp的取值進行合理的設計,不僅能夠阻止電路產生的大量高次諧波污染電網,而且還可以減弱電網諧波對電子電路正常工作的影響。
由于這種LC無源PFC電路工作在交流線路頻率(50Hz或60Hz),必須使用大而笨重的磁芯電感器,很不適應電子產品小型化和高功率密度的發展趨勢,如今已很少在電器產品中使用。

圖2:典型無源PFC電路

圖3:填谷電路
有源PFC技術
經過不斷的研究和探索,自上世紀末至今,有源PFC技術得到了空前的發展。其主要思想是:按照某種方法或者規律控制開關管的通斷,將輸入電流波形矯正為與輸入電壓波形頻率相同、相位相同且非常接近正弦波的波形,以提高功率因數和抑制諧波。另一方面,要對輸出電壓進行監控和調節。
有源PFC技術對功率因數的提高作用顯著,可以實現接近于1的高功率因數。有源PFC技術一出現,便引起了廣大工程人員和學者的關注,經過多年的研究發展,已經出現了許多成熟的有源PFC電路,按照不同的分類方法可以將有源PFC電路分為多種。
按拓撲結構分類,可將有源PFC電路分為兩級PFC和單級PFC電路兩大類。
按電流模式分類,可將有源PFC電路分為連續導電模式(CCM)、斷續導電模式(DCM)和臨界導電斷續模式(BCM或TM)三類。
按開關開通機理分類,可將有源PFC電路分為硬開關PFC和軟開關PFC,軟快關PFC又可以細分為串聯諧振型、并聯諧振型、串并聯諧振型和準諧振型等軟開關PFC技術。
推薦閱讀:
第一講:LED驅動電源設計的考慮要素及通用要求
http://m.sz-bosch.com/opto-art/80020756
第二講:LED驅動電源拓撲結構如何選擇?
http://m.sz-bosch.com/opto-art/80020776
[page]
大功率LED的光控電路
由圖1可知,220 V交流電經電容限流、橋式整流、濾波、穩壓,在A,B兩端獲得穩定的12V直流電(見圖1)。在白天由于光敏電阻RG受到自然光的照射呈現低電阻,三極管VT的基極電位低,而被反偏置,因此VT截止,單向可控硅VS門極為低電平被關斷,LED驅動電路未啟動,所以LED不亮。到天黑時光敏電阻RG因無光照呈現高電阻,VT導通,VS的門極即有正向觸發電壓而導通,LED驅動電路啟動,LED通電發光。

圖4:LED光控電路
大功率LED的驅動電源
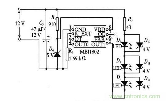
驅動大功率LED的主要目標是產生正向電流通過器件,比較理想的白光LED可采用MBI1802芯片來實現恒流驅動,它能抑制大功率LED正向電壓改變而造成的電流波動,可實現可控的正向電流,保證提供可控的顯示亮度。
由圖5可知,通過穩壓二極管(D6)可為MB1802芯片提供穩定的驅動電壓,此時通過大功率LED的電流主要由參考電壓值和MBI1802芯片工作電壓來決定(見圖5)。絕大多數顯示器都需要多個LED,若設計人員靈活地驅動多個LED,應將所有LED串聯,確保每顆LED的電流都相同。

圖5:恒流驅動電路
同時,在每個LED兩端并聯一個齊納管,能為LED提供開路保護。若要以并聯方式驅動白光LED,每個白光LED都必須串聯一個鎮流電阻,為避免通過其電流出現差異,這些電阻也會消耗功率,降低電路效率,所以采用串聯方式可驅動多個LED。
LED電源的溫度補償及調光電路
由于LED的驅動電流設計為不隨溫度變化的恒流源,當LED周圍溫度低于安全溫度點時,輸出最高容許電流并保持不變;當LED周圍溫度高于安全溫度點時,工作電流就不在安全區內, 這將導致LED的性能遠低于標稱數值。如果LED周圍溫度過高則是由LED自身發熱導致,所以為了確保LED的性能、壽命不受影響,必須通過電路的溫度補償功能來解決這一問題。

圖6:溫度補償及調光電路圖
由圖6可知。采用AVR 單片機及MBI1802芯片的工作電壓為5V,通過MBI1802的一個外部電阻器Rext,可以調節輸出電流的范圍為40~360mA,在特定的光照下,只要不超過LED的額定電流,可隨意輸出電流,這樣用戶可以靈活的控制LED的光強度。同時,MBI1802芯片的第七腳連接AVR單片機,根據溫度傳感器18B20所測到溫度和檢測到的光敏電阻RG的阻值,AVR 單片機通過輸出PWM波到MBI1802來控制其輸出電流,實現LED的溫度補償,同時可以精確調節LED亮度,進而實現LED的調光功能。
恒流效果實驗
如果LED的驅動未采用恒流源驅動方式,那么PN結半導體器件在正向導通后,結電壓VF隨環境溫度上升而下降,即-2 mV/℃,稱PN結的負溫度效應,該特性直接影響它的發光效率、發光亮度、發光色度。例如當常溫30℃時,選擇LED最佳工作電流為135mA,當環境溫度升到90℃,結電壓VF下降,工作電流急劇增加到265~282mA;當溫度下降至-40℃時,結電壓VF上升,最佳工作電流將從135mA 減小到27 mA,發光亮度也隨電流的減少而降低,達不所需的照度,如圖7中電流曲線I。
通過實驗,利用Excel軟件的圖表功能進行取點繪制,得到恒流效果圖(見圖7)。

圖7:恒流效果圖
從圖7中可以看出,未采用恒流方式驅動LED,其工作電流隨溫度的上升而上升,但采用恒流方式驅動LED,其工作電流不隨溫度的上升而上升,從而證明恒流方式驅動LED確實是可行的。
通過MBI1802芯片來驅動大功率LED,為其提供恒定的電流,同時達到理想的發光強度。采用AVR單片機進行溫度補償和調光控制,可提高LED壽命,實現LED照度的調節。通過取點實驗表明,該方案的設計原理合理、方案可行,補償效果明顯。
推薦閱讀:
第一講:LED驅動電源設計的考慮要素及通用要求
http://m.sz-bosch.com/opto-art/80020756
第二講:LED驅動電源拓撲結構如何選擇?
http://m.sz-bosch.com/opto-art/80020776





