- 電源轉換器的低EMI設計
- 熱性能、電磁干擾以及與PCB布局和電磁干擾相關的方案
電源設計中即使是普通的直流到直流開關轉換器的設計都會出現一系列問題,尤其在高功率電源設計中更是如此。除功能性考慮以外,工程師必須保證設計的魯棒性,以符合成本目標要求以及熱性能和空間限制,當然同時還要保證設計的進度。另外,出于產品規范和系統性能的考慮,電源產生的電磁干擾(EMI)必須足夠低。不過,電源的電磁干擾水平卻是設計中最難精確預計的項目。有些人甚至認為這簡直是不可能的,設計人員能做的最多就是在設計中進行充分考慮,尤其在布局時。
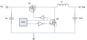
盡管本文所討論的原理適用于廣泛的電源設計,但我們在此只關注直流到直流的轉換器,因為它的應用相當廣泛,幾乎每一位硬件工程師都會接觸到與它相關的工作,說不定什么時候就必須設計一個電源轉換器。本文中我們將考慮與低電磁干擾設計相關的兩種常見的折中方案;熱性能、電磁干擾以及與PCB布局和電磁干擾相關的方案尺寸等。文中我們將使用一個簡單的降壓轉換器做例子,如圖1所示。

圖1普通的降壓轉換器
在頻域內測量輻射和傳導電磁干擾,這就是對已知波形做傅里葉級數展開,本文中我們著重考慮輻射電磁干擾性能。在同步降壓轉換器中,引起電磁干擾的主要開關波形是由Q1和Q2產生的,也就是每個場效應管在其各自導通周期內從漏極到源極的電流di/dt。圖2所示的電流波形(Q1on和Q2on)不是很規則的梯形,但是我們的操作自由度也就更大,因為導體電流的過渡相對較慢,所以可以應用HenryOtt經典著作《電子系統中的噪聲降低技術》中的公式1。我們發現,對于一個類似的波形,其上升和下降時間會直接影響諧波振幅或傅里葉系數(In)。
In=2IdSin(nπd)/nπd×Sin(nπtr/T)/nπtr/T(1)[page]
其中,n是諧波級次,T是周期,I是波形的峰值電流強度,d是占空比,而tr是tr或tf的最小值。
在實際應用中,極有可能會同時遇到奇次和偶次諧波發射。如果只產生奇次諧波,那么波形的占空比必須精確為50%。而實際情況中極少有這樣的占空比精度。
諧波系列的電磁干擾幅度受Q1和Q2的通斷影響。在測量漏源電壓VDS的上升時間tr和下降時間tf,或流經Q1和Q2的電流上升率di/dt時,可以很明顯看到這一點。這也表示,我們可以很簡單地通過減緩Q1或Q2的通斷速度來降低電磁干擾水平。事實正是如此,延長開關時間的確對頻率高于f=1/πtr的諧波有很大影響。不過,此時必須在增加散熱和降低損耗間進行折中。盡管如此,對這些參數加以控制仍是一個好方法,它有助于在電磁干擾和熱性能間取得平衡。具體可以通過增加一個小阻值電阻(通常小于5Ω)實現,該電阻與Q1和Q2的柵極串聯即可控制tr和tf,你也可以給柵極電阻串聯一個"關斷二極管"來獨立控制過渡時間tr或tf(見圖3)。這其實是一個迭代過程,甚至連經驗最豐富的電源設計人員都使用這種方法。我們的最終目標是通過放慢晶體管的通斷速度,使電磁干擾降低至可接受的水平,同時保證其溫度足夠低以確保穩定性。

圖3用關聯二極管來控制過渡時間
開關節點的物理回路面積對于控制電磁干擾也非常重要。通常,出于PCB面積的考慮,設計者都希望結構越緊湊越好,但是許多設計人員并不知道哪部分布局對電磁干擾的影響最大。回到之前的降壓穩壓器例子上,該例中有兩個回路節點(如圖4和圖5所示),它們的尺寸會直接影響到電磁干擾水平。

圖4 降壓穩壓器模型1

圖5降壓穩壓器模型2[page]
Ott關于不同模式電磁干擾水平的公式(2)示意了回路面積對電路電磁干擾水平產生的直接線性影響。
E=263×10-16(f2AI)(1/r)(2)
輻射場正比于下列參數:涉及的諧波頻率(f,單位Hz)、回路面積(A,單位m2)、電流(I)和測量距離(r,單位m)。
此概念可以推廣到所有利用梯形波形進行電路設計的場合,不過本文僅討論電源設計。參考圖4中的交流模型,研究其回路電流流動情況:起點為輸入電容器,然后在Q1導通期間流向Q1,再通過L1進入輸出電容器,最后返回輸入電容器中。
當Q1關斷、Q2導通時,就形成了第二個回路。之后存儲在L1內的能量流經輸出電容器和Q2,如圖5所示。這些回路面積控制對于降低電磁干擾是很重要的,在PCB走線布線時就要預先考慮清器件的布局問題。當然,回路面積能做到多小也是有實際限制的。
從公式2可以看出,減小開關節點的回路面積會有效降低電磁干擾水平。如果回路面積減小為原來的3倍,電磁干擾會降低9.5dB,如果減小為原來的10倍,則會降低20dB。設計時,最好從最小化圖4和圖5所示的兩個回路節點的回路面積著手,細致考慮器件的布局問題,同時注意銅線連接問題。盡量避免同時使用PCB的兩面,因為通孔會使電感顯著增高,進而帶來其他問題。
恰當放置高頻輸入和輸出電容器的重要性常被忽略。若干年以前,我所在的公司曾把我們的產品設計轉讓給國外制造商。結果,我的工作職責也發生了很大變化,我成了一名顧問,幫助電源設計新手解決文中提到的一系列需要權衡的事宜及其他眾多問題。這里有一個含有集成鎮流器的離線式開關的設計例子:設計人員希望降低最終功率級中的電磁干擾。我只是簡單地將高頻輸出電容器移動到更靠近輸出級的位置,其回路面積就大約只剩原來的一半,而電磁干擾就降低了約6dB。而這位設計者顯然不太懂得其中的道理,他稱那個電容為"魔法帽子",而事實上我們只是減小了開關節點的回路面積。




