中心議題:
- 介紹模擬濾波及無源濾波器和有源濾波器的比較
- 分析視頻放大器/濾波器的電源電壓、功耗、信號耦合等方面的模擬要求和實施方法
解決方案:
- 經數據轉換的圖像須經過濾波,保持較好的圖像質量
- 采用巴特沃思濾波器,平衡電平平坦度、截止頻率、衰減和群延遲間的差異
- 采用單電源數據轉換器,系統使用會比較簡單
- 采用THS7303或THS7313 6dB增益放大器、參考接地的DAC或編碼器驅動,DC輸入模式會很理想
- 線路驅動器放大器采用AC耦合,消除任何可能的DC偏置電流
模擬濾波
為什么模擬視頻要使用過濾技術呢?如前所述,將模擬視頻信號與數字視頻信號相互轉換是很常見的。對顯示器和DVD刻錄機等接收設備來說,這就需要使用模數轉換器(ADC)。對機頂盒和DVD播放器來說,就需要使用數模轉換器(DAC)。ADC和DAC提供的畫質都取決于采樣頻率。
為了保持較好的圖像質量,經數據轉換的圖像必須經過濾波(見圖1)。這時我們就要在信號路徑上放置模擬濾波器。用濾波器來消除DAC圖形(即重構濾波器)。

圖1 經過濾波器的標清視頻DAC圖形
消除DAC和ADC圖形可提高畫質。不過,我們應采用哪種濾波器類型呢?需要多少極點呢?最適合視頻信號的截止頻率、平坦度和群延遲是什么呢?如果問10位工程師這個問題,我們可能會得到10個不同的答案。
比較好的做法是,盡可能保持帶通的平坦度,以及大部分衰減靠近數據轉換器的采樣頻率。如果只考慮這個要求,我們可以采用橢圓濾波器或契比雪夫濾波器等類型。如果只關心電平平坦度和衰減,那么這些濾波器會比較理想,使任何系統都能滿足SMPTE濾波器的特性要求。不過,我們不能忘記群延遲,因為SMPTE標準還包括群延遲方面的限制,系統應努力滿足上述兩種要求,而不是只滿足一種要求。
因此,我們必須在電平平坦度、截止頻率、衰減和群延遲差異間取得平衡,以獲得合適的視頻濾波器。大家一致認為,巴特沃思濾波器對消費類電子視頻來說是一種較好的平衡型濾波器,電平響應實現了最大的平坦度,衰減率適當,群延遲也不錯。它雖說不上是最理想的,但通常對系統而言已經足夠好了。
濾波器示例
THS73x3系列是集成濾波器/放大器,采用功能改進型五階巴特沃思濾波器結構,略微降低了Q 或峰值因數,以最小化群延遲差異。其缺點在于,平坦度不像真巴特沃思濾波器那么理想,但衰減性基本相同。
我們選擇了五個極點而不是四個或六個,這是因為奇數階濾波器有真正的實極點,而不是像偶數階濾波器那樣都提供復極點。有人可能認為實極點沒什么關系,不過實際經驗證明,實極點對有源濾波器系統會非常有用,特別是在采用 Sallen-Key架構時。Sallen-Key系統中有高頻路徑通過,能較方便地通過放大器帶寬限制以外的高頻。系統中的實極點可將高頻信號通過旁路接地,不受放大器帶寬限制的影響。因此,這有助于確保濾波器保持高頻。
為了顯示群延遲和電平平坦度的影響,我們模擬了一個五極的0.5dB契比雪夫濾波器,截止頻率(在-0.5dB以下時)為10MHz。此外,我們還模擬了五階功能改進型巴特沃思濾波器,截止頻率(以-3dB以下時)為8.5MHz。從圖2中可以看出每個濾波器的電平響應。與預期一樣,契比雪夫濾波器的紋波為0.5,不過平坦度為10MHz,大大超過巴特沃思濾波器的平坦度。此外,在27MHz的臨界點上,契比雪夫濾波器的衰減率較高,達到了56dB的衰減率。在27MHz上,巴特沃思濾波器只實現了46dB的衰減率。事實上,這對視頻系統而言已經足夠了。

圖2 濾波器電平響應
使用有源濾波器時要牢記,濾波器的Q越高,放大器的帶寬就越高。如果使用貝塞爾或巴特沃思濾波器乃至更高階的版本,我們要把各級的Q保持相對較低。設計支持橢圓或契比雪夫響應的濾波器,其Q值較高,需要較高帶寬的放大器才能適當實施。否則,放大器對濾波器就會造成影響,從而改變我們所需的響應。我們可通過修改組件值來實現上述目標,不過放大器之間的差異會因此變得更大。
無源濾波器和有源濾波器的比較
無源濾波器因為其成本較低,所以在目前比較常見。不過,在PCB電路板面積、占用、額外組件數量、組裝時間、帶通信號損失、對電感器造成電磁干擾以及容限方面,它又存在一些缺點。電感器和電容通常會存在±10%個體差異,特別是低成本組件的差異會更大一些。
在集成有源濾波器設計中(比如 THS73x3 所采用的單位增益Sallen-Key濾波器),平坦度和峰值的差異可以得到嚴格的控制。我們對單位增益Sallen-Key濾波器進行敏感度分析。可以看出,只要電阻間和電容間與單位增益的匹配比較嚴格,那么只有截止頻率會有所差異,Q不會出現差異。如果Q出現差異,那么就會導致較大的群延遲差異,這是我們所不愿看到的。只要采用高質量電容和電阻,在假定放大器的自然帶寬大大高于濾波器的截止頻率情況下,有源濾波器的可控特性就必將大大優于無源濾波器。此外,有源濾波器占用的 PCB 電路板面積也要小很多,只需采購一個組件,這樣就大大減少了組件數量。
多極無源濾波器還有一個重要特點,就是其截止頻率不能輕易地被修改,若想修改就要花費大量工作,成本也很高。設計支持可選濾波器的有源濾波器就非常容易實施。對于不必改變濾波器頻率的CVBS和S-Video系統來說,這一特性并不怎么吸引人,不過,對分量視頻系統或G’B’R’系統來說,改變濾波器的頻率就非常有用了,這樣就能設置為 SD、ED或HD(720p/1080i)乃至1080p HD等不同標準。
上述情況對接受 Y’P’BP’R或G’B’R’分量視頻信號的接收機系統來說尤為重要。舉例來說,如果我們用固定的35MHz無源濾波器為顯示器提供所有分量信號,那么在輸入端采用480i或576i SD分量信號怎么辦呢?一般的 DAC 對這種信號的采樣頻率為27MHz。如果DAC不帶重構濾波器的話,那么27MHz基本頻率兩側出現的圖像將直接通過顯示器的無源35MHz濾波器,造成圖像未經衰減,因此顯示器上顯示的畫質通常非常差。
ED 480p/576p信號也可能出現這種情況。此類信號通常采樣頻率為54MHz,視頻帶寬為 12MHz。因此,第二Nyquist區圖像會在42MHz時出現。如果無源濾波器為35MHz或更高,那么圖像的衰減也會很小,同樣也會導致畫質非常差。
這就說明了,可選濾波器對使用THS7303的DAC側和使用THS7353的ADC側的重要性。這種集成的濾波器/放大器采用可選的五階功能改進型巴特沃思濾波器結構,可設為9MHz,滿足 SD信號的需要,也可設為16MHz,滿足ED信號需要,還可針對HD 720p/1080i信號設為35MHz,針對1080p等極快的信號設為大于150MHz的旁路模式。圖3顯示了有關情況。

圖3 固定濾波器與可選濾波器的比較
為了提高靈活性,THS73x3的每個通道必須能實現獨立控制。利用這一特性,我們就能選擇35MHz以支持Luma通
道,又可選擇16MHz以支持色差通道,根據模擬信號帶寬要求,這都是可行的。不過這也有一個缺點,就是不同濾波器的延遲在相同頻率比例下會有差異,如果不通過數字處理加以解決的話,就可能導致計時問題。
高端系統而言(其相位偏移和群延遲為非常重要的參數)也能受益于上述特性。這時,我們可用16MHz濾波器支持SD信號,確保整個SD頻帶內都能實現平穩的平坦響應,時域脈沖響應幾乎不會出現過沖。這對支持ED信號的35MHz濾波器以及支持HD信號的旁路模式同樣適用。
最后,無源過濾在不同頻率上會造成較大阻抗差異,這會導致DAC和ADC的交互問題。此外,如果源電阻或端接電阻超出了75Ω的要求,也會導致振鈴問題。THS73x3有源濾波器/放大器緩解了這一問題,其輸入阻抗可大于1MΩ,而其輸出阻抗在10MHz時則小于1Ω,從而有助于消除ADC的反沖問題或解碼器輸入鉗位問題。
電源電壓和功耗
大多數視頻系統都采用單電源數據轉換器,供電電壓為3.3V。如果該電源可用于視頻濾波器/放大器,那么系統使用會比較簡單,也有助于減少一到兩個電源數量,從而降低成本。THS73x3器件利用這一特點,采用2.7~5V的單電源工作。BiCom-3工藝根據設計,可以工作在上述電壓上,在整個工作范圍內都不會產生性能下降的問題。
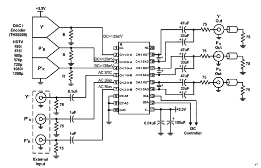
圖4顯示了THS7303放大器作為DAC緩沖、接受外部輸入的典型配置。它同時還使用3.3V電源,支持輸出端的SAG校正。

圖4 THS7303采用3.3V單電源的典型系統配置
功耗是另一個要考慮的因素。類似于THS73x3產品的5V單電源器件有很多,但大多功耗都達到500mW以上,有的甚至高達1.2W,這就會導致芯片溫度非常高,很容易影響長期可靠性。THS73x3的工作電壓為3.3V,功耗僅為55mW,這幾乎消除了散熱和可靠性方面的問題。
信號耦合
如果系統設計中已經采用了THS7303或THS7313 6dB增益放大器,并采用了參考接地的DAC或編碼器驅動,那么DC輸入模式會很理想。問題在于,DAC生成的電壓有多低?如果同步信號(通常這是視頻信號中電壓最低的)電壓低于50mV,那么6dB放大器的輸出就應生成低于100mV的電壓,由于CMOS和雙極放大器都存在晶體管飽和方面的限制,因此這對任何放大器來說都是很難做到的。
為了消除這一限制,所有THS73x3產品都支持DC+Shift模式,其可以為視頻輸入信號增加內部DC電壓偏移。這種偏移只是內置的,不會影響應用信號,這種偏移還將確保即便THS73x3的輸入為0V,輸出也不會飽和,不會出現視頻剪切。
如果DAC輸出電壓僅為100mV,那么DC輸入模式就是非常理想的。這種模式不會給系統增加偏移,因為系統根本不需要偏移。要牢記,任何放大器都存在偏移,對THS73x3也一樣。
如果DAC的參考電壓為3.3V或1.8V或者是外部輸入,那么采用AC耦合就是最佳模式。AC耦合使THS73x3能忽略DC偏置點的來源,并能重新建立自己的DC偏置點。AC耦合選項包括AC偏置和AC同步端鉗位。
AC偏置非常簡單。THS73x3有兩個電阻,其可在電源和接地間創建分壓器。該模式的輸入阻抗為20kΩ,因此所用的電容應足夠大,以盡可能減小傾斜或下垂問題。該模式最適用于Chroma或色差信號,也可用于Luma信號、G’B’R’信號或計算機的R’G’B’信號。由于信號為AC耦合,且DC偏置點與平均信號電平有差異,因此對于帶5V電源同步信息的信號而言,我們最好用AC偏置模式,以確保沒有剪切問題發生。
正在申請專利的AC同步端鉗位 (STC) 模式(見圖5)最適合視頻信號最低點同步的信號,這就是說,Luma (Y’)、帶同步功能的G’B’R’或帶同步信號的計算機R’G’B’最好都采用AC-STC 模式。THS73x3中的同步端鉗位系統具有內部電流匯集(current-sink) 功能以將耦合電容放電,用濾波器來最小化可能存在的高頻干擾信號交互,用放大器來監控輸入電壓和參考電壓的差別,并在信號低于參考電壓時用晶體管為電容充電。因此,這是一種動態的系統,根本不依靠計時技術。這種類型的系統通常也稱作DC恢復系統,而不是二極管鉗位系統。二極管鉗位系統的問題在于:任何高頻信號或過沖都會對其造成影響,從而導致過大DC偏置點偏移,并造成信號剪切。

圖5 AC-STC基本系統
輸出功能
線路驅動器放大器的最常見輸出配置就是采用AC耦合,以消除任何可能的DC偏置電流,使系統更具有通用性。放大器輸出通常采用220~1000μF的電容,以降低線路傾斜。
在某些系統中,DC偏置電流不是主要問題。相反,成本和PCB電路板的尺寸反而更加重要。THS73x3支持DC耦合,不會因為軌至軌輸出放大器級而造成問題。輸出擺幅在電源和接地的100mV范圍之內,可驅動高達80mA的電流。
其他系統可能需要AC耦合,但PCB電路板的尺寸非常重要。THS7303和THS7313具有靈活性可支持SAG校正,這是實現上述目標的一種辦法。SAG校正需要兩個電容,但電容的體積要較小,額定值僅為47μF和33μF,其可能實現與330μF電容相同的傾斜性能。如果分別將其提高到68μF和 47μF,那么將能實現相當于470μF電容的性能。
SAG功能能在頻率降低時提高增益,從而實現上述性能。放大器增益抵消了47μF電容的下降,從而擴大了可實現的帶通。選擇33μF電容時,可獲得較小的峰值或Q增強,這會使視頻系統實現適當的線路傾斜或低垂,特別是能夠支持場方波信號。
圖6顯示了SAG在THS7303和THS7313中的基本配置情況。其他廠商也使用了SAG校正技術,但其通常要求較大的電容或電壓更高的電源,這樣才能滿足系統出現較大DC增益的要求。

圖6 THS7303系統級示意圖






