【導讀】全橋電路廣泛應用于電力電子領域,如開關電源、變頻器、逆變器、電動汽車、工業自動化等領域 。在電路中,全橋電路可以使直流電轉換成交流電;在電機控制中,全橋電路可用于變頻調速和正弦波控制。
一、前言
全橋電路定義
全橋電路是一種常見的電子電路,由四個開關管和一個負載組成,可將直流電轉換為交流電。
全橋電路的應用領域
全橋電路廣泛應用于電力電子領域,如開關電源、變頻器、逆變器、電動汽車、工業自動化等領域 。在電路中,全橋電路可以使直流電轉換成交流電;在電機控制中,全橋電路可用于變頻調速和正弦波控制。
二、全橋電路的原理
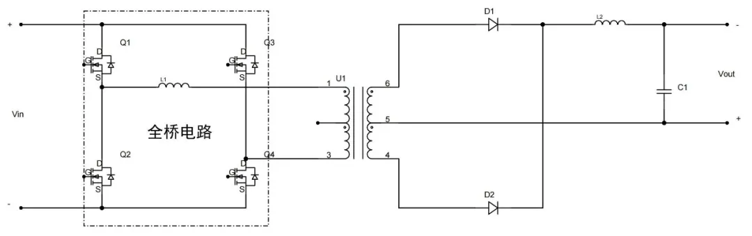
全橋電路通過控制開關管的通斷來改變電源與負載之間的電壓極性,實現對負載的驅動。在上半周期內,開關管Q1、Q4閉合,Q2、Q3斷開,電源的正極通過Q1進入負載,負載的負極通過Q4回到電源的負極。在下半周期內,開關管Q2、Q3閉合,Q1、Q4斷開,電源的正極通過Q3進入負載,負載的負極通過Q2回到電源的負極。這樣就能實現直流電源向交流負載的轉換。
三、全橋電路對于MOS管的需求
(1)主要損耗構成:①MOS管的導通損耗直接由導通Rdson決定,要求MOS管的Rdson更低。②MOS管的開關損耗,由MOS管的米勒平臺等參數決定,要求MOS管開關特性好,開關速度快,交越損耗小;
(2)后端是感性負載,需要二極管反向續流,要求功率MOS二極管反向恢復特性較好,具有較短反向恢復時間trr。
四、全橋電路MOS管選型
根據不同的應用需求,全橋電路還可分為全橋逆變電路、全橋整流電路等,瑞森半導體多層外延超結MOS系列,可應用于全橋電路不同的應用中。
瑞森半導體超結MOS全系列采用多層外延工藝,具有低導通損耗、大通流能力、低柵極電荷、低開啟電壓、出色的非鉗位感性開關能力等工藝特色。再加上我司對產品進行百分之百的雪崩能量擊穿測試等自有標準;產品對標英飛凌C3、 P6、P7系列 ; 封裝產品豐富,為設計者們提供了極大的靈活性。
全橋電路作為一種常見的電路拓撲結構,具有良好的電流/電壓控制能力。針對全橋電路不同的應用場景,瑞森半導體提供整體功率半導體解決方案。
免責聲明:本文為轉載文章,轉載此文目的在于傳遞更多信息,版權歸原作者所有。本文所用視頻、圖片、文字如涉及作品版權問題,請聯系小編進行處理。
推薦閱讀:
羅姆即將參展PCIM Europe 2024:賦能增長,推動創新
優化汽車無鑰匙進入系統,利用藍牙低功耗和LIN技術如何快速實現?




