【導讀】4開關降壓-升壓轉換器能夠產生高于、低于或等于輸入電壓的調節輸出電壓,因此深受歡迎且廣為人知。在極端故障情況下,例如輸入短路或輸出短路情況下,它還能斷開輸入/輸出(I/O)連接。與過流和過壓保護一起,4開關降壓-升壓轉換器廣泛用于電池供電設備、汽車系統和通用工業應用。
4開關降壓-升壓轉換器能夠產生高于、低于或等于輸入電壓的調節輸出電壓,因此深受歡迎且廣為人知。在極端故障情況下,例如輸入短路或輸出短路情況下,它還能斷開輸入/輸出(I/O)連接。與過流和過壓保護一起,4開關降壓-升壓轉換器廣泛用于電池供電設備、汽車系統和通用工業應用。
以前的4開關降壓-升壓控制器使用外部電流檢測電阻進行電流檢測,但 LTC7878 是率先使用電感DCR進行電感電流檢測的4開關降壓-升壓控制器設計。它采用新穎的峰值電流模式控制方案實現,無論穩壓器處于降壓、升壓還是降壓-升壓工作模式,它都有內置的逐周期峰值電流限制功能。在5 V至70 V的寬輸入電壓范圍內,輸出可在1 V至70 V范圍內調節,精度為±1%。由于不需要電流檢測電阻,新型降壓-升壓轉換器消除了功率功耗并縮小了解決方案尺寸。同時,它無需使用昂貴的大功率電流檢測電阻,因此降低了系統成本。電感DCR電流檢測還提供連續的電感電流信息,有助于實現統一的峰值電流模式控制,并簡化多相多IC配置中的并聯操作。

圖1. 4開關降壓-升壓轉換器中以地為基準的電流檢測。
許多4開關降壓-升壓控制器需要兩個或更多電流檢測電阻來檢測I/O電流和電感電流,以實現閉環操作。ADI公司擁有專門設計的降壓-升壓控制器,它們只需要一個電流檢測電阻就能檢測電流模式控制環路中使用的電流。圖1顯示了許多傳統產品使用的以地為基準的電流檢測方法。它很簡單,并且容易在IC內部實現。但是,它只能在開關B或開關C接通時檢測電感電流:分別是降壓區域的電感谷值電流或升壓區域的峰值電流。PCB布局選項會受到限制,因為兩個MOSFET(B和C)都連接到電流檢測電阻,并且必須彼此靠近放置。

圖2. 4開關降壓-升壓轉換器中以開關節點為基準的電流檢測。
圖2顯示了其他一些降壓-升壓控制器使用的以開關節點為基準的電流檢測方法。電流檢測電阻與電感串聯,因此它可以連續檢測電感電流。然而,當開關A和B接通/關斷時,開關節點處檢測電阻上的電壓會在輸入電壓和地之間上下擺動。這要求電流檢測電路具有非常高的共模抑制比(CMRR),以盡可能降低共模噪聲。與幾十伏的共模電壓相比,檢測到的電感電流信號只有大約50 mV至100 mV,此信號在功率級切換期間很容易失真。為了避免噪聲影響,須斷開電流比較器并關斷其輸入,如圖2所示。即使檢測到的信號是連續的,短暫的消隱時間也會使電感電流信息短暫消失。

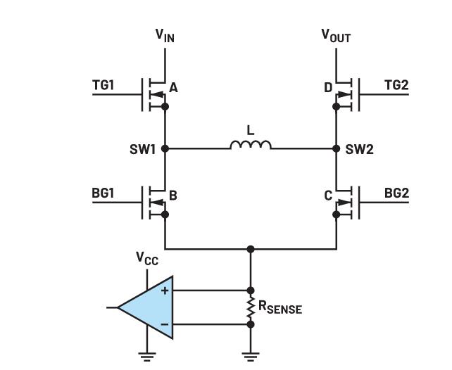
圖3. 4開關降壓-升壓轉換器中的電感DCR電流檢測。
圖3顯示了LTC7878使用的電感DCR電流檢測方法。通過將RC檢測網絡的時間常數與電感和DCR匹配(L/DCR = Rs × Cs),電感電流被轉換成檢測網絡(Cs)上的電壓信號,增益為電感的DCR。電流比較器位于BST1/SW1電路下方,它在操作期間與VIN-GND開關節點一同擺動。由于電流比較器和開關節點上的共模電壓相同,因此當SW1切換時,電流比較器輸入不需要與DCR檢測信號斷開。這樣,電感電流就能被連續地逐周期調節和限制。與以開關節點為基準的電流檢測相比,BST1/SW1下方只需要一個比較器。此外,它還提供了支持不同DCR值和覆蓋各種電感的選項。對于DCR較小的電感,可以設置ISNSD引腳來放大信號,并將信噪比(SNR)提高到常規DCR檢測方案的四倍。高SNR設計可顯著改善系統可靠性,并在不同占空比下提供穩定的開關操作。
電感DCR電流檢測和連續電感電流信息一同使得LTC7878可以實現統一的峰值電流模式控制方案。這種方案支持多相操作,就像許多峰值電流模式降壓或升壓DC-DC控制器一樣。只需共享所有ITH引腳并以菊花鏈方式連接所有CLKOUT引腳,多個LTC7878器件就能實現并聯,為負載提供更多電流。負載電流均勻分配在所有通道中,電感均流保證了熱平衡和高效率。專門設計的逐周期電感均流降低了啟動和負載瞬變期間電感上的過流應力,提高了系統可靠性。
開關頻率可設置,范圍介于100 kHz至600 kHz之間,或與外部時鐘同步。集成的7 V NMOS柵極驅動器可以驅動邏輯電平或非邏輯電平MOSFET。其他特性包括:智能外部VCC偏置引腳,PGOOD指示器引腳,以及具有不同限流設置的可選斷續導通模式/連續導通模式(DCM/CCM)操作。LTC7878支持高達70 V的輸入和1 V至70 V的可編程輸出,采用5 mm × 5 mm QFN封裝。
LTC7878是一款高性能4開關降壓-升壓控制器,具有電感DCR電流檢測功能。它在降壓、升壓或降壓-升壓區域使用峰值電流模式控制,并始終提供逐周期峰值電流限制和保護。通過采用電感DCR電流檢測,該解決方案在提供高效率的同時還降低了元件成本。為了盡可能地提高功率,多個器件可以輕松地在多相架構中并聯工作。
(來源:亞德諾半導體)
免責聲明:本文為轉載文章,轉載此文目的在于傳遞更多信息,版權歸原作者所有。本文所用視頻、圖片、文字如涉及作品版權問題,請聯系小編進行處理。
推薦閱讀:




