【導讀】以下分享PLC控制的基本電路包括:單輸出自鎖控制電路、多輸出自鎖控制電路、單向順序啟停控制電路、延時啟停控制電路、經驗設計法及注意事項等。

1 單輸出自鎖控制電路
啟動信號I0.0和停止信號I0.1持續為ON的時間般都短。該電路最主要的特點是具有“記憶”功能。

2 多輸出自鎖控制電路(置位、復位)
多輸出自鎖控制即多個負載自鎖輸出,有多種編程方法,可用置位、復位指令

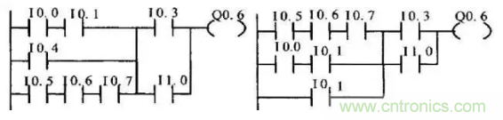
單向順序啟停控制電路
1. 單向順序啟動控制電路是按照生產工藝預先規定的順序,在各個輸入信號的作用下,生產過程中的各個執行機構自動有序動作。只有Q0.0啟動后,Q0.1方可啟動,Q0.2必須在Q0.1啟動完成后才可以啟動。

2. 單向順序停止控制電路就是要求按一定順序停止已經執行的各機構。只有Q0.2被停止后才可以停止Q0.1,若想停止Q0.0,則必須先停止Q0.1。I0.4為急停按鈕。

4 延時啟停控制電路
1.延時啟動控制 設計延時啟動程序,要利用中間繼電器(內部存儲器M)的自鎖狀態使定時器能連續計時。定時時間到,其常開觸點動作,使Q0.0動作。

2.延時停止控制 定時時間到,延時停止。I0.0為啟動按鈕、I0.1為停止按鈕。

3.延時啟停控制電路該電路要求有輸入信號后,停一段時間輸出信號才為ON;而輸入信號0FF后,輸出信號延時一段時間才OFF。T37延時3 s作為Q0.0的啟動條件,T38延時5 s作為Q0.0的關斷條件。

經驗設計法及注意事項
應用程序設計過程中,應正確選擇能反映生產過程的變化參數作為控制參量進行控制;應正確處理各執行電器、各編程元件之間的互相制約、互相配合的關系,即互鎖關系。應用程序的設計方法有多種,常用的設計方法有經驗設計法、順序功能圖法等。
1 經驗設計法
經驗設計法要求設計者具有較豐富的實踐經驗,掌握較多的典型應用程序的基本環節。根據被控對象對控制系統的要求,憑經驗選擇基本環節,并把它們有機地組合起來。其設計過程是逐步完善的,一般不易獲得最佳方案。程序初步設計后,還需反復調試、修改和完善,直至滿足被控對象的控制要求。
經驗設計法的設計不規范,沒有一個普遍的規律可循,具有一定的試探性和隨意性。
編寫梯形圖程序時應遵循的規則:
(1)“輸入繼電器”的狀態由外部輸入設備的開關信號驅動,程序不能隨意改變它。
(2)梯形圖中同一編號的“繼電器線圈”只能出現一次,通常不能出現,但是它的觸點可以無限次地重復使用。

編寫梯形圖程序時應遵循的規則:
(3)幾個串聯支路相并聯,應將觸點多的支路安排在上面;幾個并聯回路的串聯,應將并聯支路數多的安排在左面。按此規則編制的梯形圖可減少用戶程序步數,縮短程序掃描時間。

(4) 程序的編寫按照從左至右、自上至下的順序排列。一個梯級開始于左母線,終止于右母線,線圈與右母線直接相連。
①橋式電路必須修改后才能畫出梯形圖。

②非橋式復雜電路必須修改后才能畫出梯形圖

2 注意事項
(1)先編制I/O分配表,后設計梯形圖。先對輸入、輸出信號及內部線圈進行編號分配,再確定PLC各輸入/輸出接線端子的實際接線圖。
(2)合理排列梯形圖,使輸入/輸出響應滯后現象不影響實際響應速度。通常可根據工藝流程圖按動作先后順序排列各輸出線圈,同時兼顧內部線圈、時間繼電器等線圈的排列順序,使輸入/輸出延遲響應不影響實際輸出對響應速度的要求。
(3)高速計數指令、高速脈沖輸出指令應盡量放在整個用戶程序的前部。由于高速計數器和高速脈沖串發生器與CPU之間的信息交換是在I/O掃描時進行的,所以在執行其他命令時就可能影響高速計數器、高速脈沖串發生器與CPU之間的信息交換,甚至有可能丟失脈沖。
(4)在PLC輸入端子接線圖中,對于同一個發信元件,通常只需選其中某一觸點(例如常開觸點或常閉觸點)接入輸入端子,即對一個發信元件,它只能占一個輸入地址編號。
(5)合理接入輸入信號的觸點(常開或常閉觸點),提高設備的可靠性、安全性。PLC實際I/O接線圖中,某輸入信號(如按鈕)究竟是接入電器的常開觸點還是常閉觸點,應從設備的可靠性、安全性角度考慮。當輸入端接線故障斷線時,設備狀態應向著安全的狀態發展。因此,停止按鈕應以常閉觸點接入PLC輸入接線端子,而啟動按鈕應以常開觸點接入PLC輸入接線端子(為便于理解,本書前面章節各圖均按常開觸點接入處理)。
(6)從安全考慮,重大安全部分不接入PLC的輸入端,而做硬件處理。例如,緊急停車按鈕、互鎖觸點、緊急限位開關、熱繼電器控制觸點等,接至PLC的輸出端子上,直接對輸出負載(KM1、KM2)進行控制,以保證PLC故障時不損壞設備,不造成重大安全事故。
(7)應保證有效輸入信號的電平保持時間。要保證輸入信號有效,輸入信號的電平保持時間必須大于PLC一個掃描周期。除非對開關量輸入信號設置允許脈沖捕捉功能,這樣就允許PLC捕捉到持續時間很短的脈沖。
(8) PLC指令的執行條件有信號電平有效和跳變有效的區別,編程時應加以注意。
(9)由電氣控制圖轉換為梯形圖時應注意:對舊設備改造時可借鑒原繼電器控制電路圖轉換為梯形圖。繼電器控制電路圖中的電器觸點大多為先斷后合型,而PLC梯形圖中的“軟繼電器”的常開觸點和常閉觸點的狀態的轉換是同時發生的。設計梯形圖時可使用延遲電路(如利用內部時間繼電器延遲或利用PLC循環掃描工作方式而產生的輸入/輸出延遲響應)來模擬先斷后合型電器的功能。
順序功能圖與設計法
功能圖及其組成
功能表圖(Function Chart Diagram)是用圖形符號和文字敘述相結合的方法,全面描述控制系統,含電氣、液壓、氣動和機械控制系統或系統某些部分的控制過程、功能和特性的一種通用語言。在功能表圖中,把一個過程循環分解成若干個清晰的連續階段,稱為“步”(Step),步與步之間由“轉換”分隔。當兩步之間的轉換條件滿足,并實現轉換,上一步的活動結束,而下一步的活動開始。一個過程循環分的步越多,對過程的描述就越精確。

功能表圖的組成
1.步
在控制系統的一個工作周期中,各依次順序相連的工作階段,稱為步或工步,用矩形框和文字(或數字)表示。步有兩種狀態:“活動步、“非活動步” 、“初始步”:一系列活動步決定控制過程的狀態。對應控制過程開始階段的步,每一個功能表圖至少有一個初始步,初始步用雙線矩形框表示。
2.動作
在功能表圖中,命令(Command)或稱動作(Action)用矩形框文字和字母符號表示,與對應步的符號相連。一個步被激活,能導致一個或幾個動作或命令,亦即對應活動步的動作被執行。若某步為非活動步,對應的動作返回到該步活動之前的狀態。對應活動步的所有動作被執行,活動步的動作可以是動作的開始、繼續或結束。若有幾個動作與同一步相連,這些動作符號可水平布置,也可垂直布置。
3.有向連線
有向連線將各步按進展的先后順序連接起來,它將步連接到轉換,并將轉換連接到步。有向連線指定了從初始步開始向活動步進展的方向與路線。有向連線可垂直或水平布置。為了使圖面更加清晰,個別情況下也叫用斜線。在功能表圖中,進展的走向總是從上至下、從左至右,因此有向連線的箭頭可以省略。如果不遵守上述進展規則,必須加注箭頭。若垂直有向連線與水平有向連線之間沒有內在聯系,允許它們交叉,但當有向連線與同一進展相關時,則不允許交叉。在繪制功能表圖時,因圖較復雜或用幾張圖表示有向連線必須中斷,應注明下一步編號及其所在的頁數。
4.轉換
在功能表圖中,生成活動步的進展是按有向連線指定的路線進行的,進展由一個或幾個轉換的實現來完成。轉換的符號是一根短畫線,與有向連線相交,轉換將相鄰的兩個步隔開。如果通過有向連線連接到轉換符號的所有前級步都是活動步,該轉換為“使能轉換”,否則該轉換為“非使能轉換”。只有當轉換為使能轉換且轉換條件滿足時,該轉換才被實現。某轉換實現,所有與有向連線和相應轉換符號相連的后續步被激活,而所有與有向連線和相應轉換符號相連的前級步均為非活動步。
5. 轉換條件
轉換條件標注在轉換符號近旁,轉換條件可以用3種方式表示。
(1)文字語句:b、c觸點中任何一個閉合,觸點a同時閉合。
(2)布爾表達式:a(b+c)。(3)圖形符號:
所謂轉換條件是指與該轉換相關的邏輯變量,可以是真(1),也可以是假(0)。如果邏輯變量為真,轉換條件為“l”,轉換條件滿足;如果邏輯變量為假,轉換條件為“0”,轉換條件不滿足。只有當某使能步轉換條件滿足時,轉換才
功能表圖的基本結構
功能表圖的基本結構:單序列結構、選擇序列結構、合并序列結構

選擇序列的開始稱為分支,轉換符號只能標在水平線之下,每個分支上必須具有一個或一個以上的轉換條件,且具有優先級。
選擇序列的結束稱為合并,幾個選擇序列合并到一個公共序列時,轉換符號只能標在水平線之上。

并行序列用雙水平線表示,轉換符號在雙水平線之上,為公共轉換條件。
并行序列的結束稱為合并。轉換符號在水平線以下,當雙水平線之上的所有前級都處于活動狀態時,且轉換條件成立,則下一步被激活。同時所有前級步都變為不活動步。
繪制原則及注意事項
1.控制系統功能圖的繪制必須滿足以下規則。
(1)狀態與狀態不能相連,必須用轉移分開。
(2)轉移與轉移不能相連,必須用狀態分開。
(3)狀態與轉移、轉移與狀態之間的連接采用有向線段,自上向下畫時,可以省略箭頭。當有向線段從下向上畫時,必須畫上箭頭,以表示方向。
(4)一個功能圖至少要有一個初始狀態。
2.注意事項
(1)順控指令僅對元件S有效,順控繼電器S也具有一般繼電器的功能,所以對它能夠使用其他指令。
(2)SCR段程序能否執行取決于該狀態器(s)是否被置位,SCRE與下一個LSCR之間的指令邏輯不影響下一個SCR段程序的執行。
(3)不能把同一個S位用于不同程序中,例如:如果在主程序中用了S0.1,則在子程序中就不能再使用它了。
(4)在SCR段中不能使用JMP和LBL指令,就是說不允許跳入、跳出或在內部跳轉,但可以在SCR段附近使用跳轉和標號指令。
(5)在SCR段中不能使用FOR、NEXT和END指令。
(6)在狀態發生轉移后,所有的SCR段的元器件一般也要復位。如果希望繼續輸出,可使用置位/復位指令。
(7)在使用功能圖時,狀態器的編號可以不按順序編排。
用SCR指令的順序控制梯形圖設計方法
單序列順序功能圖的編程
這是最簡單的功能圖,其動作是一個接一個地完成的。每個狀態僅連接一個轉移,每個轉移也僅連接一個狀態。如圖示為單流程的功能圖、梯形圖和語句表。
選擇序列編程
在生產實際中,對具有多流程的工作,要進行流程選擇或者分支選擇。即一個控制流可能轉入多個可能的控制流中的某一個,但不允許多路分支同時執行。到底進入哪一個分支,取決于控制流前面的轉移條件哪一個為真。
并行序列編程
在許多實例中,一個順序控制狀態流必須分成兩個或多個不同分支的控制狀態流,這就是并行分支。當一個控制狀態流分成多個分支時,所有的分支控制狀態流必須同時激活。當多個控制流產生的結果相同時,可以把這些控制流合并成一個控制流,即并行分支的連接。在合并控制流時,所有的分支控制流必須都是完成了的。這樣,在轉移條件滿足時才能轉移到下一個狀態。并行順序一般用雙水平線表示,同時結束若干個順序也用雙水平線表示。

來源:電工電氣學習





