【導讀】在設計過程中經常會出現電路報錯的問題。發生這種情況,我們通常會按部就班的對錯誤進行排查并順利解決。但是有的時候可能會因為知識儲備的限制出現錯誤而無法解決。本文主要講解三相逆變器電路中的IGBT柵極過壓導致IGBT損壞問題。

圖1

圖2
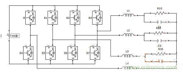
圖1、圖2為主電路拓撲。三相四橋臂逆變器+LC濾波器。IGBT型號為:英飛凌耐壓1200V電流75A的IGBT。驅動芯片為:concept 2sc0108_17,耐壓為1700V。直流母線電壓由可調變壓器輸出經整流橋整流再經電容濾波得到。
當直流母線為300V時,在打開逆變器的情況下(即給PWM信號),逆變器工作正常,輸出三相交流電。然后把直流母線電壓升高為400V,逆變器工作正常。保持直流母線電壓不變,關逆變(IGBT基極電壓為-9V),再開逆變。發生故障。檢查發現C相的concept驅動損壞。C相橋臂的IGBT上下管的G極E極間各自并的一個穩壓二極管(SMBJ13)擊穿短路,C相橋臂IGBT上下管的柵極都燒壞,既給GE加15V電源,CE也不能導通。該橋臂IGBT內部反并聯的二極管正常。
最初猜測是IGBT柵極出現了高壓,但是不知道是什么原因造成了柵極的高壓,下面我們就來具體問題具體分析。
圖1為主電路圖,其中R代表負載。圖2為IGBT驅動。2端接上管柵極,1端接上管發射極。5端接下管柵極,4端接下管發射極。
從驅動波形看,并沒有米勒區,這就說明管子的開關電壓應力比較小。從波形陡度看,動態內阻比較大。因此,如果如此加高壓,出現米勒效應就會半橋局部直通。
從稍帶電流出現的尖峰電壓看,一旦局部直通關斷后過壓擊穿而導致炸管。這點可以通過加大死區得到解決。另一方面,例子中的策略決定了有開機浪涌。建議用魯棒控制策略,開機電流軟啟動。
本篇文章以一個錯誤的電路為例,深度剖析問題,并給出了相應的解決方法,希望大家在看過本篇文章之后能夠有所收獲。
相關閱讀:
MOSFET簡化三相逆變器拓撲設計
經驗之談:解析三相電供電故障及其改善措施
教你用萬用表判定三相異步電動機繞組同名端


