中心議題:
- 三種HDMI端口ESD保護方案對比
HDMI在單條線纜上結合音頻與視頻協定的高速數字數據接口,在手機、計算機等眾多設備之間互連廣泛,有哪些方案可以保證HDMI端口ESD保護的有效性,同時又不影響信號的完整性呢?本文集合了三種安森美最新的HDMI端口ESD防護方案。
高清多媒體接口 (HDMI)是一種在單條線纜上結合音頻與視頻協定的高速數字數據接口,能在手機、計算機、藍光播放機、機頂盒(STB)、汽車、液晶電視等眾多設備之間互連。

下圖為三種HDMI端口ESD保護方案:
低電容ESD保護、低電容ESD + 共模濾波器、匹配內部阻抗ESD保護PicoGuard XS®

低電容ESD保護

特性/優勢
0.4 pF ESD保護
流經高速線路上的布線
業界領先的低鉗位電壓

ESD7004: 低電容ESD保護二極管 MG2040
MG2040:MediaGuard全集成方案、含以太網保護(HDMI1.4)、回驅電流保護
下頁內容:低電容ESD + 共模濾波器
[page]

HDMI 1.3 & 1.4 = 3.4 Gbps 不帶ESD HDMI 1.3 & 1.4 = 3.4 Gbps 帶ESD
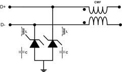
低電容ESD + 共模濾波器

特性/優勢
0.4 pF
差模(DM)插入損耗 – 1.0 dB @ 500 MHz
共模(CM)抑制 – 15 dB @ 500 MHz
流經高速線路上的布線
業界領先的低鉗位電壓
EMI4182: 集成ESD保護的共模濾波器

HDMI 1.3 & 1.4 = 3.4 Gbps

下頁內容:匹配內部阻抗ESD保護PicoGuard XS®
[page]
匹配內部阻抗ESD保護PicoGuard XS®

特性/優勢
100 Ω內部阻抗匹配
零并行電感 = 沒有線纜導致的ESD電壓尖峰
業界領先的低鉗位電壓
CM1234: PicoGuard XS® ESD 鉗位陣列






