- TVS器件的特性及主要參數
- 選用TVS的注意事項TVS在電路設計中的典型應用
- TVS在電路設計中的典型應用
瞬態電壓抑制器是一種二極管形式的高效能保護器件,具有極快的響應時間和相當高的浪涌吸收能力。當TVS的兩端受到反向瞬態過壓脈沖時,能以極高的速度把兩端間的高阻抗變為低阻抗,以吸收瞬間大電流,并將電壓箝制在預定數值,從而有效保護電路中的元器件免受損壞。本文講述了TVS器件的主要特性參數和選用注意事項,同時給出了TVS在電路設計中的應用方法。
1 TVS器件的特性及主要參數
1.1 TVS的器件特性
在規定的反向應用條件下,TVS對受保護的線路呈高阻抗狀態。當瞬間電壓超過其擊穿電壓時,TVS就會提供一個低阻抗的路徑,并通過大電流方式使流向被保護元器件的瞬間電流分流到TVS二極管,同時將受保護元器件兩端的電壓限制在TVS的箝制電壓。當過壓條件消失后,TVS又恢復到高阻抗狀態。與陶瓷電容相比,TVS可以承受15 kV的電壓,但陶瓷電容對高壓的承受能力比較弱。5 kV的沖擊就會造成約10%陶瓷電容失效,而到10 kV時,其損壞率將高達到60%。
1.2 TVS器件的主要參數
(1)最小擊穿電壓VBR
當TVS流過規定的電流時,TVS兩端的電壓稱為最小擊穿電壓,在此區域,TVS呈低阻抗的通路。在25℃時,低于這個電壓,TVS是不會發生雪崩擊穿的。
(2)額定反向關斷電壓VWM
VWM是TVS在正常狀態時可承受的電壓,此電壓應大于或等于被保護電路的正常工作電壓。但它又需要盡量與被保護電路的正常工作電壓接近,這樣才不會在TVS工作以前使整個電路面對過壓威脅。按TVS的VBR與標準值的離散度,可把VBR分為5%和10%兩種,對于5%的VBR來說,VWM=0.85VBR腿;而對于10%的VBR來說,VWM=0.81VBR。
(3)最大峰值脈沖電流IPP
IPP是TVS在反向狀態工作時,在規定的脈沖條件下,器件允許通過的最大脈沖峰值電流。
(4)箝位電壓Vc
當脈沖峰值電流Ipp流過TVS時,其兩端出現的最大電壓值稱為箝位電壓Vc。Vc和Ipp反映了TVS的浪涌抑制能力。通常把Vc與VBR之比稱為箝位因子(系數),其值一般在1.2~1.4之間。實際使用時,應使Vc不大于被保護電路的最大允許安全電壓,否則被保護器件將面臨被損壞的可能。
(5)最大峰值脈沖功耗PM
PM通常是最大峰值脈沖電流Ipp與箝位電壓Vc的乘積,也就是最大峰值脈沖功耗。它是TVS能承受的最大峰值脈沖功耗值。在給定的最大鉗位電壓下,功耗PM越大,其浪涌電流的承受能力越大。另外,峰值脈沖功耗還與脈沖波形、脈沖持續時間和環境溫度有關。而且,TVS所能承受的瞬態脈沖是不可重復施加的。
(6)電容量C
TVS的電容是由其硅片的截面積和偏置電壓來決定的,它是在1 MHz特定頻率下測得的。C的大小與TVS的電流承受能力成正比,C太大,將使信號衰減。因此,電容C是數據接口電路選用TVS的重要參數。
(7)漏電流IR
IR是最大反向工作電壓施加到TVS上時,TVS管的漏電流。當TVS用于高阻抗電路時,這個漏電流IR一個重要參數。
2 選用TVS的注意事項
在選用TVS時,根據電路的具體情況,一般應考慮以下幾個主要因素:
首先,由于雙向TVS可以在正反兩個方向吸收瞬時大脈沖功率,并把電壓箝制到預定水平。因此,若電路有可能承受來自兩個方向的浪涌電壓沖擊時,應當選用雙向TVS。雙向TVS一般適用于交流電路,單向TVS一般用于直流電路。另外,箝位電壓Vc不大于被保護電路的最大允許安全電壓。
其次,就是最大峰值脈沖功耗PM必須大于電路中出現的最大瞬態浪涌功率。但是,在實際應用過程中,浪涌有可能重復地出現,在這種情況下,即使單個的脈沖能量比TVS器件可承受的脈沖能量要小得多,但是,如果重復施加,這些單個的脈沖能量積累起來,也可能在某些情況下超過TVS器件所能承受的脈沖能量。因此,在電路設計時,必須在這點上認真考慮并選用合適的TVS器件,以使其在規定的間隔時間內,重復施加脈沖能量的累積不至于超過TVS器件的脈沖能量額定值。
[page]
第三,在實際應用過程中,對最大反向工作電壓必須有正確的選取,一般原則是以交流電壓的1.4倍來選取TVS管的最大反向工作電壓。直流電壓則按1.1~1.2倍來選取TVS管的最高反向工作電壓。
3 TVS在電路設計中的典型應用
在實際的應用電路中,處理瞬時脈沖對器件損害的最好辦法,就是將瞬時電流從敏感器件引開。為達到這一目的,將TVS在線路板上與被保護線路并聯。這樣,當瞬時電壓超過電路正常工作電壓后,TNS將發生雪崩擊穿,從而提供給瞬時電流一個超低阻抗的通路,其結果是瞬時電流通過TVS被引開,從而避開被保護器件,并且在電壓恢復正常值之前使被保護回路一直保持截止電壓。在此之后,當瞬時脈沖結束以后,TVS二極管再自動恢復至高阻狀態,整個回路進入正常電壓狀態。以下是TVS在電路應用中的幾個典型實例。
3.1 TVS在交流電路中的應用
圖1所示是一個雙向TVS在交流電路中的應用電路。應用TVS可以有效地抑制電網帶來的過載脈沖,從而起到保護整流橋及負載中所有元器件的作用。圖1中的TVS箝位電壓應不大于電路的最大允許電壓。

圖1 TVS用于交流電路
3.2 用TVS保護直流穩壓電源
圖2是一個直流穩壓電源,在其穩壓輸出端加上TVS,可以保護使用該電源的儀器設備,同時還可以吸收電路中晶體管的集電極到發射極間的峰值電壓,從而保護晶體管。建議在每個穩壓源的輸出端增加一個TVS管,這樣可以大幅度地提高整機的可靠性。

圖2 TVS保護直流穩壓電源實例
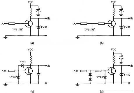
3.3 用TVS保護晶體管電路
各種瞬變電壓能使晶體管的EB結或CE結擊穿而損壞,特別是晶體管集電極有感性(線圈、變壓器、電動機)負載時,通常會產生高壓反電勢,因而可能使晶體管損壞。在實際應用中,建議采用TVS作為保護器件。圖3所示為TVS保護晶體管的四種電路實例。
3.4 集成電路的保護
由于現代IC的集成度越來越高,而其耐壓則越來越低,因而很容易受到瞬變電壓的沖擊而損壞,故須采取保護措施。通常在CMOS電路的輸入端及輸出端都有保護網路,為了可靠起見,在各整機對外接口處也增加了各種保護網絡。圖4給出了用TVS對TTL及CMOS器件進行保護的有關電路措施。

圖3 基于TVS的晶體管保護電路
[page]
3.5 用TVS保護集成運放
集成運放對外界電應力非常敏感。因此,在使用運放的過程中,如果因操作失誤或采取了不正常的工作條件,往往會出現過大的電壓或電流,特別是浪涌和靜電脈沖,從而很容易使運放受損或失效。圖5所示是用TVS在運放差模輸入端防止過壓損傷的保護電路。

圖4 TVS保護集成運放實例
4 結束語
本文主要講述了TVS器件的特性和主要參數,以及選用器件時的注意事項,同時給出了器件在電路設計中的典型應用電路,以便加深電路設計人員對TVS的認識,為設計出高可靠性的應用電路提供基礎。雖然目前的TVS在國內的應用正處于推廣階段,但我們有理由相信,隨著越來越多的設計者對TVS的認識不斷加深以及TVS所表現出來的優異性能,TVS器件最終將獲得極為廣泛的應用。



