【導讀】如今,數據中心迫切需要能夠高效轉換電能的功率半導體,以降低成本并減少排放。更高的電源轉換效率意味著發熱量減少,從而降低散熱成本。
如今,數據中心迫切需要能夠高效轉換電能的功率半導體,以降低成本并減少排放。更高的電源轉換效率意味著發熱量減少,從而降低散熱成本。
電源系統需要更低的系統總成本和緊湊的尺寸;因此必須提高功率密度,尤其是數據中心的平均功率密度正在迅速攀升。從十年前的每個1U機架通常只有5 kW,增加到現在的20 kW、30 kW 或更高。
圖1:數據中心供電:從電網到GPU
電源供應器(PSU)還必須滿足數據中心行業的特定需求。人工智能數據中心的PSU應滿足嚴格的Open Rack V3 (ORV3) 基本規范,要求30%到100%負載下的峰值效率達到97.5%以上,并且10%到30%負載下的最低效率達到94%。
電源拓撲
作為PSU中交流/直流轉換的關鍵部分,在功率因數校正(PFC)級實現高能效至關重要,該級負責調整輸入電流,從而最大限度地提高有用功率與總輸入功率的比率。為滿足IEC 61000-3-2 等法規中的電磁兼容性(EMC)標準,并確保符合ENERGY STAR?等能效規范,PFC設計是關鍵所在。
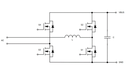
在許多應用中,最佳方法是采用“圖騰柱”PFC拓撲(圖2),這種拓撲通常用于數據中心3 kW 至8 kW 系統的PFC功能塊。圖騰柱PFC級基于MOSFET,通過移除體積大且損耗高的橋式整流器,提高了交流電源的能效和功率密度。
圖2:圖騰柱PFC拓撲
為了達到97.5%的能效,圖騰柱PFC需要使用碳化硅(SiC)等“寬禁帶”半導體的MOSFET。如今,所有PFC級均采用SiC MOSFET 作為快速開關橋臂,并使用硅基超級結MOSFET作為相位或慢速橋臂。
與超級結MOSFET等硅(Si) MOSFET 相比,SiC MOSFET 具有更好的性能和更高的能效。它們在高溫下表現出色,具有更強的穩健性,并能在更高的開關頻率下運行。
與Si MOSFET 相比,SiC MOSFET 在輸出電容中存儲的能量(EOSS)更少,這在PFC級的低負載條件下至關重要,因為在低負載運行下,開關損耗在整個MOSFET功耗中占據了主要部分。較低的EOSS和柵極電荷可最大限度地減少開關過程中的能量損失,從而提高圖騰柱PFC快速橋臂的能效。此外,由于SiC器件具有出色的熱導率,相當于硅基器件的三倍,因此與Si MOSFET 相比,SiC MOSFET 具有更好的正溫度系數RDS(ON)。
這意味著,SiC MOSFET 的導通電阻在結溫升高時增幅小于Si MOSFET。在175oC等高溫下,SiC MOSFET 的導通損耗較低,而導通損耗在總功率損耗中占據主要部分。
下表比較了目前市面上的650V超級結MOSFET與安森美(onsemi)650V SiC MOSFET 的關鍵參數。

SiC MOSFET 助力實現高能效
在眾多SiC MOSFET 產品中,安森美650 V M3S EliteSiC MOSFET(包括NTBL032N065M3S和NTBL023N065M3S)提供了出眾的開關性能,并顯著提高了超大規模數據中心的PFC和LLC級能效。
M3S EliteSiC 技術性能遠遠超過其前代產品,其中柵極電荷降低了50%,EOSS降低了44%,輸出電容中存儲的電荷(QOSS)也減少了44%。用于PFC級的硬開關拓撲中時,這個出色的EOSS數值能夠提高輕載下的系統能效。此外,較低的QOSS簡化了LLC級軟開關拓撲的諧振儲能電感設計。
得益于出色的開關性能和能效,M3S EliteSiC MOSFET 散發的熱量更少。此外,MOSFET的柵極電荷Qg在同電壓等級的產品中表現出色,能夠降低柵極驅動損耗。同時,出色的Qgs和Qgd也有效降低了開關導通和關斷損耗。

圖3:650V M3S EliteSiC MOSFET 的優勢
在LLC功能塊中,當VDS從關斷狀態轉換到二極管導通狀態時,需要對輸出電容進行放電。為了快速完成這一過程,必須使用低瞬態輸出電容。瞬態COSS之所以重要,是因為它可以最大限度地減少諧振儲能的循環損耗,并縮短LLC的死區時間,從而減少初級側的循環損耗。低導通電阻能夠最大限度地減少導通損耗,而低EOFF有助于最大限度地減少開關損耗。
總體而言,提升系統能效是最重要的性能標準,這使得SiC MOSFET 成為數據中心PFC和LLC級的首選方案。
相較于市場上的眾多其他SiC MOSFET 產品,基于相同的RDS(ON),安森美650V EliteSiC MOSFET 在成本、EMI、高溫運行和開關性能方面,可與超級結MOSFET競爭。650V M3S EliteSiC MOSFET 的RDS(ON)低于相同封裝的超級結MOSFET,這提升了LLC拓撲的系統能效,同時,由于其開關損耗遠低于硅基替代品,因此性能表現優于后者。
圖4:M3S 650V EliteSiC MOSFET 產品組合
點擊了解有關安森美650V EliteSiC MOSFET的更多信息。
免責聲明:本文為轉載文章,轉載此文目的在于傳遞更多信息,版權歸原作者所有。本文所用視頻、圖片、文字如涉及作品版權問題,請聯系小編進行處理。
推薦閱讀:






