【導讀】能夠同時通過多個傳感器捕獲數據的狀態監控系統,通常使用通道間隔離解決方案來消除接地環路。由于元件容差,板級分立信號鏈存在較大的通道間相位失配誤差,但ADI公司的精密信號鏈μModule?解決方案采用ADI的集成無源器件(iPassives?)技術,有效降低了相位失配誤差。
摘要
能夠同時通過多個傳感器捕獲數據的狀態監控系統,通常使用通道間隔離解決方案來消除接地環路。由于元件容差,板級分立信號鏈存在較大的通道間相位失配誤差,但ADI公司的精密信號鏈μModule?解決方案采用ADI的集成無源器件(iPassives?)技術,有效降低了相位失配誤差。
簡介
狀態監控(CM)系統在制造、航空航天、醫療健康和基礎設施等各種行業中發揮著至關重要的作用。此類系統幫助檢測和分析各種情況,確保資產和機械的安全性、可靠性和性能。監控的主要參數之一是振動,振動信號的幅度、頻率和相位包含大量有關資產狀況的信息。
本文闡釋了CM系統中準確相位測量的重要性,以及其在涉及多個同步采樣通道的數據采集(DAQ)應用中面臨的挑戰。本文討論了多種傳統解決方案,同時介紹了一種創新方法,它能使相位匹配性能達到全新水平。
架構
CM系統由多個傳感器或變換器組成。許多系統采用集中式系統架構,每個傳感器通過模擬電纜連接到DAQ解決方案的一個通道或輸入1。
圖1.集中式DAQ架構1
傳感器類型眾多,可測量振動、聲音和電流等參數。傳感器可以在單個資產設備的多個點和軸上收集數據,甚至可以在多個獨立資產設備上同時收集數據2。來自這些渠道的數據經過處理,可讓我們深入了解系統行為,例如預測機器故障,防患于未然,或在問題惡化前提前安排維護工作。
用例
使用多通道同步采樣ADC
第一個用例是CM系統對來自兩個或更多正交傳感器的數據進行相位分析,以監測機器運行和異常,例如失衡、中心偏移和底角松動等。我們可以使用其中一個傳感器的相位作為參考來確定故障位置,而無需使用轉速計3。
圖2.應用:使用相位分析確定故障的類型和位置
在多軸檢測中,保留信號捕獲之間相對恒定的時間延遲對于時間和頻率信息的后處理至關重要。換句話說,信號需要同步采樣且通道間相位匹配,以保留幅度和相位(時間)域信息。否則,傳感器之間的相位角測量會不準確。CM系統供應商的相位匹配規格在20 kHz時可以低至1°,其中甚至包括隔離電路的延遲和抖動。
而多通道同步采樣Σ-Δ ADC(如ADI的AD7768-4或AD4134)可有助于實現此目標。參見表1。相比逐次逼近寄存器(SAR)型ADC,Σ-Δ ADC具有更高的DC至100 kHz分辨率和適合振動信號時域與頻域分析的濾波功能,因而在CM應用中更受青睞。欲了解更多信息,請參閱文章“狀態監控系統設計選項及其對信號鏈實施方案的影響”1。
表1.不同ADC的相位匹配性能和相位校準分辨率
然而,使用離散時間Σ-Δ(DTSD) ADC(如AD7768-4)時,信號鏈可能出現相位失配誤差。DTSD ADC無法抑制其采樣頻率倍數處的混疊,因此系統容易受到帶外干擾的影響,目標CM信號可能會受到破壞。為了改善這些頻率處的抑制效果,ADC驅動器級采用模擬抗混疊濾波器設計(圖3,通常為三階或更高階),同時使帶內幅度誤差保持最小。例如,設計用于在16 MHz(采樣頻率)和160 kHz -3dB(輸入帶寬)下實現-80 dB抑制的二階巴特沃茲濾波器,即使RC失配容差低至1%,在20 kHz時也可能存在±0.15°的相位失配4。
對于連續時間Σ-Δ(CTSD) ADC(如AD4134)來說,這不是問題,因為其在通帶之外不受干擾,故而無需模擬抗混疊濾波器。然而,DTSD和CTSD關鍵區別在于,前者在功耗調節方面更靈活。此外,可能還有其他原因造成延遲,例如輸入放大器和隔離電路。
圖3.相位失配誤差源
為了解決此問題,這兩種多通道IC都有相位校準寄存器,可根據每個通道在不同頻率和溫度下的延遲(比1/Fsampling更準確,在20 kHz時約為0.5°),調整每個通道的相位(表1)。總體而言,多通道同步采樣ADC雖然存在局限性,但在大多數情況下都能滿足需求。
接地環路和隔離需求
考慮同時監測單臺機器的不同部分,甚至監測不同的機器。在此系統中,我們需要仔細考慮接地環路。
圖4.加速度計在安裝中接地不當5
儀器儀表使用接地和屏蔽來保護測量信號免受噪聲和雜散電磁場的影響。用于連接傳感器和DAQ解決方案的電纜通常是屏蔽雙絞線,其中屏蔽層從傳感器側接地,或者從DAQ側接地。
例如,如果(1)傳感器有一條接地路徑,(2)DAQ也有另外一條接地路徑,并且(3)電纜屏蔽層從兩側接地,則會形成接地環路(圖4)。接地環路讓電流可以沿著屏蔽層流動。因此,屏蔽層上來自電源線和附近機械的感應電流可能會將干擾耦合到信號線上。為了正確接地,理想情況下從系統中的任何點到地應該只有一條低阻抗路徑。接地系統設計需要考慮應用、環境和傳感器的隔離類型。
圖6.外殼隔離的加速度計和隔離底座6
降低成本,在DAQ處隔離
為了避免隔離傳感器的高成本,也可以考慮使用多個單通道ADC(如AD7768-1)和隔離電路(圖7)。要在傳感器側接地,傳感器外殼可用作接地點。這樣,DAQ解決方案可獨立配置、可擴展且適用于更廣泛的應用場景。
圖7.正確接地:在儀器儀表處隔離,在加速度計處接地5
您可能已經意識到了:這又要解決主要由模擬AAF引起的通道之間相位失配較大的問題。
若無同步采樣和相位校準寄存器,便只能通過時序進行校準,以減小相位失配誤差。FPGA可以控制每個通道開始捕獲數據的時序,但需要高頻時鐘和相位/延遲鎖定環,這會大幅增加DAQ解決方案的復雜性。
μModule解決方案的廣闊天地
μModule提供封裝級的相位匹配解決方案。
μModule解決方案將完整的信號鏈集成到系統級封裝(SIP)中,因此僅需一份數據手冊就能說明整個信號鏈的性能。該方案不僅消除了冷焊料和BOM(物料清單)可用性等重大PCB組裝問題,而且通過ADI的集成無源器件(iPassives)技術提高了性能,使客戶能夠應對相位匹配等復雜的系統級挑戰。
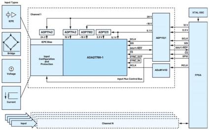
ADI公司的ADAQ7768-1是一款單通道μModule DAQ系統,適合CM應用。其中包括一個36 V可編程增益儀表放大器(PGIA)、一個四階有源抗混疊濾波器(AAF)和一個具有與AD7768-1相同特性的24位DTSD ADC。
圖8.ADAQ7768-1功能框圖
ADAQ7768-1利用iPassives網絡提供四階模擬AAF,能夠實現精準的器件間相位匹配性能,堪比同步采樣ADC及其相位校準分辨率,如表2和圖9所示。圖10說明了iPassives網絡如何從制造開始實現精準匹配,其中電阻差異通過顏色漸變來表示。iPassives電阻容差可以低于0.1%,而電阻溫度系數(TCR)匹配誤差可以小于1 ppm/℃,這意味著設計好的RC濾波器帶寬可在整個溫度范圍內保持穩定。憑借iPassives網絡,μModule解決方案通過BOM和組件方法解決了相位失配問題,使性能突破了傳統分立信號鏈的限制,達到全新水平。
表2.不同ADC(包括精密信號鏈μModule解決方案)的相位匹配性能和相位校準分辨率
*ADAQ776x-1相位失配最大值 = 6Σ(典型值 =±1Σ)
*相位匹配 = 相位失配 * 2
圖9.在20 kHz時和整個溫度范圍內的ADAQ7768-1器件間相位角失配,歸一化為25℃時的平均值
圖10.相較于分立電阻,ADI的iPassives電阻具有更嚴格的容差和匹配性能7
同類產品和區別
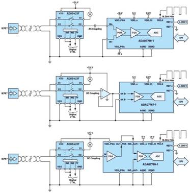
除了ADAQ7768-1外,還有其他大類產品使用相同的集成ADC,即ADAQ7767-1和ADAQ7769-1(圖11)。
圖11.與IEPE傳感器一起使用的各種ADAQ776x-1大類產品
ADAQ7768-1
ADAQ7768-1內置一個全差分PGIA。由于具有高阻抗和低輸入偏置電流,它可直接連接到各種傳感器。不同于傳統的電壓反饋放大器,集成PGIA在所有增益設置下保持幾乎相同的帶寬,無論增益如何設置都能實現嚴格的器件間相位匹配。
ADAQ7767-1
ADAQ7767-1不提供集成輸入放大器,從而降低成本,讓客戶可以采用定制的輸入信號調理方案。該器件有三個輸入范圍,單端輸入的最大范圍為±24 V,支持直流耦合IEPE傳感器架構和更簡單的電源解決方案。
ADAQ7769-1
ADAQ7769-1在ADAQ7767-1基礎上增加了單端可編程增益低噪聲放大器。單端輸入范圍仍為±24 V,支持直流耦合IEPE傳感器架構并提供更完整的解決方案。
實現同步
為了充分發揮這些產品的相位匹配性能,器件必須遵循適當的同步方法。雖然存在同步各種產品的通用方法,但某些器件可以采用專屬同步方式,這通常會為整個系統帶來益處。
一般來說,許多SD ADC提供了SYNC或SYNC_IN
引腳,允許控制器同步彼此獨立但通常相似的ADC。在時間敏感的ADC中,這通常要求SYNC脈沖與共享控制器時鐘(MCLK)同步。否則,抖動和傳輸延遲可能會導致一個器件的同步觸發信號會比其他器件延后一個MCLK周期。圖12解釋了如何使用來自控制器的SYNC_IN
脈沖同步各ADAQ776x-1,理想情況下此脈沖與系統MCLK保持一致。
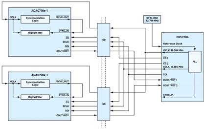
圖12.使用與MCLK保持一致的SYNC_IN來同步通道間隔離系統中的ADAQ776x-1器件
由于CM應用中的同步和相位匹配要求,ADAQ776x-1和AD7768-1大類產品包含SYNC_OUT
引腳,當由GPIO = START
輸入脈沖或通過SPI寫操作觸發時,該引腳會輸出SYNC_OUT
脈沖。在這兩種情況下,SYNC_OUT
脈沖隨后可以饋入SYNC_IN
引腳,觸發有效數據轉換開始。
為了減少通道間隔離系統中隔離數字走線的數量,建議使用第二種方法,從同一SPI輸入線(SDI)對所有器件執行SPI寫操作,從而啟動SYNC_OUT
脈沖,由此便可實現同步,如圖13所示。
這里假設所有通道有一個共同MCLK,理想情況下它與SPI時鐘(SCLK)同步,以避免延遲觸發。這種方案無需來自控制器的隔離SYNC_IN
或START
線。為進一步減少數字隔離線路,ADAQ776x-1和AD7768-1大類產品可將數據就緒信號(DRDY或RDY)與輸出數據(DOUT)結合在同一線路中。
圖13.使用SPI寫操作同步通道間隔離系統中的ADAQ776x-1器件
圖14為采用ADAQ7768-1的通道間隔離高性能DAQ解決方案,其中使用ADP1031作為隔離電源解決方案,為所有供電軌供電,并使用ADuM141D提供額外的隔離數字走線。
圖14.采用ADAQ7768-1的通道間隔離高性能DAQ解決方案
結論
由ADAQ776x-1的隔離單通道組成的CM系統是一種經濟高效的解決方案,可提供堪比同步采樣SD ADC的相位匹配性能。μModule解決方案利用ADI iPassives技術提供的精密電阻來解決RC抗混疊濾波器引入的相位匹配問題。
致謝
感謝John Healy和Naiqian Ren對本文的技術貢獻。
參考文獻
1 Naiqian Ren,“狀態監控系統設計選項及其對信號鏈實施方案的影響”,ADI公司,2021年10月。
2 Gabriele Ribichini,“高壓電抗器振動測試”,DEWESoft?,2023年2月。
3 Tony DeMatteo,“相位分析:輕松進行振動分析”,Ludeca,2010年10月。
4 “連續時間Σ-Δ (CTSD)精密ADC迷你教程”,ADI公司,2022年12月。
5 “振動傳感器接線和布線”,Wilcoxon Sensing Technologies。
6 “振動基礎原理”,PCB Piezotronics。
7 Mark Murphy和Pat McGuinness,“使用微型模塊SIP中的集成無源器件”,《模擬對話》,第52卷,第10期,2018年10月。
8 Pete Sopcik和Dara O’Sullivan,“傳感器性能如何支持狀態監控解決方案”,《模擬對話》,第53卷第6期,2019年6月。
(來源:ADI公司,作者:Malcolm Leeland Kwok,產品應用工程師))
免責聲明:本文為轉載文章,轉載此文目的在于傳遞更多信息,版權歸原作者所有。本文所用視頻、圖片、文字如涉及作品版權問題,請聯系小編進行處理。
推薦閱讀:



