【導讀】在65W~150W 輸出功率范圍應用下,CrM PFC + QR Flyback 拓樸是非常普遍被選用的架構,在小型化集成線路趨勢下,QR combo 控制芯片應運而生。 另外對于消費型電子產品,不僅能效需要符合法規的要求,其待機損耗也是相當重要的評判指標。
在65W~150W 輸出功率范圍應用下,CrM PFC + QR Flyback 拓樸是非常普遍被選用的架構,在小型化集成線路趨勢下,QR combo 控制芯片應運而生。 另外對于消費型電子產品,不僅能效需要符合法規的要求,其待機損耗也是相當重要的評判指標。 SO20封裝不僅整合了PFC 與 QR 控制器的功能,也整合了高壓啟動與X2 cap 放電機制, 當然IC也必須考量到絕緣空腳距離以致于有些腳位的功能是復合性的,就像HV/X2, BO/X2, PCS/PZCD... 在這之中尤其是以小信號檢測PCS/PZCD比較敏感,避免用戶在應注意而未注意情況下進行不恰當的PCB布局設計,產生異常動作保護觸發的現象,以下就為大家介紹NCP1937相關的應用經驗與注意事項。
NCP1937集成了功率因數修正 (PFC) 和準諧振(QR)反激式控制器,旨在用于電源適配器并實現高能效、緊湊型開關電源,例如: PD快充、工業通信電源、電動工具快充等方案。 這是一款采用混合數字內核架構的AC-DC器件,能夠提供更高能效、增強靈活性及簡化系統設計應用。 該 PFC 級以最大頻率箝位在臨界導通模式 (CrM) 下運行時表現出接近1的功率因子。 該電路結合了構建一個堅固緊湊的 PFC 級所需的所有必要功能,同時最大限度地減少外部器件的數量。 準諧振電流模式反激級具有專有的谷值鎖定電路,確保穩定的谷值開關。 該系統工作到第四個谷值并切換到一個頻率折返模式,最小頻率箝位超出第4階谷以消除可聽噪聲。 跳周期模式操作允許在輕負載條件下具有出色的效率,同時待機功耗非常低。
電流路徑和接地點對噪聲的影響
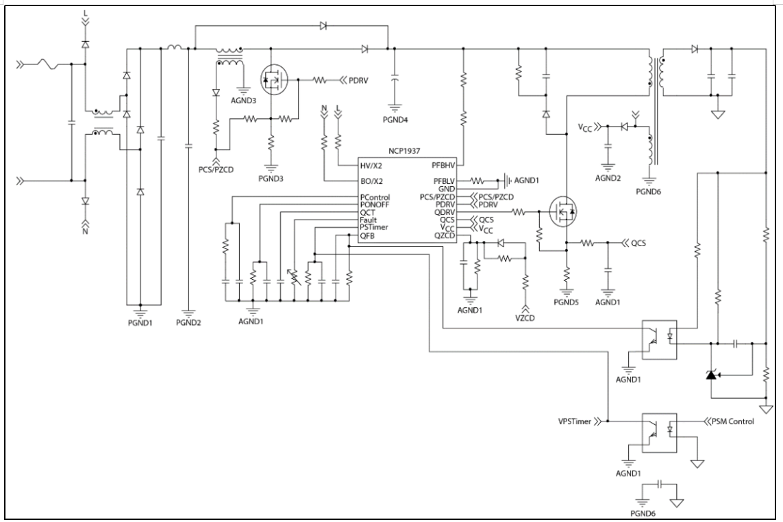
在任何電源轉換器中,PCB 布局和布線需要考慮盡量減少噪聲的產生和確保穩定運轉。 作為組合IC,NCP1937控制兩個可變開關頻率轉換器而且彼此獨立運行。 事實上,PFC 部分柵極驅動器和 QR 部分柵極驅動器可以在任意點開啟和關閉。 因此有必要特別關注當前的電流路徑和接地點,以避免噪聲在兩個轉換器之間的相互作用。 在為NCP1937布置PCB之前,建議區別并注釋各種接地點(如圖1所示)。 下面的表 1說明了不同電流路徑的接地點,并表示為 PGNDx。 同時,為了區別模擬或信號接地點,將其表示為 AGNDx。 星形接地在業界眾所周知,是很好的實踐布局方式。 圖2是NCP1937的應用線路在初級側星形接地配置的范例。
以下是針對初級側電流路徑的PCB布局以及接地點的說明:
一)分別提供單獨的路徑給PFC和反激式轉換器的開關電流。 從圖1可知,PGND3 到PGND4 的電流路徑(PFC電流路徑)和 PGND4 到 PGND5 的電流路徑(反激式轉換器電流路徑)是完全隔開,有各自的電流回路。 這將避免開關電流和柵極來自兩個轉換器的驅動電流重疊。
二)PGND6 和 PGND4 之間的路徑可以改善的浪涌(surge)的耐受度。 建議使用單獨的走線以及足夠的線寬,將PGND6接回PGND4。
三)建議PGND4 和PGND5 之間的接線盡可能越短越好。
四)PGND4 將是整個模擬信號地的星形連接中心點。 連接PGND4 和 AGND 1 之間應盡可能短且盡可能寬。
五)PGND1、PGND2、PGND3 之間可以是連續路徑,即不需要隔離這些路徑。
針對初級側模擬信號的PCB布局以及接地點的說明:
一)AGND1 是 模擬信號接地端的星形中心點。 AGND2和AGND3應在該點相交。
二)AGND3 來自 PFC 扼流圈輔助繞組,應單獨連接至AGND1。
三)AGND2 應單獨連接至AGND1。
圖1:NCP1937的應用電路以及各種接地點的區別
表1:說明圖1中的各個接地點
圖2:NCP1937使用星形接地范例
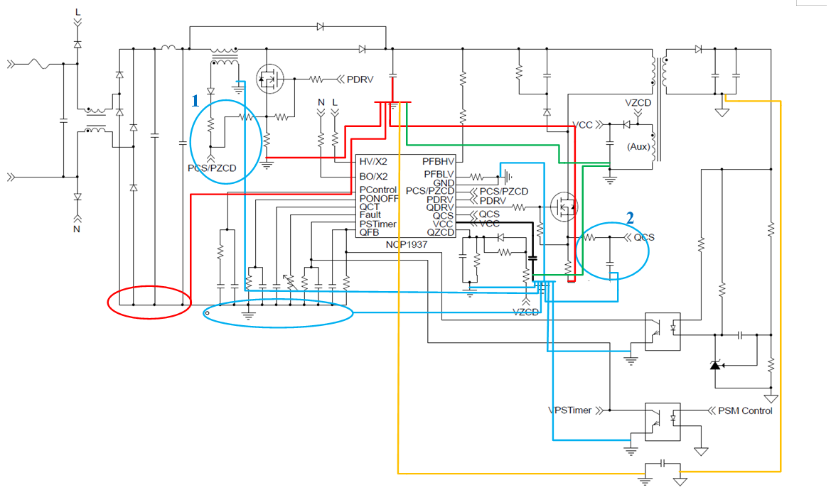
用例:90W電源適配器應用電路的PCB布局
圖3為安森美(onsemi) 90W 電源適配器的展示板。 接下來透過應用線路(圖4)來進一步說明實踐的PCB布局方式。
一)擺放NCP1937時, IC 可靠近 PFC 電流感測電阻。
二)PFC 電流感測電阻盡可能靠近Bulk cap 的接地端。
三)建議PCS/PZCD和QCS loop 可優先布線,路徑盡可能愈短愈好。 任何高頻驅動信號及高dv/dt信號, 禁止穿越或靠近PCS/PZCD和 QCS信號回傳路徑
四)PFC 功率電流必須單獨回到Bulk cap GND. (紅色power grounding)
五)Flyback 功率電流必須單獨回到 Bulk cap GND,不可以經過PFC 功率電流路徑才回到Bulk cap GND
六)PFC 扼流圈輔助繞組的接地端, 必須直接連接到VCC SMT 電容的接地端
七)VCC SMT 電容以及PCS/PZCD 濾波電容 必須靠近IC 的GND
八)所有小信號grounding 必須都先連接到VCC SMT 電容。也就是VCC SMT 電容的接地端會呈現星形分散連接到所有的小信號grounding (藍色grounding )
九)QR Aux winding GND 必須先連接到VCC的 電解電容,再從電解電容分成兩路各連接到VCC SMT 電容GND 及Bulk cap GND (綠色接地)
十)PCS/PZCD 的RC濾波必須靠近IC pin 腳(藍圈1)
十一)QCS 的RC濾波必須靠近IC pin 腳(藍圈2)
十二)QZCD high low line 補償電阻靠近IC pin 腳
十三)HV/X2 and HV/BO pin 可以預留落地高壓濾波電容 (~ 470pF)
十四)一、二次側的Y cap 應單獨回路連接到Bulk cap GND 及 output cap GND。不可先匯入power loop 或是小信號grounding loop
圖3:安森美90W 電源適配器的展示板
圖4:應用線路以及接地的布局方式
通過PCB布局優化ESD,避免誤觸發保護機制
另一方面為了通過ESD測試,會透過PCB布局的方式優化ESD能量的路徑,避免誤觸發IC的保護機制。 圖5是優化前的接地方式,ESD能量會通過Y cap 到一次側會經過獨立Trace 回到Bulk cap GND,但是另一個路徑則會經過變壓器繞組耦合到一次側時,AUX 繞組grounding 若先連接到Current Senes 的power Trace 時,就會在CS 信號受到ESD injection 能量產生distortion造成誤觸發OCP保護機制。 然而ESD 表現較好的布局,如圖6,可以看到不僅Y cap 到一次側會經過獨立Trace 回到Bulk cap GND,而另一個路徑則會經過變壓器繞組耦合到一次側時,AUX 繞組grounding 則會先連接到Bulk cap GND,不會讓CS 信號受到ESD injection 能量產生distortion而造成誤觸發OCP保護機制。
簡言之,針對Combo IC控制器來操作兩個電源轉換器,PCB布局是電源轉換器可發揮高效能以及穩定操作的關鍵因素。 遵循上述的接地建議,將有效減少一個轉換器的噪聲耦合其他轉換器的敏感控制訊號。
圖5:優化前,輔助電源繞組的GND連接到PFC電流感測電阻的負端
圖6:優化后,輔助電源繞組的GND連接到PFC bulk電容的負端
免責聲明:本文為轉載文章,轉載此文目的在于傳遞更多信息,版權歸原作者所有。本文所用視頻、圖片、文字如涉及作品版權問題,請聯系小編進行處理。
推薦閱讀:













