【導讀】近年來,電子技術的發展,使得電路的工作電壓越來越低、電流越來越大。低電壓工作有利于降低電路的整體功率消耗,但也給電源設計提出了新的難題。
傳統二極管整流問題
近年來,電子技術的發展,使得電路的工作電壓越來越低、電流越來越大。低電壓工作有利于降低電路的整體功率消耗,但也給電源設計提出了新的難題。
開關電源的損耗主要由3部分組成:功率開關管的損耗,高頻變壓器的損耗,輸出端整流管的損耗。在低電壓、大電流輸出的情況下,整流二極管的導通壓降較高,輸出端整流管的損耗尤為突出。快恢復二極管(FRD)或超快恢復二極管(SRD)可達1.0~1.2V,即使采用低壓降的肖特基二極管(SBD),也會產生大約0.6V的壓降,這就導致整流損耗增大,電源效率降低。
問題舉例
但設采用3.3V甚至1.8V或1.5V的供電電壓,所消耗的電流可達20A。此時超快恢復二極管的整流損耗已接近甚至超過電源輸出功率的50%。即使采用肖特基二極管,整流管上的損耗也會達到(18%~40%)PO,占電源總損耗的60%以上。因此,傳統的二極管整流電路已無法滿足實現低電壓、大電流開關電源高效率及小體積的需要,成為制約DC/DC變換器提高效率的瓶頸。
同步整流技術引言
在電源轉換領域,輸出直流電壓不高的隔離式轉換器都使用 MOSFET作為整流器件。由於這些器件上的導通損耗較小,能夠提高效率因而應用越來越廣泛;
為了這種電路能夠正常運作,必須對同步整流器(SR)加以控制,這是基本的要求。同步整流器是用來取代二極管的,所以必須選擇適當的方法,按照二極管的工作規律來驅動同步整流器。驅動信號必須用PWM控制信號來形成,而PWM控制信號決定著開關型電路的不同狀態。
同步整流器件的特點
同步整流技術就是采用低導通電阻的功率MOS管代替開關變換器快恢復二極管,起整流管的作用,從而達到降低整流損耗,提高效率的目的。通常,變換器的主開關管也采用功率MOS管,但是二者還是有一些差異的。
功率MOS管實際上是一個雙向導電器件,由于工作原理的不同,而導致了其他一些方面的差異。例如:作為主開關的MOS管通常都是硬開關,因此要求開關速度快,以減小開關損耗;而作為整流/續流用的同步MOS管,則要求MOS管具有低導通電阻、體二極管反向恢復電荷小、柵極電阻小和開關特性好等特點,因此,雖然兩者都是MOS管,但是它們的工作特性和損耗機理并不一樣,對它們的性能參數要求也不一樣,認識這一點,對于如何正確選用MOS管是有益的。
同步整流的基本電路結構
同步整流是采用通態電阻極低的專用功率MOSFET,來取代整流二極管以降低整流損耗的一項新技術。它能大大提高DC/DC變換器的效率并且不存在由肖特基勢壘電壓而造成的死區電壓。功率MOSFET屬于電壓控制型器件,它在導通時的伏安特性呈線性關系。用功率MOSFET做整流器時,要求柵極電壓必須與被整流電壓的相位保持同步才能完成整流功能,故稱之為同步整流。
工作方式的比較
傳統的同步整流方案基本上都是PWM型同步整流,主開關與同步整流開關的驅動信號之間必須設置一定的死區時間,以避免交叉導通,因此,同步整流MOS管就存在體二極管導通和反向恢復等問題,從而降低同步整流電路的性能。
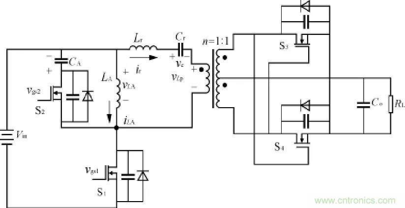
雙端自激、隔離式同步整流電路

實際舉例(反激同步整流設計 )
基本的反激電路結構

一種實際的外驅電路

增加驅動能力的外驅電路

由NMOSFET構成的反激同步整流自驅動電路結構

由PMOSFET構成的反激同步整流自驅動電路結構

反激同步整流驅動電路選擇
同步整流管的驅動方式有三種:第一種是外加驅動控制電路,優點是其驅動波形的質量高,調試方便。缺點是:電路復雜,成本高,在追求小型化和低成本的今天只有研究價值,基本沒有應用價值。上圖是簡單的外驅電路,R1D1用于調整死區。該電路的驅動能力較小,在同步整流管的Ciss較小時,可以使用。圖6是在圖5的基礎上增加副邊推挽驅動電路的結構,可以驅動Ciss較大的MOSFET。在輸出電壓低于5V時,需要增加驅動電路供電電源。
第二種是自驅動同步整流。優點是直接由變壓器副邊繞組驅動或在主變壓器上加獨立驅動繞組,電路簡單、成本低和自適應驅動是主要優勢,在商業化產品中廣泛使用。缺點是電路調試的柔性較少,在寬輸入低壓范圍時,有些波形需要附加限幅整形電路才能滿足驅動要求。由于Vgs的正向驅動都正比于輸出電壓,調節驅動繞組的匝數可以確定比例系數,且輸出電壓都是很穩定的,所以驅動電壓也很穩定。比較麻煩的是負向電壓可能會超標,需要在設計變壓器變比時考慮驅動負壓幅度。
第三種是半自驅。其驅動波形的上升或下降沿,一個是由主變壓器提供的信號,另一個是獨立的外驅動電路提供的信號。上圖是針對自驅的負壓問題,用單獨的放電回路,提供同步整流管的關斷信號,避開了自驅動負壓放電的電壓超標問題。



