【導讀】本文討論基于電阻溫度檢測器(RTD)的溫度測量系統的歷史和設計挑戰。本文還涉及RTD選型和配置上的權衡。最后,本文詳細介紹了RTD系統優化和評估。
RTD溫度測量為什么很重要?
溫度測量在很多不同的終端應用中發揮著重要作用,例如工業自動化、儀器儀表、狀態監控(CbM)和醫療設備。不管監控環境條件或校正系統的漂移性能如何,高準確度和高精度都非常重要。有多種類型的溫度傳感器可以使用,例如熱電偶、電阻溫度檢測器(RTD)、電子帶隙傳感器和熱敏電阻。具體選擇何種溫度傳感器及如何設計,取決于所測量的溫度范圍和所需的精度。對于-200°C至+850°C之間的溫度,RTD可提供高精度和良好穩定性的出色特性組合。
溫度測量的主要挑戰有哪些?
挑戰包括:
● 電流和電壓選擇。RTD傳感器是無源器件,不會自行產生電氣輸出。使用激勵電流或電壓來測量傳感器的電阻,即讓一個小電流經過傳感器以產生電壓。如何選擇電流/電壓?
● 具體設計的最佳選擇是2線式、3線式還是4線式?
● RTD信號應如何調理?
● 如何調整上述變量,以便在規格范圍內使用轉換器或其他構建模塊?
● 在系統中連接多個RTD——如何連接傳感器?不同傳感器之間是否能共享一些模塊?對系統整體性能有何影響?
● 設計的預期誤差是多少?
RTD選型指南
RTD概述
RTD傳感器的阻值是以某種精確定義的方式隨溫度變化的函數。最廣泛使用的RTD是鉑Pt100和Pt1000,其提供2線、3線和4線配置。其他RTD類型由鎳和銅制成。
表1.常見RTD類型

最常見的Pt100 RTD有兩種形狀:線繞和薄膜。每種類型都按照若干標準化曲線和容差構建。最常見的標準化曲線是DIN曲線。DIN代表"Deutsches Institut für Normung",意思是"德國標準化研究所"。曲線定義了鉑100Ω傳感器的阻值與溫度的關系、標準化容差和工作溫度范圍。其定義的RTD精度從0°C時100Ω的基本電阻開始。DIN RTD有不同的標準容差分類。這些容差顯示在表2中,它們也適用于低功耗應用中使用的Pt1000 RTD。
表2.RTD精度—A類、B類、1/3 DIN

選擇RTD傳感器時,RTD本身及其精度都要考慮。溫度范圍隨元件類型而變化,以校準溫度(通常在0°C)顯示的精度隨溫度而變化。因此,必須定義所測量的溫度范圍,并要考慮到任何低于或高于校準溫度的溫度都會有更寬的容差和更低的精度。
RTD按照0°C時的標稱電阻來分類。Pt100傳感器的溫度系數約為0.385Ω/℃,Pt1000的溫度系數比Pt100大10倍。許多系統設計人員使用這些系數來獲得近似的電阻到溫度轉換,但Callendar-Van Dusen方程提供了更準確的轉換。
溫度t ≤ 0°C時,公式為:
溫度t ≥ 0°C時,公式為:
其中:
● t為RTD溫度(°C)
● RRTD(t)為RTD在溫度(t)時的電阻
● R0為RTD在0°C時的電阻(本例中R0 = 100 Ω)
● A = 3.9083 × 10−3
● B = −5.775 × 10−7
● C = −4.183 × 10−12
RTD接線配置
選擇RTD時需要考慮的另一個傳感器參數是其接線配置,這會影響系統精度。市場上有三種不同的RTD接線配置,每種配置都有自己的優點和缺點,可能需要采用不同技術來減小測量誤差。
2線配置是最簡單但精度最低的配置,原因是引線電阻的誤差及其隨溫度的變化導致了顯著的測量誤差。因此,這種配置僅用于引線很短的應用或使用高電阻傳感器(例如Pt1000)的應用,這樣可以最大程度地減小引線電阻對精度的影響。
3線配置使用三個引腳,優勢突出,因而是使用最多的配置,在連接器尺寸最小化的設計中很有用(僅需要3個連接端子,而4線RTD需要4線端子)。相對于2線配置,3線配置在精度上也有顯著改善。3線配置中的引線電阻誤差可以通過不同的校準技術來補償,本文稍后會介紹這些技術。
4線是最昂貴但最準確的配置。這種配置消除了引線電阻及溫度變化效應引起的誤差。因此,4線配置可實現最佳性能。
RTD配置電路
高精度RTD傳感器測量需要精密信號調理、模數轉換、線性化和校準。RTD測量系統的典型設計由不同電路級組成,如圖2所示。雖然信號鏈看起來很簡單,但其中涉及到幾個復雜因素,設計人員必須考慮復雜的元件選擇、連接圖、誤差分析和模擬信號調理挑戰。由于相關模塊數量較多,上述因素會影響整體系統電路板尺寸和物料清單(BOM)成本。但好消息是,ADI公司提供了大量集成式解決方案。該完整的系統解決方案可幫助設計人員簡化設計,減小電路板尺寸,縮短產品上市時間,并降低整個RTD測量系統的成本。

圖1.RTD接線配置

圖2.典型RTD測量信號鏈模塊
三種RTD接線配置需要不同的接線技術來將RTD連接到ADC,另外還要考慮其他外部元件以及ADC的要求,例如激勵電流和靈活的多路復用器。本節將更深入地討論每種RTD配置電路設計及注意事項。
Σ-Δ型ADC
當設計RTD系統時,Sigma-Delta(Σ-Δ)型ADC能提供多方面優勢。首先,Σ-Δ型ADC能夠對模擬輸入過采樣,從而最大程度地減少外部濾波,只需要一個簡單的RC濾波器。另外,它們支持靈活地選擇濾波器類型和輸出數據速率。在采用市電供電的設計中,內置數字濾波可用來抑制交流電源的干擾。24位高分辨率ADC(如 AD7124-4/AD7124-8 )具有21.7位(最大值)的峰值分辨率。其他優點包括:
● 寬共模范圍的模擬輸入
● 寬共模范圍的基準輸入
● 能夠支持比率式配置
● 緩沖基準電壓和模擬輸入
有些Σ-Δ型ADC集成了很多功能,包括:
● 可編程增益放大器(PGA)
● 激勵電流
● 基準電壓源/模擬輸入緩沖器
● 校準功能
此類ADC顯著簡化了RTD設計,并且減少了BOM,降低了系統成本,縮小了電路板空間,縮短了產品上市時間。
對于本文,AD7124-4/AD7124-8用作ADC。這兩款器件是低噪聲、低電流精密ADC,集成了PGA、激勵電流、模擬輸入和基準電壓緩沖器。
比率測量
比率式配置是使用RTD或熱敏電阻等電阻傳感器的系統的合適且高性價比的解決方案。采用比率式方法,基準電壓和傳感器電壓從同一激勵源獲得。因此,激勵源不需要很精確。圖3顯示了4線RTD應用中的比率式配置示例。恒定的激勵電流為RTD和精密電阻RREF供電,RREF上產生的電壓就是RTD測量的基準電壓。激勵電流的任何變化都不會影響測量的精度。因此,采用比率式方法時,允許使用噪聲較大且不那么穩定的激勵電流。激勵電流具有更好的抗擾度,優于電壓激勵。本文稍后會討論選擇激勵源值時需要考慮的主要因素。

圖3.4線RTD比率測量
IOUT/AIN共用引腳
許多RTD系統設計人員使用集成多路復用器和激勵電流的Σ-Δ型ADC,以支持多通道測量和靈活地將激勵電流連接到各傳感器。AD7124等ADC允許單個引腳同時用作激勵電流和模擬輸入引腳(參見圖4)。由于IOUT和AIN共用引腳,因此每個3線RTD傳感器只需要兩個引腳,這有利于增加通道數。但在這種配置中,抗混疊或電磁干擾(EMI)濾波中的大值電阻R與RTD串聯,會給RTD電阻值帶來誤差,因此R值受到限制。正因如此,通常建議為每個激勵電流源提供專用引腳,以避免給RTD測量帶來誤差。

圖4.3線RTD,IOUT/AIN引腳共用
4線RTD連接圖
4線RTD配置性能最佳。相比于其他兩種配置,系統設計人員面臨的唯一問題是傳感器本身的成本和4引腳連接器的尺寸。在這種配置中,引線引起的誤差通過返回線路消除。4線配置使用開爾文檢測,兩條線承載往返RTD的激勵電流,其余兩條線檢測RTD元件本身的電流。引腳電阻引起的誤差會被系統本身消除。4線配置只需要一個激勵電流IOUT,如圖5所示。來自ADC的三個模擬引腳用于實現單個4線RTD配置:一個引腳用于激勵電流IOUT,兩個引腳作為全差分輸入通道(AINP和AINM)用于檢測RTD上的電壓。
當設計使用多個4線RTD時,可以使用單個激勵電流源,并將激勵電流導向系統中的不同RTD。將基準電阻放在RTD的低端,單個基準電阻便可支持所有RTD測量。也就是說,該基準電阻由所有RTD共享。請注意,如果ADC的基準輸入具有寬共模范圍,則基準電阻可以放在高端或低端。因此,對于單個4線RTD,可以使用高端或低端上的基準電阻。但是,當系統中使用多個4線RTD時,將基準電阻放在低端是有利的,因為一個基準電阻可以由所有RTD共享。請注意,某些ADC內置基準電壓緩沖器。這些緩沖器可能需要一定的裕量,因此如果使能緩沖器,則需要裕量電阻。使能緩沖器意味著可以將更強大的濾波連接到基準引腳而不會引起誤差,例如ADC內的增益錯誤。
2線RTD連接圖
2線RTD配置是最簡單的配置,如圖6所示。2線配置只需要一個激勵電流源。來自ADC的三個模擬引腳用于實現單個2線RTD配置:一個引腳用于激勵電流IOUT,兩個引腳作為全差分輸入通道(AINP和AINM)用于檢測RTD上的電壓。當設計使用多個2線RTD時,可以使用單個激勵電流源,并將激勵電流導向系統中的不同RTD。按照4線配置將基準電阻放在RTD的低端,單個基準電阻便可支持所有RTD測量。也就是說,該基準電阻由所有RTD共享。
2線配置是三種接線配置中精度最低的配置,原因是測量的實際電阻值既包括傳感器的電阻值,也包括引線RL1和RL2的電阻值,從而增大了ADC上的電壓測量結果。如果傳感器在遠程,系統使用非常長的導線,則誤差將很大。例如,25英尺長的24 AWG銅線的等效電阻為:0.026Ω/英尺(0.08Ω/米)× 2 × 25英尺 = 1.3Ω。因此,1.3Ω導線電阻產生的誤差為:(1.3/0.385) = 3.38°C(近似值)。導線電阻還會隨溫度而變化,這又會增加誤差。

圖5.單個和多個4線RTD模擬輸入配置測量
3線RTD連接圖
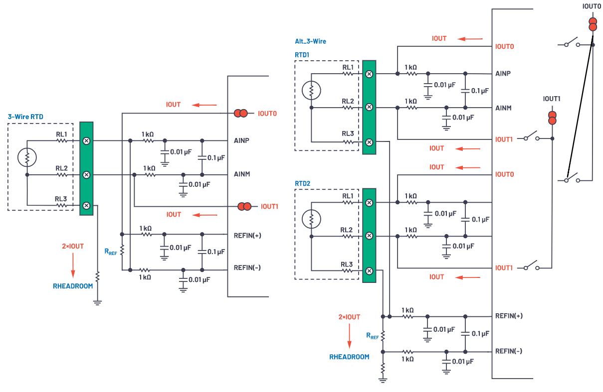
使用3線RTD配置可以大幅改善2線RTD配置的引線電阻所引起的較大誤差。本文使用第二激勵電流(如圖7所示)來抵消RL1和RL2所產生的引線電阻誤差。因此,來自ADC的四個模擬引腳用于實現單個3線RTD配置:兩個引腳用于激勵電流(IOUT0和IOUT1),兩個引腳作為全差分輸入通道(AINP和AINM)用于檢測RTD上的電壓。

圖6.單個和多個2線RTD模擬輸入配置測量

圖7.單個和多個3線RTD模擬輸入配置測量
有兩種方法可以配置3線RTD電路。方法1將基準電阻放在頂邊,使得第一激勵電流IOUT0流到RREF、RL1,然后流到RTD;第二電流流經RL2引線電阻,產生的電壓抵消RL1引線電阻上的壓降。因此,匹配良好的激勵電流可完全消除引線電阻導致的誤差。如果激勵電流匹配得不是那么好,使用這種配置可使不匹配的影響最小化。同一電流流到RTD和RREF;因此,兩個IOUT之間的任何不匹配只會影響引線電阻計算。測量單個RTD時,此配置很有用。
測量多個3線RTD時,建議將基準電阻放在底邊(方法2),這樣只能使用單個基準電阻,從而最大限度地降低總成本。然而,在這種配置中,一個電流流過RTD,但有兩個電流流過基準電阻。因此,IOUT的任何不匹配都會影響基準電壓的值和引線電阻的抵消。當存在激勵電流不匹配時,該配置的誤差會比方法1更大。有兩種可能的方法可以校準IOUT之間的不匹配和不匹配漂移,從而提高第二種配置的精度。第一種方法是對激勵電流斬波(交換),在每個階段執行一次測量,然后將兩個測量值平均,從而實現校準。另一種辦法是測量實際激勵電流本身,然后在微控制器使用計算的不匹配來補償該不匹配。關于這些校準的更多細節在 CN0383中討論。
RTD系統優化
檢查系統設計人員的問題,可發現設計和優化RTD應用解決方案存在不同的挑戰。挑戰一是上面討論的傳感器選型和連接圖。挑戰二是測量的配置,包括ADC配置、設置激勵電流、設置增益和選擇外部元件,同時確保系統優化并在ADC規格范圍內運行。最后,最關鍵的問題是如何實現目標性能,確定有哪些誤差源貢獻了整體系統誤差。
幸運的是,有一款新工具 RTD_Configurator_and_Error_Budget_Calculator ,它為設計和優化RTD測量系統提供從概念到原型制作的實操解決方案。
該工具
● 有助于了解正確的配置、接線和電路圖
● 有助于了解不同誤差源并支持設計優化
該工具圍繞AD7124-4/AD7124-8設計,允許客戶調整激勵電流、增益、外部元件等設置。它會指出超邊界狀況,以確保最終解決方案在ADC的規格范圍內。

圖8.RTD配置程序
激勵電流、增益和外部元件的選擇
理想情況下,我們傾向于選擇較高的激勵電流以產生較高的輸出電壓,并使ADC輸入范圍最大化。然而,由于傳感器為阻性,設計人員還必須確保大值激勵電流的功耗或自發熱效應不會影響測量結果。系統設計人員可能選擇高激勵電流。但是,為使自發熱最小化,在兩次測量之間需要關閉激勵電流。設計人員需要考慮時序對系統的影響。另一種方法是選擇較低激勵電流,以使自發熱最小。時序現已最小化,但設計人員需要確定系統性能是否受到影響。所有方案都可以通過 RTD_Configurator_and_Error_Budget_Calculator進行測試。該工具允許用戶平衡激勵電流、增益和外部元件的選擇,以確保模擬輸入電壓得到優化,同時調整ADC增益和速度,以提供更好的分辨率和系統性能,即噪聲和失調誤差更低。
要了解所得到的濾波曲線,或者要更深入地了解轉換時序,VirtualEval在線工具 可提供相關細節。
Σ-Δ型ADC的ADC輸入和基準輸入均由開關電容前端連續采樣。對于所討論的RTD系統,基準輸入也受外部基準電阻驅動。建議在Σ-Δ型ADC的模擬輸入端使用一個外部RC濾波器用于抗混疊。為了EMC目的,系統設計人員可以在模擬輸入端和基準輸入端使用較大R和C值。大RC值在測量中可能引起增益誤差,因為在兩個采樣時刻之間的時間里,前端電路沒有充足的時間來建立。緩沖模擬和基準輸入可防止此類增益誤差,從而允許使用不受限制的R和C值。
對于AD7124-4/AD7124-8,當使用大于1的內部增益時,模擬輸入緩沖器自動使能,由于PGA放置在輸入緩沖器的前面,并且PGA是軌到軌的,所以模擬輸入也是軌到軌的。但是,對于基準緩沖器,或者在增益為1時使用ADC且使能模擬輸入緩沖器,則有必要確保提供正確運行所需的裕量。
Pt100輸出的信號電平很低,大約為幾百mV。為獲得最佳性能,可以使用寬動態范圍的ADC。或者使用一個增益級來放大信號,再將其應用于ADC。AD7124-4/AD7124-8支持1到128的增益,因而可以針對各種激勵電流優化設計。PGA增益的多個選項允許設計人員在激勵電流值與增益、外部元件、性能之間取舍。RTD配置工具會指示新的激勵電流值是否能與所選RTD傳感器一起使用。它還會給出精密基準電阻和基準裕量電阻的適當建議值。請注意,該工具可確保ADC在規格范圍內使用——它會顯示支持相關配置的可能增益。AD7124激勵電流具有輸出順從性;也就是說,提供激勵電流的引腳上的電壓相對于AVDD需要一些裕量。該工具也會確保符合該順從規格。
借助RTD工具,系統設計人員可以保證系統在ADC和RTD傳感器的工作限值內運行?;鶞孰娮璧韧獠吭木燃捌鋵ο到y誤差的貢獻將在稍后討論。
濾波選項(模擬和數字50 Hz/60 Hz抑制)
如前所述,建議將抗混疊濾波器配合Σ-Δ型轉換器使用。嵌入式濾波器是數字式,所以頻率響應在采樣頻率附近折回。為了充分衰減調制器頻率及其倍數處的干擾,必須使用抗混疊濾波。Σ-Δ型轉換器會對模擬輸入過采樣,因此抗混疊濾波器的設計大大簡化,只需要一個簡單的單極點RC濾波器。
當最終系統投入現場使用時,處理來自系統所處環境的噪聲或干擾可能非常有挑戰性,尤其是在工業自動化、儀器儀表、過程控制或功率控制等應用領域,這些應用要求耐噪,同時不能產生太大噪聲而影響到相鄰元器件。噪聲、瞬態或其他干擾源會影響系統精度和分辨率。當系統由交流電源供電時,也會產生干擾。交流電源頻率在歐洲是50 Hz及其倍數,在美國是60 Hz及其倍數。因此,當設計RTD系統時,必須考慮具有50 Hz/60 Hz抑制能力的濾波電路。許多系統設計人員希望設計一個能夠同時抑制50 Hz和60 Hz的通用系統。
大多數較低帶寬ADC(包括AD7124-4/AD7124-8)提供多種數字濾波選項,通過編程可將陷波頻率設置為50 Hz/60 Hz。所選濾波器選項會影響輸出數據速率、建立時間以及50 Hz/60 Hz抑制。使能多個通道時,每次切換通道都需要一個建立時間以便產生轉換結果。因此,選擇具有較長建立時間的濾波器類型(即sinc4或sinc3)會降低整體吞吐速率。在這種情況下,可使用后置濾波器或FIR濾波器以較短的建立時間提供合理的50 Hz/60 Hz同時抑制,從而提高吞吐速率。
功耗考慮
系統的電流消耗或功耗預算分配高度依賴于最終應用。AD7124-4/AD7124-8具有三種功耗模式,支持在性能、速度和功耗之間進行權衡。便攜式或遠程應用須使用低功耗器件和配置。對于某些工業自動化應用,整個系統都由4 mA到20 mA環路供電,因此允許的電流預算最大值僅有4 mA。對于此類應用,可以將器件設置為中功率或低功耗模式。速度要低得多,但ADC仍能提供高性能。如果應用是由交流電源供電的過程控制,則電流消耗可以高得多,因此器件可以設置為全功率模式,該系統可以實現高得多的輸出數據速率和更高的性能。
誤差源和校準選項
知道所需的系統配置之后,下一步是估算與ADC相關的誤差和系統誤差。這些誤差可幫助系統設計人員了解前端和ADC配置是否滿足整體目標精度和性能。 RTD_Configurator_and_Error_Budget_Calculator 允許用戶修改系統配置以獲得最佳性能。例如,圖9顯示了所有誤差的摘要。系統誤差餅圖表明,外部基準電阻的初始精度及其溫度系數是系統總誤差的主要貢獻因素。因此,必須考慮使用更高精度和更好溫度系數的外部基準電阻。
ADC引起的誤差不是系統總誤差的最重要貢獻因素。但是,使用AD7124-4/AD7124-8的內部校準模式可以進一步減小ADC的誤差貢獻。建議在上電或軟件初始化時進行內部校準,以消除ADC增益和失調誤差。請注意,這些校準不會消除外部電路造成的誤差。但是,ADC還支持系統校準,使得系統失調和增益錯誤可以最小化,但這可能會增加額外的成本,大多數應用可能不需要。
故障檢測
對于惡劣環境或安全很重要的應用,診斷正成為行業要求的一部分。AD7124-4/AD7124-8中的嵌入式診斷減少了對外部元件實現診斷的需求,使得解決方案尺寸更小、時間更短且成本更低。診斷包括:
● 檢查模擬引腳上的電壓電平,確保其在額定工作范圍內
● 串行外設接口(SPI)總線的循環冗余校驗(CRC)
● 存儲器映射的CRC
● 信號鏈檢查
這些診斷使得解決方案更強大。根據IEC 61508,典型3線RTD應用的失效模式、影響和診斷分析(FMEDA)表明安全失效比率(SFF)大于90%。
RTD系統評估
圖10顯示了來自電路筆記CN-0383的一些測量數據。該測量數據是利用AD7124-4/AD7124-8評估板獲得,其中包括2-/3-/4-線RTD的演示模式,并計算了相應的攝氏溫度值。結果表明,2線RTD實現方案的誤差更接近誤差邊界的下限,而3線或4線RTD實現方案的總體誤差完全在允許限值以內。2線測量中的較高誤差源于前面所述的引線電阻誤差。

圖9.RTD誤差源計算程序
這些例子說明,當與ADI公司的較低帶寬Σ-Δ型ADC(如AD7124-4/AD7124-8)一起使用時,遵循上述RTD指南將能實現高精度、高性能設計。電路筆記(CN0383)也可用作參考設計,幫助系統設計人員快速實現原型。評估板允許用戶評估系統性能,每種示例配置演示模式都可以使用。進一步說,使用ADI生成的示例代碼(可從AD7124-4/AD7124-8產品頁面獲得),可以輕松開發出不同RTD配置的固件。
采用Σ-Δ架構的ADC(例如AD7124-4/AD7124-8)適合于RTD測量應用,因為其解決了諸如50 Hz/60 Hz抑制之類的問題,并且模擬輸入具有寬共模范圍(基準輸入也可能有)。另外,這些器件具有高集成度,包含RTD系統設計所需的全部功能。它們還提供增強特性,如校準能力和嵌入式診斷。這種集成度加上完整的系統資料或生態系統,將能簡化整體系統設計,降低成本,縮短從概念到原型的設計周期。
為使系統設計人員的設計之旅更輕松,可以使用 RTD_Configurator_and_Error_Budget_Calculator 工具和在線工具VirtualEval、評估板硬件和軟件以及CN-0383來解決不同的挑戰,例如連接問題和整體誤差預算,將用戶的設計體驗提升到更高層次。
結論
本文已說明,設計RTD溫度測量系統是一個具挑戰性的多步驟過程。它需要選擇不同的傳感器配置、ADC和優化,并考慮這些決策如何影響整體系統性能。ADI公司的RTD_Configurator_and_Error_Budget_Calculator工具和在線工具VirtualEval、評估板硬件和軟件以及CN-0383,通過解決連接和整體誤差預算問題來簡化該過程。



圖10.2-/3-/4-線RTD溫度精度測量后置濾波器,低功耗模式,25 SPS
免責聲明:本文為轉載文章,轉載此文目的在于傳遞更多信息,版權歸原作者所有。本文所用視頻、圖片、文字如涉及作品版權問題,請聯系小編進行處理。
推薦閱讀:




